BETAETIGER-S-WQT-LN (N° de commande 095741)
Choisir le contenu
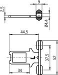
Languette S coudée pour interrupteurs de sécurité SGA/SGP/STA/STP/STM pour module d’insertion
- Deux vis de sécurité fournies
- Languette avec silent blocks

Description
Avis
Les languettes S-...-SN ne doivent pas être associées aux modules d’insertion. Les modules d’insertion doivent être utilisés avec des languettes S-...-LN.
Languette coudée
Conçue pour une force de traction maximale de 1000 N.
Vis en acier inoxydable
Les vis de sécurité fournies peuvent être serrées à l’aide d’un outil standard mais ne peuvent en revanche plus être dévissées par la suite.

Dessins cotés

Caractéristiques techniques
Autorisations

Valeurs mécaniques et environnement
| Température de stockage | -25 ... 70 °C |
| Surcourse | max. 5 mm |
| Rayon de porte | min. 300 mm |
| Matériau | |
| Vis | Acier, inoxydable |
| Actionneur | Acier, inoxydable |
| Silent block | NBR |
| Force de retenue Fmax | max. 1000 N Force de maintien réduite par l’actionneur |
Divers
| Possibilité d’utilisation d’un module d’insertion | oui |
Accessoires
Téléchargements
Agréments et certificats
DGUV
N° doc.
Version
Langue
Taille
DGUV
N° doc.
Version
Langue
Taille
3,5 MB
Documents de vente
Interrupteurs de sécurité avec boîtier métallique
N° doc.
Version
Langue
Taille
Interrupteurs de sécurité avec boîtier métallique
N° doc.
100676
Version
11-03/18
Langue
Taille
7,9 MB
Safety Switches with Metal Housing
N° doc.
100369
Version
11-03/18
Langue
Taille
7,8 MB
Interruptores de seguridad con carcasa metálica
N° doc.
104856
Version
11-03/18
Langue
Taille
14,0 MB
Sicherheitsschalter mit Metallgehäuse
N° doc.
100319
Version
11-03/18
Langue
Taille
7,9 MB
金属壳体 的安全开关
N° doc.
102453
Version
11-03/18
Langue
Taille
8,2 MB
Bezpečnostní spínače s kovovým pouzdrem
N° doc.
121650
Version
11-03/18
Langue
Taille
7,8 MB
Interrupteurs de sécurité avec boîtier plastique
N° doc.
Version
Langue
Taille
Interrupteurs de sécurité avec boîtier plastique
N° doc.
100677
Version
11-03/18
Langue
Taille
6,6 MB
Safety Switches with Plastic Housing
N° doc.
096956
Version
11-03/18
Langue
Taille
6,5 MB
Interruptores de seguridad con carcasa plástica
N° doc.
104855
Version
11-03/18
Langue
Taille
6,6 MB
Sicherheitsschalter mit Kunststoffgehäuse
N° doc.
096955
Version
11-03/18
Langue
Taille
6,6 MB
塑料壳体 的安全开关
N° doc.
116243
Version
11-03/18
Langue
Taille
6,1 MB
Bezpečnostní spínače s plastovým pouzdrem
N° doc.
121649
Version
11-03/18
Langue
Taille
6,5 MB
Macros ePlan
EUC.095741
N° doc.
Version
Langue
Taille
EUC.095741
N° doc.
Version
Langue
Taille
0,0 MB
Données de commande
| N° de commande | 095741 |
| Désignation article | BETAETIGER-S-WQT-LN |
| Poids brut | 0,029kg |
| Code douanier | 85389099990 |
| ECLASS | 27-27-26-06 Actuator for safety-related position switch |


