RIEGEL CES-A-A (N° de commande 076487)
Verrou-targette pour têtes de lecture CES-A-LNA-...
- Verrou-targette pour têtes de lecture CES-A-LNA-...
- Verrou-targette en acier
- Pour portes sur charnières à gauche ou à droite
- Loqueteau à billes en position fermée
- Convient pour un jeu de porte d’env. 15 mm
- Capot de protection pour tête de lecture

Description
Combinaisons possibles
Têtes de lecture CES-A-LNA-...
Contenu de la livraison
- Pièces pour verrous-targettes
- Actionneur CES prémonté dans le pêne du verrou
À commander séparément :
- Tête de lecture
- Analyseur CES-AZ...
Verrouillage en position fermée
Le verrou-targette est maintenu en position fermée, empêchant ainsi l’ouverture involontaire de celui-ci. Les verrouillages par bille ou ressort s’ouvrent en surmontant la force de tarage du ressort.
Types de porte et charnière de porte
Convient pour portes battantes et coulissantes Convient pour portes sur charnières à gauche et à droite Avec butée de porte : la porte ne peut pas s’ouvrir vers l’intérieur.
Capot de protection
Le capot de protection protège la tête de lecture contre tout endommagement.
Dispositif de consignation intégré
À l’aide du dispositif de consignation intégré, le verrou-targette peut être verrouillé en position ouverte, par ex. avec des cadenas. Ceci permet d’éviter que des personnes ne se retrouvent enfermées accidentellement dans la zone de danger.

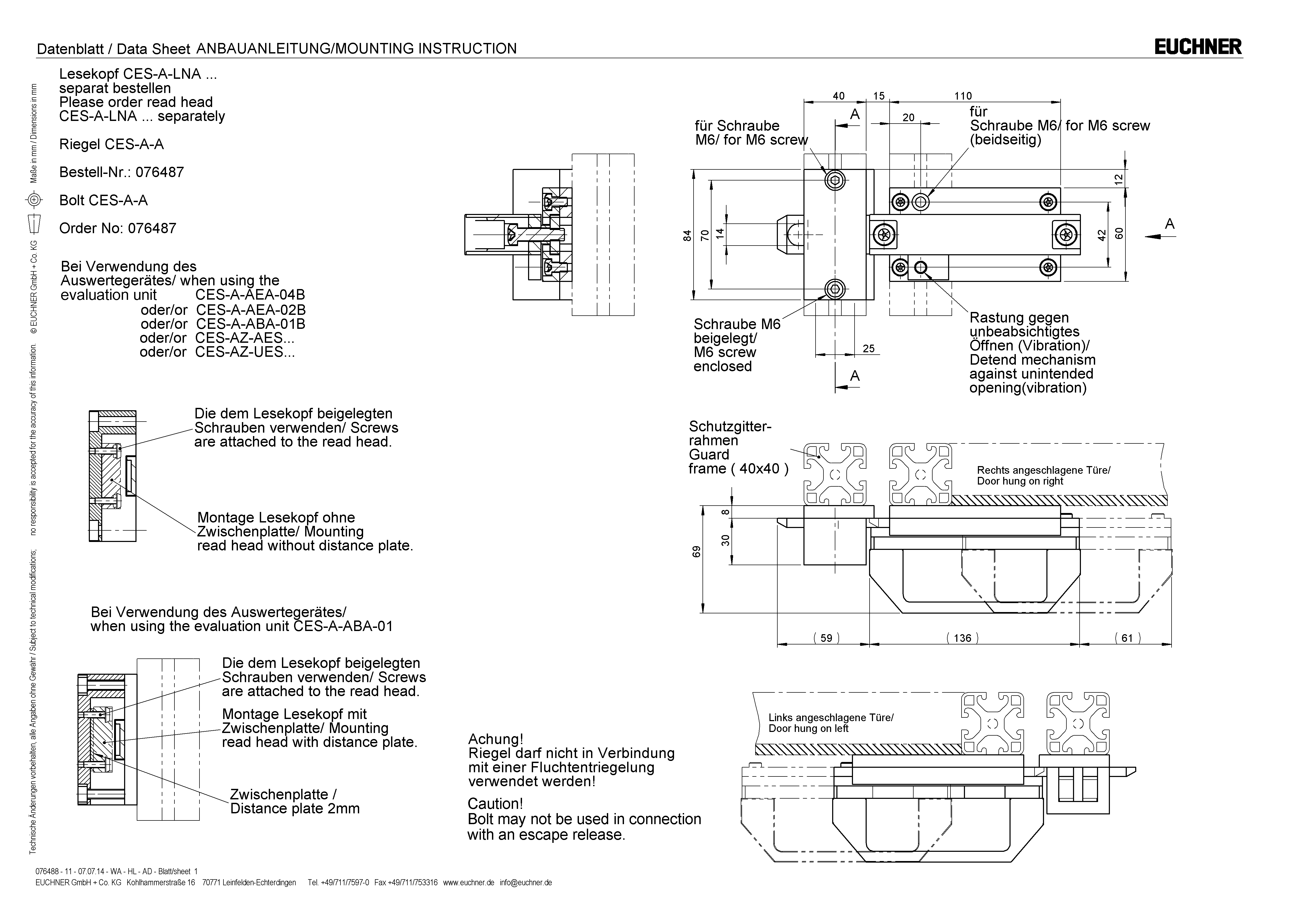
Dessins cotés

| 1 | pour vis M6 (bilatérale) |
| 2 | Vis M6 fournie |
| 3 | Verrouillage mécanique prévenant l’ouverture involontaire (vibration) |
| 4 | Cadre de protection (40x40) |
| 5 | Porte sur charnières à droite |
| 6 | Porte sur charnières à gauche |
| 7 | En cas d’utilisation de l’analyseur CES-A-AEA-04B, CES-A-AEA-02B, CES-A-ABA-01B, CES-AZ-AES..., CES-AZ-UES..., la tête de lecture est montée sans plaque intermédiaire. |
| 8 | En cas d’utilisation de l’analyseur CES-A-ABA-01, la tête de lecture est montée avec plaque intermédiaire. |
Caractéristiques techniques
Valeurs mécaniques et environnement
| Direction d’attaque | A ou C |
| Nombre d’interrupteurs de sécurité montables | 1 |
| Déverrouillage interne | néant |
| Température de stockage | -25 ... 70 °C |
| Matériau | |
| Guides | Plastique |
| Poignée | Plastique |
| Embase | Acier galvanisé |
| Support de l’interrupteur | Acier peint par poudrage |
Divers
| Verrouillage position fermée | Loqueteau à billes |
Accessoires
Téléchargements
Ensemble complet
Télécharger tous les documents importants en un seul clic.
Contient :
- Le mode d’emploi et, le cas échéant, compléments du mode d’emploi ou brèves instructions
- Le cas échéant, fiches techniques en complément du mode d’emploi
- La déclaration de conformité
Documents individuels
Safety Information for Bolts
Información de seguridad para cerrojos
Sicherheitsinformation für Riegel
Autres documents
Données de commande
| N° de commande | 076487 |
| Désignation article | RIEGEL CES-A-A |
| Poids brut | 1,488kg |
| Global Trade Item Number (GTIN) | 4047048000131 |
| Code douanier | 83014090000 |



