RIEGEL CES-A-A (Order no. 076487)
Bolt for read heads CES-A-LNA-...
- Bolt for read heads CES-A-LNA-...
- Steel bolt
- For doors hinged on the left or right
- Ball detent mechanism in closed position
- Suitable for a door gap of approx. 15 mm
- Protective cover for read head

Description
Combination options
Read heads CES-A-LNA-...
Scope of delivery
- Bolt parts
- CES actuator pre-assembled in the bolt tongue
To be ordered separately:
- Read head
- Evaluation unit CES-AZ...
Latching in closed position
Bolt latches in closed position and prevents unintentional opening of the bolt. Ball or spring detent mechanisms are opened by overcoming the spring force.
Door types and door hinges
Suitable for hinged or sliding doors Suitable for doors hinged on the left and right With door stop, door cannot be opened inwards.
Protective cover
The protective cover protects the read head from damage
Integrated lockout bar
With the aid of the integrated lockout bar, the bolt can be secured in the open position, e.g. using padlocks. It is possible to prevent people from being locked in the danger area unintentionally.

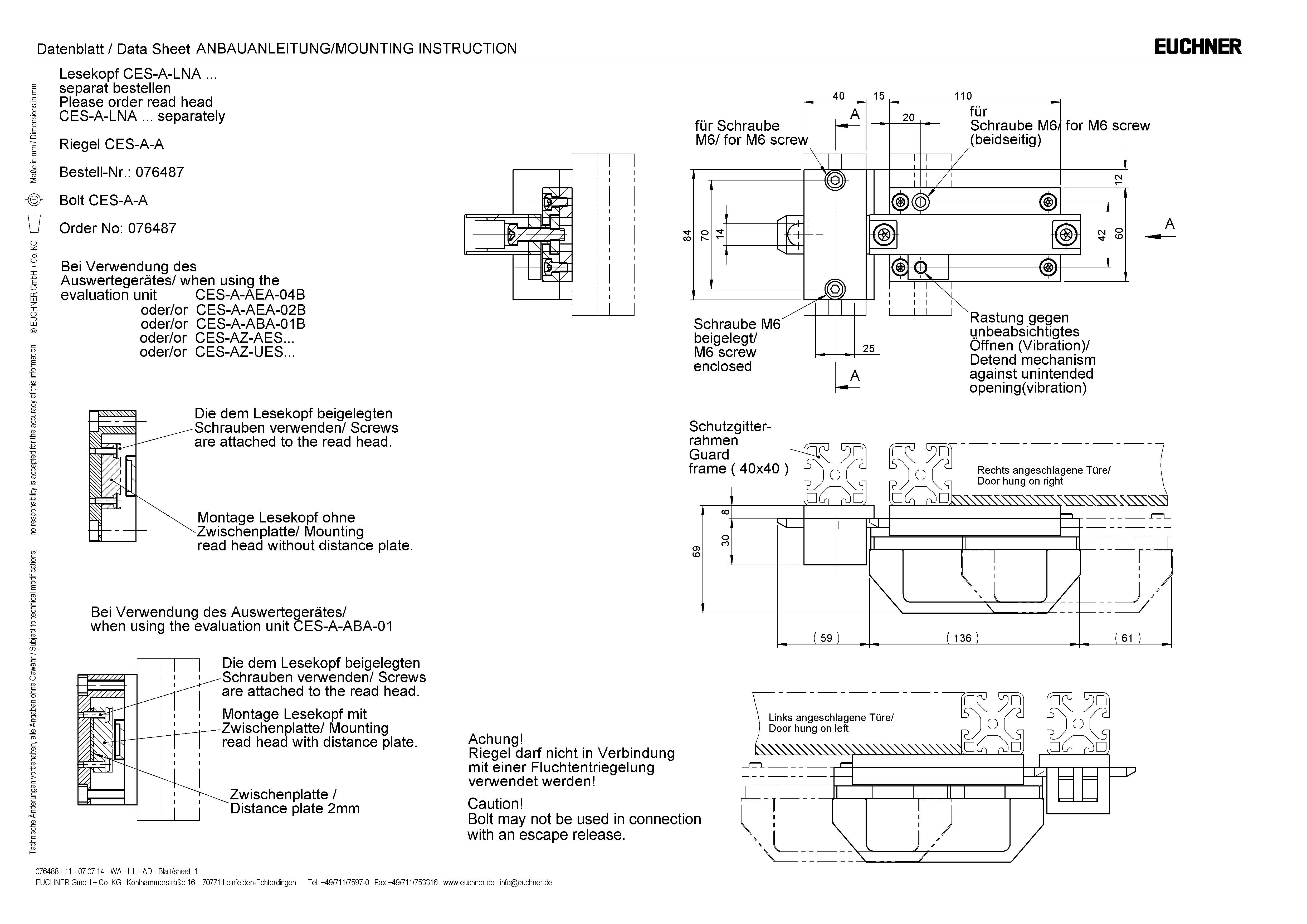
Dimensional drawings

| 1 | for M6 screw (both sides) |
| 2 | Screw M6 included |
| 3 | detent mechanism against accidental opening (vibration) |
| 4 | Safety guard frame (40x40) |
| 5 | Door hinged on the right |
| 6 | Door hinged on the left |
| 7 | On the usage of the evaluation unit CES-A-AEA-04B, CES-A-AEA-02B, CES-A-ABA-01B, CES-AZ-AES..., CES-AZ-UES... the read head is mounted without an intermediate plate. |
| 8 | On the usage of the evaluation unit CES-A-ABA-01 the read head is mounted with an intermediate plate. |
Technical data
Mechanical values and environment
| Approach direction | A or C |
| Number of safety switches that can be mounted | 1 |
| Escape release | None |
| Storage temperature | -25 ... 70 °C |
| Material | |
| Guide strips | Plastic |
| Handle | Plastic |
| Base plate | Galvanized steel |
| Switch bracket | Steel powder-coated |
Miscellaneous
| Detent mechanism closed position | Ball detent mechanism |
Accessories
Downloads
Complete package
Download all important documents with a single click.
Content:
- The operating instructions and any additions to the operating instructions or brief instructions
- Any data sheets to supplement the operating instructions
- The declaration of conformity
Single Documents
Information de sécurité pour verrous-targettes
Información de seguridad para cerrojos
Sicherheitsinformation für Riegel
Other Documents
CAD/eCAD
Ordering data
| Ordernumber | 076487 |
| Item designation | RIEGEL CES-A-A |
| Gross weight | 1,488kg |
| Global Trade Item Number (GTIN) | 4047048000131 |
| Customs tariff number | 83014090000 |



