CTS-C1-BP-CC-FLX-AP-VSA-169052 (Order no. 169052)
Safety switch with guard locking CTS-C1-BP FlexFunction, RFID, connection cable, connecting cable PVC with plug connector(s) M12
- Closed-circuit current principle
- Monitoring outputs door position 1 (OD) / guard locking (OL) and escape release (OER)
- Connection cable, connecting cable PVC 25 cm, plug connector(s) M12, 8-pin

Description
FlexFunction
The function actuator configures the switch during setup. Depending on the function actuator selected, guard lock monitoring of the safety switch is active or inactive and the evaluation of the actuator code has a high or low coding level.
Guard locking principle
Power to unlock: On a guard with guard locking based on the closed-circuit current principle, the guard is locked by spring force until the guard locking solenoid is supplied with power. Unlocking is by solenoid force. The term mechanical guard locking is also used.
Auxiliary release
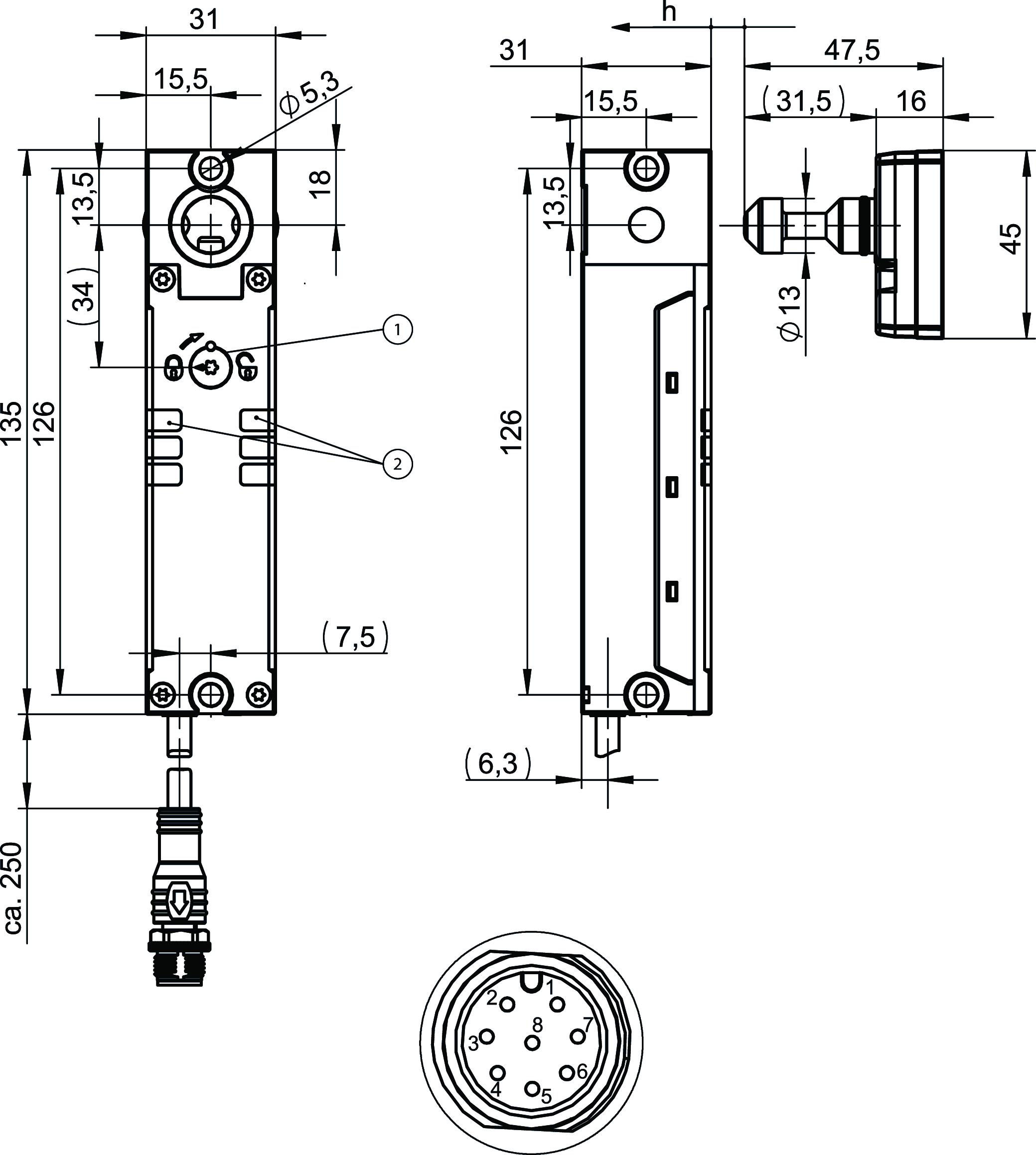
The auxiliary release on the front and rear side enables access to the machine in the event of a malfunction, e.g. a power failure.
Terminal assignment
The function of the monitoring output OX is determined by the actuator taught-in.
Assignment of pins 5 and 6 depends on the function actuator
Accessories required
Actuator is not included.


Dimensional drawings

| 1 | Auxiliary release |
| 2 | LEDs |
Connection examples

Technical data
Approvals


Electrical connection values
| Fuse | |
| UB | 1 ... 8 A external |
| IMP | 1 ... 8 A external |
| Power consumption | 9 W |
| rated conditional short-circuit current | 100 A |
| Rated insulation voltage Ui | 32 V |
| Rated impulse voltage Uimp | 0.8 kV |
| Operating voltage DC | |
| UB | 24 V DC -15% ... +20% (reverse polarity protected, regulated, residual ripple<5%, SELV) |
| Discrepancy time | max. 10 ms |
| Turn-on time | max. 400 ms |
| EMC protection requirements | Acc. to EN IEC 60947-5-3 |
| Solenoid operating voltage DC | 24 V DC -15% ... +20% reverse polarity protected, regulated, residual ripple<5%, SELV |
| Solenoid duty cycle | 100 % |
| Risk time according to EN 60947-5-3 | max. 200 ms |
| Risk time according to EN 60947-5-3, extension for each additional device | max. 10 ms |
| Switching load | |
| according to UL | DC 24 V, Class 2 |
| Safety class | III |
| Current consumption | |
| IUB | 50 mA |
| IIMP | 500 mA |
| Degree of contamination (external, according to EN 60947-1) | 3 |
| Monitoring outputs Ox/C | |
| Output type | p-switching, short circuit-proof |
| Output voltage | 0.8xUB ... UB V DC |
| Output current | |
| L configuration (guard lock monitoring active) | 1 ... 20 mA |
| I-configuration (guard lock monitoring inactive) | 1 ... 10 mA |
| Safety outputs FO1A/FO1B | |
| Output type | Semiconductor outputs, p-switching, short circuit-proof |
| Output voltage | |
| UFO1A /UFO1B LOW | 0 ... 1 V DC |
| UFO1A /UFO1B HIGH | UB-4V ... UB V DC (Value at a switching current of 50mA without taking into account the cable lengths) |
| Output current | |
| L configuration (guard lock monitoring active) | 1 ... 80 mA |
| I-configuration (guard lock monitoring inactive) | 1 ... 75 mA |
| Utilization category | |
| DC-13 L configuration (guard lock monitoring active) | 24V 80mA (Caution: outputs must be protected with a free-wheeling diode in case of inductive loads) |
| DC-13 I configuration (guard lock monitoring inactive) | 24V 75mA (Caution: outputs must be protected with a free-wheeling diode in case of inductive loads) |
| Test pulse duration | max. 0.3 ms |
| Test pulse interval | min. 96 ms |
Mechanical values and environment
| Anfahrgeschwindigkeit | max. 20 m/min |
| Extraction force | 25 N |
| Ready delay | max. 1 s |
| Actuating force | 25 N |
| Installation orientation | any |
| Storage temperature | -25 ... 70 °C |
| Mechanical life | 1 x 10⁶ |
| Retention force | 10 N |
| Shock and vibration resistance | Acc. to EN IEC 60947-5-3 |
| Degree of protection | IP65/IP67/IP69/IP69K |
| Ambient temperature | -20 ... 55 °C (A maximum value of +50 °C applies in the I-configuration of the switch (guard lock monitoring inactive)) |
| Material | |
| Switch head cover | Die-cast zinc |
| Safety switch housing | Reinforced thermoplastic |
| Connecting cable | PVC |
| Locking force Fmax | 5000 N |
| Locking force FZh | 3800 N |
| Guard locking principle | Closed-circuit current principle |
| Connection X1 | |
| Connection type | Connecting cable with plug connector M12 |
| Static bending radius | 8x cable diameter |
| Cable outlet | straight |
| Cable length | 0.25 m |
| Number of pins | 8 |
| Safety outputs FO1A/FO1B | |
| Switching frequency | max. 0.2 Hz |
Characteristic values according to EN ISO 13849-1 and EN IEC 62061
| PL | Maximum SIL | PFHD | Category | Mission time | |
|---|---|---|---|---|---|
| Monitoring of the guard position | PL e | 3 | 6.44x10-9 | 4 | 20 y |
| Guard lock monitoring | PL e | 3 | 6.44x10-9 | 4 | 20 y |
| Applies only if guard lock monitoring is active (guard locking for protection of personnel). Dependent on the actuator used. | |||||
| PL | Maximum SIL | Category | Mission time | |
|---|---|---|---|---|
| Control of guard locking | Depending on external control of guard locking | 20 y | ||
Miscellaneous
| Notices for UL approval | Operation only with UL Class 2 power supply or equivalent measures; see operating instructions |
Accessories

A-FLX-D-0C-167919
- Function actuator for configuration of the safety switch CTS
- Configuration: monitoring of the guard locking, high coding level (L+HC)

A-FLX-D-0D-169044
- Function actuator for configuration of the safety switch CTS
- Configuration: monitoring of the door position, high coding level (I+HC)

A-FLX-D-0E-169045
- Function actuator for configuration of the safety switch CTS
- Configuration: monitoring of the guard locking, low coding level (L+LC)

A-FLX-D-0F-169046
- Function actuator for configuration of the safety switch CTS
- Configuration: monitoring of the door position, low coding level (I+LC)
Downloads
Complete package
Download all important documents with a single click.
Content:
- The operating instructions and any additions to the operating instructions or brief instructions
- Any data sheets to supplement the operating instructions
- The declaration of conformity
Single Documents
Other Documents
ePlan macros
Ordering data
| Ordernumber | 169052 |
| Item designation | CTS-C1-BP-CC-FLX-AP-VSA-169052 |
| Gross weight | 0,6kg |
| Customs tariff number | 85365019000 |
| ECLASS | 27-27-24-05 Safety-related transponder switch with guardlocking |









