CKS2-K-BP-CC-FLX-F00-USI-168631 (Order no. 168631)
Key adapter CKS2-K-BP with FlexFunction
- Key adapter with integrated evaluation electronics
- Suitable for separate operation (no series connection)
- 2 safety outputs (semiconductor outputs)
- Short circuit monitoring
- Category 4 / PL e according to EN ISO 13849-1
- LED indicator, multi-color RGB
- M12 plug connector, 5-pin, connecting cable, 15 cm
- Direct connection to IP67 field modules
- Pushbutton for teach-in operation
- Mechanical detent mechanism for inserted key

Description
Category according to EN 13849-1
Due to two redundantly designed semiconductor outputs (safety outputs) with internal monitoring suitable for:
- Category 4/PL e according to EN 13849-1
Important: To achieve the stated category according to EN ISO 13849-1, both safety outputs (FO1A and FO1B) must be evaluated.
Key evaluation
EUCHNER products with FlexFunction require a teach-in operation during setup to configure the device. The device’s function depends on the taught-in key type.
Important: Keys must be ordered separately!
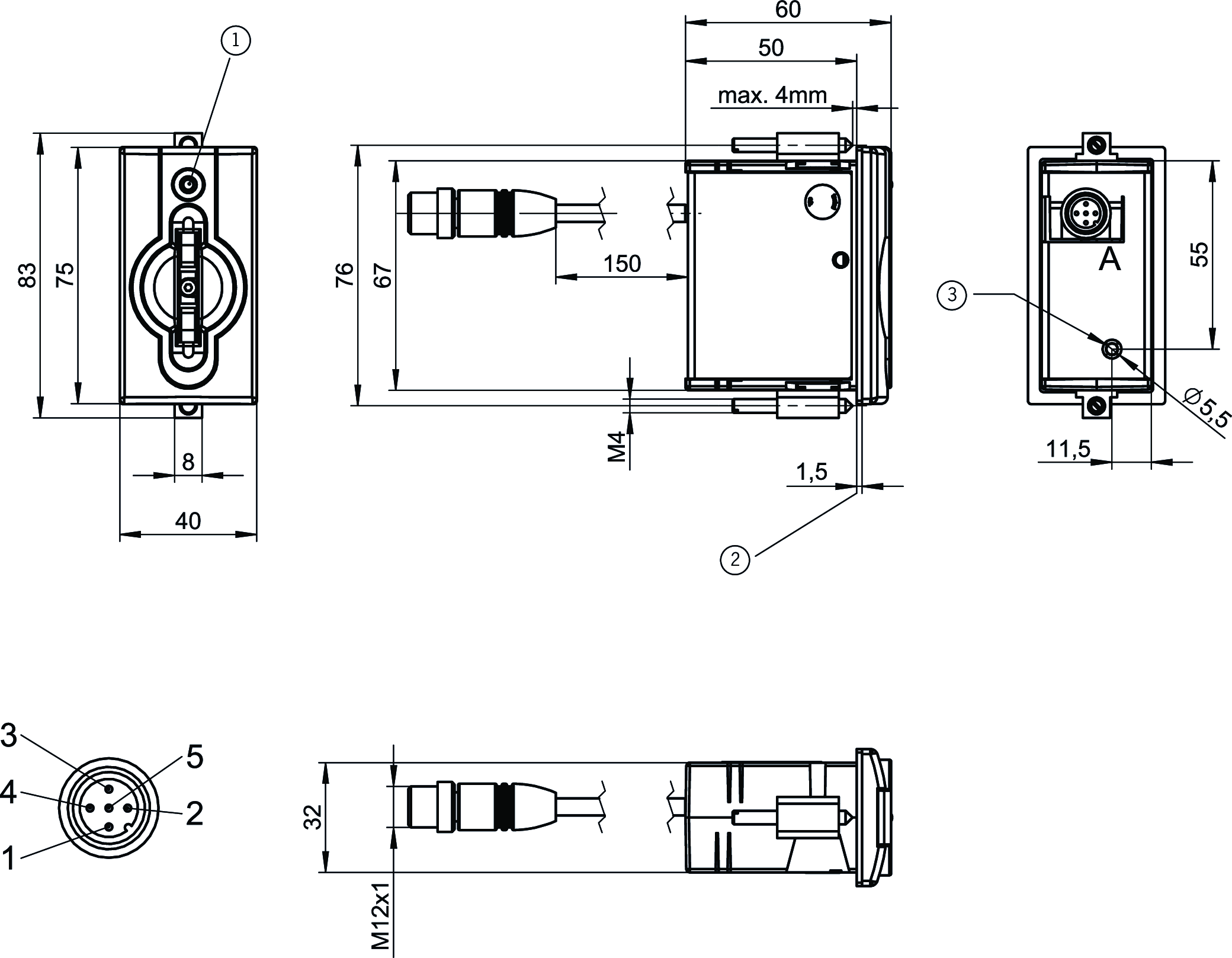
Terminal assignment
| Pin | Designation | Function |
|---|---|---|
| 1 | UB | Power supply, DC 24 V |
| 2 | FO1A | Safety output, channel A |
| 3 | 0 V | Ground, DC 0 V |
| 4 | FO1B | Safety output, channel B |
| 5 | - | n.c. |


Dimensional drawings

| 1 | LED |
| 2 | Rubber seal |
| 3 | Pushbutton |
Connection examples

Technical data
Approvals


Electrical connection values
| Fuse | |
| external (operating voltage UB) | 0.25 ... 8 A |
| rated conditional short-circuit current | 100 A |
| Rated insulation voltage Ui | 300 V |
| Rated impulse voltage Uimp | 1.5 kV |
| Operating voltage DC | |
| UB | 24 V DC -15% ... +20% reverse polarity protected, regulated, residual ripple<5%, PELV |
| Turn-on time | |
| Safety outputs | max. 100 ms |
| EMC protection requirements | Acc. to EN IEC 60947-5-3 |
| Utilization category | |
| DC-13 | 24V 150mA (Caution: outputs must be protected with a free-wheeling diode in case of inductive loads.) |
| Off-state current Ir | max. 0.25 mA |
| Risk time according to EN 60947-5-3 | max. 125 ms |
| Safety class | III |
| Current consumption | 40 mA |
| Degree of contamination (external, according to EN 60947-1) | 2 |
| Safety outputs FO1A/ FO1B | |
| Output type | Semiconductor outputs, p-switching, short circuit-proof |
| Output voltage | |
| HIGH U(FO1A) / U(FO1B) | UB-4V ... UB V DC |
| LOW U(FO1A) / U(FO1B) | 0 ... 1 V DC |
| Discrepancy time | max. 10 ms |
| Switching current | |
| per safety output | 1 ... 150 mA |
| Test pulse duration | 0.3 ms |
| Test pulse interval | 97 ... 105 ms |
Mechanical values and environment
| Ready delay | 2 s |
| Installation orientation | on the front |
| Storage temperature | -30 ... 70 °C |
| Mounting cut-out | 33 x 68 mm |
| Shock and vibration resistance | Acc. to EN IEC 60947-5-3 |
| Degree of protection | |
| in mounted condition (only access side) | IP65/IP67 (in the installed state) |
| Ambient temperature | |
| for UB= 24 V DC | -30 ... 55 °C |
| Material | |
| Connecting cable | PUR |
| Housing | Plastic PA6-GF30 black |
| Connection X1 | |
| Connection type | Connecting cable with plug connector M12 |
| Static bending radius | 5x cable diameter |
| Cable outlet | straight |
| Cable length | 0.15 m |
| Number of pins | 5 |
Characteristic values according to EN ISO 13849-1 and EN IEC 62061
| PL | Maximum SIL | PFHD | Category | Mission time | |
|---|---|---|---|---|---|
| Safe key detection | PL e | 3 | 4.11x10-9 | 4 | 20 y |
Accessories

A-FLX-K-0A-BK-171455
- Transponder coding
- High coding level in accordance with EN 14119
- Key type 0A: 1 key per packaging unit
- Key color black

A-FLX-K-0A-BU-171456
- Transponder coding
- High coding level in accordance with EN 14119
- Key type 0A: 1 key per packaging unit
- Key color blue

A-FLX-K-0A-RD-168921
- Transponder coding
- High coding level in accordance with EN 14119
- Key type 0A: 1 key per packaging unit
- Key color red

A-FLX-K-0A-YE-171458
- Transponder coding
- High coding level in accordance with EN 14119
- Key type 0A: 1 key per packaging unit
- Key color yellow

A-FLX-K-0B-BK-V04-176507
- Transponder coding
- High coding level in accordance with EN 14119
- Key type 0B: 4 identically coded keys per packaging unit
- Key color black

A-FLX-K-0B-BU-V04-176512
- Transponder coding
- High coding level in accordance with EN 14119
- Key type 0B: 4 identically coded keys per packaging unit
- Key color blue

A-FLX-K-0B-RD-V04-176513
- Transponder coding
- High coding level in accordance with EN 14119
- Key type 0B: 4 identically coded keys per packaging unit
- Key color red

A-FLX-K-0B-YE-V04-176515
- Transponder coding
- High coding level in accordance with EN 14119
- Key type 0B: 4 identically coded keys per packaging unit
- Key color yellow

C-M12F05-05X034PU10,0-M12M05-119947
- M12 female plug to M12 plug connector, 5-pin
- Straight female plug and plug connector
- PUR cable
- Cable length 10 m

C-M12F05-05X034PV10,0-M12M05-100181
- M12 female plug to M12 plug connector, 5-pin
- Straight female plug and plug connector
- PVC cable
- Cable length 10 m

C-M12F05-05X034PU20,0-M12M05-119971
- M12 female plug to M12 plug connector, 5-pin
- Straight female plug and plug connector
- PUR cable
- Cable length 20 m

C-M12F05-05X034PV20,0-M12M05-100182
- M12 female plug to M12 plug connector, 5-pin
- Straight female plug and plug connector
- PVC cable
- Cable length 20 m

C-M12F05-05X034PU05,0-M12M05-119932
- M12 female plug to M12 plug connector, 5-pin
- Straight female plug and plug connector
- PUR cable
- Cable length 5 m

C-M12F05-05X034PV05,0-M12M05-100180
- M12 female plug to M12 plug connector, 5-pin
- Straight female plug and plug connector
- PVC cable
- Cable length 5 m
Downloads
Complete package
Download all important documents with a single click.
Content:
- The operating instructions and any additions to the operating instructions or brief instructions
- Any data sheets to supplement the operating instructions
- The declaration of conformity
Single Documents
Other Documents
ePlan macros
Ordering data
| Ordernumber | 168631 |
| Item designation | CKS2-K-BP-CC-FLX-F00-USI-168631 |
| Gross weight | 0,19kg |
| Customs tariff number | 85389099990 |
| ECLASS | 27-27-24-03 Safety-related transponder switch |









