WKS1234VWC2374 (Order no. 114942)
Choose content
Series WK...
- Control panel installation according to IEC 947-5-1 D30
- Switch with actuating directions 1-4
- One changeover contact with tab connector 2.8 x 0.5 IEC 760 for each actuating direction
- Interlocking in center position
- Bellows

Description






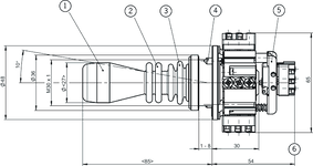
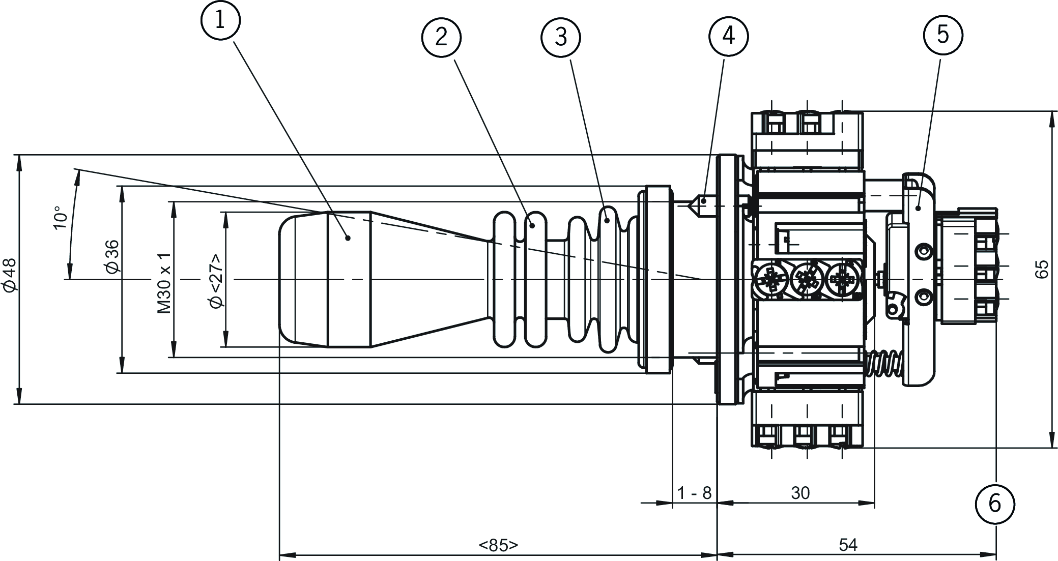
Functional drawings

Dimensional drawings

Dimensional drawings

| 1 | Decorative handle |
| 2 | Locking “V” |
| 3 | Bellows “W” |
| 4 | Screw (hexagon head screw) |
| 5 | Center position switch “Z” |
| 6 | Without center position switch “Z” |
Connection examples

Connection examples

Connection examples

Technical data
Approvals

Electrical connection values
| Fuse | T6/F10 |
| Rated insulation voltage Ui | 250 V |
| Rated impulse voltage Uimp | 2.5 kV |
| Utilization category | |
| AC-15 | 230V 4A |
| DC-13 | 24V 2A |
| Switching voltage | min. 10 V |
| Switching current | |
| (at 24V) | min. 12 mA |
Mechanical values and environment
| Connection type | Screw terminal |
| Number of monitoring contacts | 4 (4 directions) |
| Actuating directions | 4 (4 switches) |
| Storage temperature | -25 ... 70 °C |
| Mechanical life | 1 x 10⁶ |
| Mounting cut-out | D30 (EN IEC 60947-5-1) |
| Switching principle | Changeover contact C, IEC 947-5-1 (Snap-action contact element) |
| Degree of protection | |
| on the front with bellows | IP65 |
| Ambient temperature | -25 ... 65 °C |
| Material | |
| Bellows elastomer, black (Low PAH) | |
| Housing thermoplastic/aluminum | |
| Switching lever stainless steel | |
| Contact | Silver |
Miscellaneous
| C number | |
| C2374 | Switching element with large screw terminal and anti-twist lock |
| Additional feature | |
| Interlocking | |
| Bellows |
Downloads
Complete package
Download all important documents with a single click.
Content:
- The operating instructions and any additions to the operating instructions or brief instructions
- Any data sheets to supplement the operating instructions
- The declaration of conformity
Download Complete Package (ZIP, 0,3 MB)
Single Documents
Declarations of conformity
EU-Konformitätserklärung
Doc. no.
Version
Language
Size
EU-Konformitätserklärung
Doc. no.
Version
Language
Size
0,2 MB
UKCA-Konformitätserklärung
Doc. no.
Version
Language
Size
UKCA-Konformitätserklärung
Doc. no.
EDC20001504
Version
Language
Size
0,1 MB
Other Documents
Approvals and certificates
CCC
Doc. no.
Version
Language
Size
CCC
Doc. no.
20001849
Version
Language
Size
0,0 MB
WEEE
Doc. no.
Version
Language
Size
WEEE
Doc. no.
ECO20001806
Version
Language
Size
0,1 MB
Ordering data
| Ordernumber | 114942 |
| Item designation | WKS1234VWC2374 |
| Gross weight | 0,248kg |
| Customs tariff number | 85365019000 |
| ECLASS | 27-37-14-04 Control switch, joystick |
