NZ1VZ-528EL220-M (Order no. 082121)

Safety switch NZ.VZ, cable entry M20 x 1.5

  • Cable entry M20 x 1.5
  • 1 pos. driven contact
  • 1 NO contacts
  • LED indicator
NZ1VZ-528EL220-M (Order no. 082121)

Description

Approach direction

Horizontal

Can be adjusted in 90° steps

LED indicator

The switch has one freely assignable LED indicator.

Switching element

528H

Slow-action switching contact 1 positively driven contact + 1 NO contact

Accessories required

Actuator is not included.

Switching function
Switching function
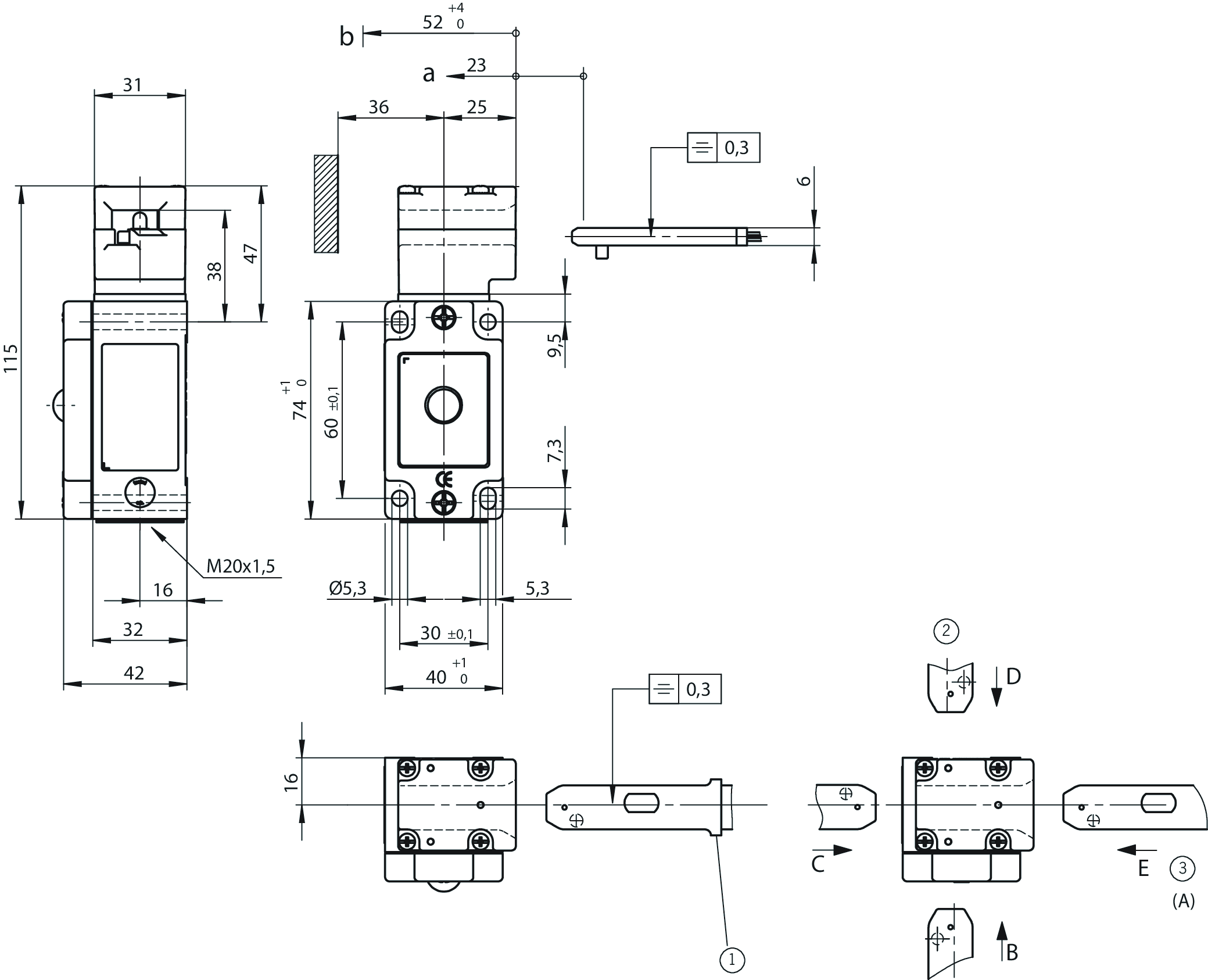
Dimension drawing
Dimension drawing
Wiring diagram 511
Wiring diagram 511
Electromechanical safety switches in use

Functional drawings

Functional drawings

Dimensional drawings

Dimensional drawings
1Do not use as an end stop. Limit overtravel separately.
2Actuating direction can be changed
3Standard
aTravel without operation: actuator is in the guide slot, but function is not triggered.
bSwitching operation completed: actuator must be inserted to this point to ensure safe switching. The actuator must be withdrawn at least to point a for switching off.

Connection examples

Connection examples

Technical data

Approvals

DGUV_NZVZ_ET 23004_ET 23005DNV-GL_TAA0000172 Rev. 1CCC2024010305643584_SafetySwitch Nc_UL_us_E155795_2/1

Electrical connection values

Fuse max. 4 A gG
Connection cross section 0.34 ... 0.75 mm²
Display module
AC 230 V (red)
Rated insulation voltage Ui 250 V
Rated impulse voltage Uimp 2.5 kV
Utilization category
DC-13 4 A 24 V
AC-15 4 A 230 V
Switching voltage
min. at 10 mA 12 V
Switching current
min. at 24 V 1 mA
thermal rated current Ith 4 A

Mechanical values and environment

Anfahrgeschwindigkeit max. 20 m/min
Approach direction A
Connection type
1 x M20 x 1.5
Number of door position NO contacts 1
Number of door position positively driven contacts 1
Extraction force 35 N
Actuation frequency max. 1200 1/h
Actuating force 35 N
Installation orientation any
Insertion depth 52 mm
Storage temperature -25 ... 80 °C
Mechanical life 2 x 10⁶
Retention force 8 N
Switching principle Slow-action switching contact
Degree of protection IP67
Ambient temperature -25 ... 80 °C
Material
Contact Silver alloy, gold flashed
Housing Anodized die-cast alloy

Characteristic values according to EN ISO 13849-1 and EN IEC 62061

B10DMission time
Monitoring of the guard position4.5x10620 y
Important! Values valid at DC-13 100 mA/24V


In combination with actuator ACTUATOR-Z-G

Overtravel 4 mm

In combination with actuator ACTUATOR-Z-GN

Overtravel 16 mm

Accessories

Downloads

Complete package

Download all important documents with a single click.

Content:

  • The operating instructions and any additions to the operating instructions or brief instructions
  • Any data sheets to supplement the operating instructions
  • The declaration of conformity
Download Complete Package (ZIP, 5,2 MB)

Single Documents

Other Documents

Ordering data

Ordernumber 082121
Item designation NZ1VZ-528EL220-M
Gross weight 0,351kg
Customs tariff number 85365019000
ECLASS 27-27-26-02 Safety switch with separate actuator (Type 2)