RIEGEL NZ/TZ-S1/CF (Order no. 079785)
Bolt for safety switches NZ.VZ, NZ.VZ.VS and TZ with escape release
- Aluminum bolt
- For doors hinged on the left
- Bolt with escape lever
- Spring catch in open position
- Suitable for a door gap of approx. 5 mm

Description
Combination options
- Safety switch NZ.VZ
- Safety switch TZ, with escape release
Scope of delivery
- Bolt parts
- Actuator
To be ordered separately:
- Safety switch
Latching in open position
Latching in the open position is intended to prevent personnel from trapping themselves in a machine from the inside. After the door is opened, the actuator is automatically withdrawn into the bolt by a built-in return spring. When closing hinged doors, this prevents damage to the actuator due to misuse as a mechanical door stop.
Escape release
Bolts with escape release feature an escape lever enabling the bolt to be opened from inside a guard.
Door types and door hinges
Suitable for hinged or sliding doors.
Integrated lockout bar
With the aid of the integrated lockout bar, the bolt can be secured in the open position, e.g. using padlocks. It is possible to prevent people from being locked in the danger area unintentionally.

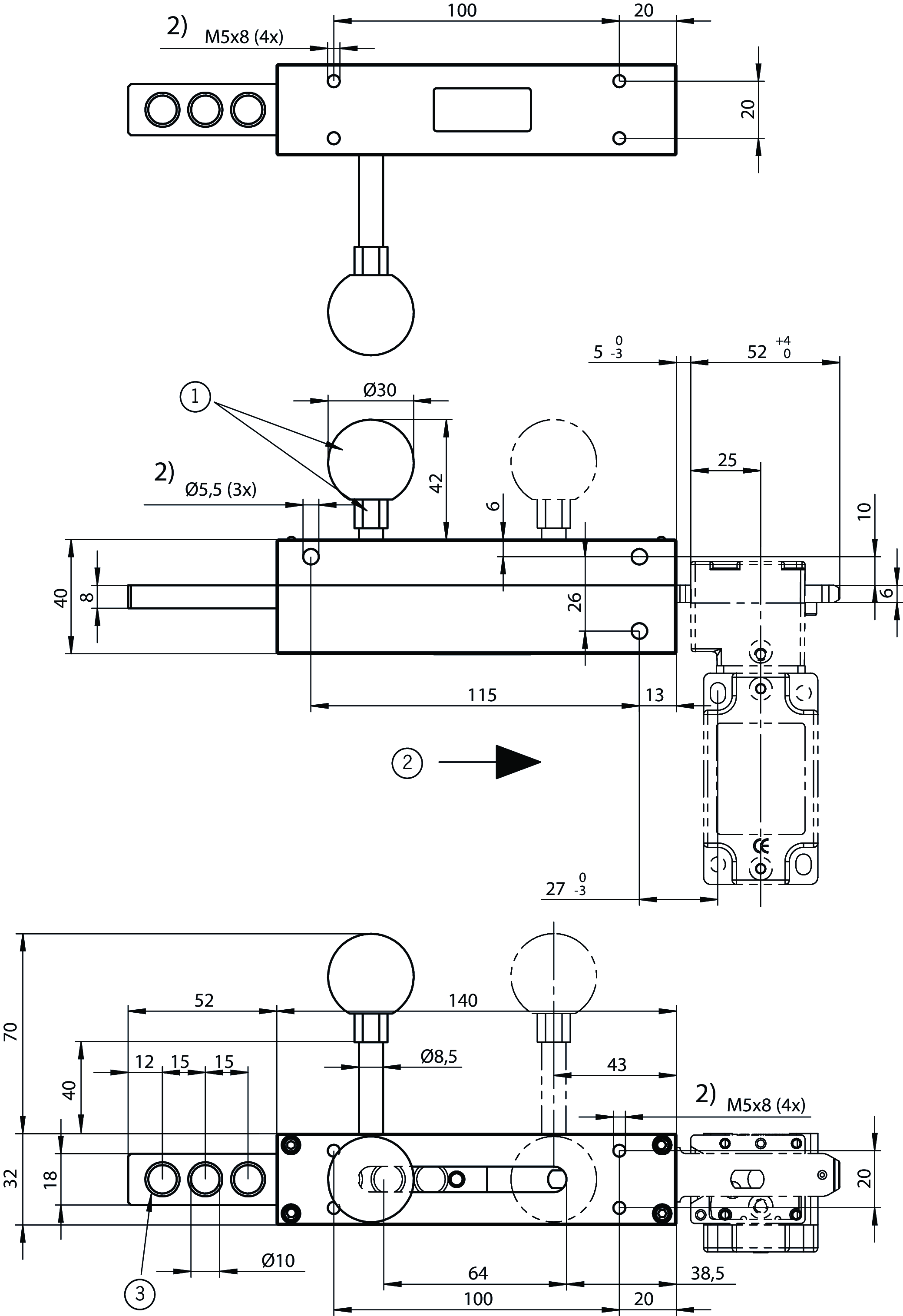
Dimensional drawings

| 1 | Ball head bonded in the lever so it cannot rotate. (included loose) |
| 1) | Additional information: The handle must be securely bonded in the thread for setup or after setting of the approach direction. Removing the handle with the system in operation is not allowed for reasons related to protection against tampering. Safety switch and actuator (bolt) must be combined correctly for mounting. Do not use safety switch as an end stop for the guard. |
| 2 | Safety switch NZ.VZ approach direction C |
| 2) | Bolt fastening |
| 3 | Hole for 3 padlocks |
Technical data
Mechanical values and environment
| Approach direction | C |
| Escape release | Yes |
| Storage temperature | -25 ... 70 °C |
| Material | |
| Sliding | Aluminum |
| Housing | Aluminum |
| Handle | Plastic |
Miscellaneous
| Detent mechanism | None |
Downloads
Complete package
Download all important documents with a single click.
Content:
- The operating instructions and any additions to the operating instructions or brief instructions
- Any data sheets to supplement the operating instructions
- The declaration of conformity
Single Documents
Fiche technique
Ficha de datos
Datenblatt
Ficha de dados
数据表
データ シート
데이터 시트
Datový list
Fiche technique
Ficha de datos
Datenblatt
Ficha de dados
数据表
データ シート
데이터 시트
Datový list
Information de sécurité pour verrous-targettes
Información de seguridad para cerrojos
Sicherheitsinformation für Riegel
Other Documents
CAD/eCAD
Ordering data
| Ordernumber | 079785 |
| Item designation | RIEGEL NZ/TZ-S1/CF |
| Gross weight | 0,67kg |
| Global Trade Item Number (GTIN) | 4047048000094 |
| Customs tariff number | 83014090000 |

