HomeProductsElectromechanical safety switches without guard lockingNZ.VZ robust safety switchNZ1VZ-2121E-MC1233
NZ1VZ-2121E-MC1233 (Order no. 089914)
Choose content
Safety switch NZ.VZ, protective plate, cable entry M20 x 1.5
- Cable entry M20 x 1.5
- 4 pos. driven contact
- Protective plate for switch head

Description
Protective plate for switch head
Makes tampering with the switch more difficult.
Switching element
2121H | Slow-action switching contact 4 positively driven contacts |
Accessories required
Actuator is not included.
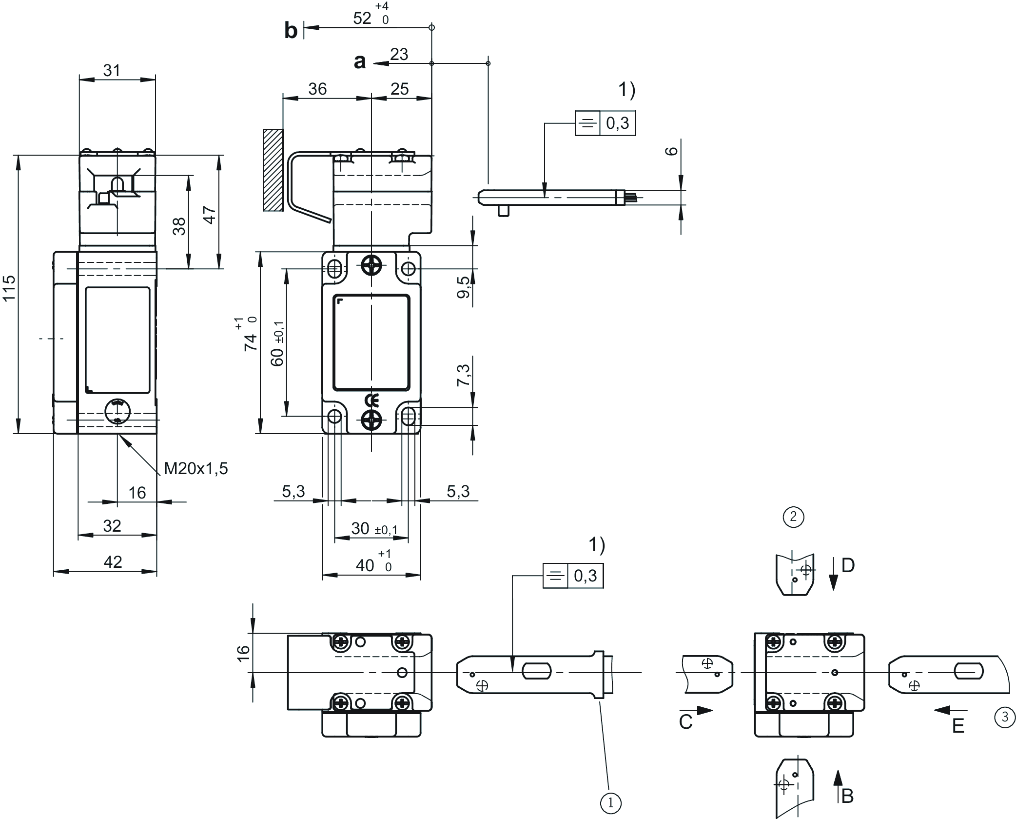
Functional drawings

Dimensional drawings

| 1) | Order actuator separately. The safety switch and actuator must be placed together for attachment to the machine. Do not use actuator as an end stop. Limit overtravel separately. |
| 2 | Actuating direction can be changed |
| 3 | Standard |
| a | Travel without operation: actuator is in the guide slot, but function is not triggered. |
| b | Switching operation completed: actuator must be inserted to this point to ensure safe switching. The actuator must be withdrawn at least to point a for switching off. |
Connection examples

Technical data
Approvals




Electrical connection values
| Fuse | max. 4 A gG |
| Connection cross section | 0.34 ... 1.5 mm² |
| Rated insulation voltage Ui | 250 V |
| Rated impulse voltage Uimp | 2.5 kV |
| Utilization category | |
| DC-13 | 4 A 24 V |
| AC-15 | 4 A 230 V |
| Switching voltage | |
| min. at 10 mA | 12 V |
| Switching current | |
| min. at 24 V | 1 mA |
| thermal rated current Ith | 4 A |
Mechanical values and environment
| Anfahrgeschwindigkeit | max. 20 m/min |
| Approach direction | A |
| Connection type | |
| 1 x | M20 x 1.5 |
| Number of door position positively driven contacts | 4 |
| Extraction force | 35 N |
| Actuation frequency | max. 1200 1/h |
| Actuating force | 35 N |
| Installation orientation | any |
| Insertion depth | 52 mm |
| Storage temperature | -25 ... 80 °C |
| Mechanical life | 2 x 10⁶ |
| Retention force | 8 N |
| Switching principle | Slow-action switching contact |
| Degree of protection | IP67 |
| Ambient temperature | -25 ... 80 °C |
| Material | |
| Contact | Silver alloy, gold flashed |
| Housing | Anodized die-cast alloy |
Characteristic values according to EN ISO 13849-1 and EN IEC 62061
| B10D | Mission time | |
|---|---|---|
| Monitoring of the guard position | 4.5x106 | 20 y |
| Important! Values valid at DC-13 100 mA/24V | ||
Miscellaneous
| C number | |
| C1233 |
In combination with actuator ACTUATOR-Z-G
| Overtravel | 4 mm |
In combination with actuator ACTUATOR-Z-GN
| Overtravel | 16 mm |
Accessories
Actuator
Actuator for safety switches NZ.VZ, NZ.VZ.VS and TZ

016849
BETAETIGER-Z-G
BETAETIGER-Z-G
- Two stainless-steel safety screws per actuator

074411
BETAETIGER-Z-G/V25
BETAETIGER-Z-G/V25
- Two stainless-steel safety screws per actuator
- Packaging unit 25 pieces

097436
BETAETIGER-Z-GME
BETAETIGER-Z-GME
- Made of solid stainless steel
- Two stainless-steel safety screws per actuator

072251
BETAETIGER-Z-GN
BETAETIGER-Z-GN
- Two stainless-steel safety screws per actuator
Metal bolt
Bolt for safety switches NZ.VZ and NZ.VZ.VS

104398
BTC-NZVZ-S-TH-00-X
BTC-NZVZ-S-TH-00-X
- Bolt for safety switches NZ.VZ and NZ.VZ.VS
- Die-cast aluminum bolt
- For doors hinged on the left or right
- Suitable for a door gap of approx. 15 mm

083890
RIEGEL NZ-AB
RIEGEL NZ-AB
- Bolt for safety switches NZ.VZ and NZ.VZ.VS
- Steel bolt
- For doors hinged on the right
- Ball detent mechanism in closed position
- Suitable for a door gap of approx. 15 mm

078455
RIEGEL NZ-AR2
RIEGEL NZ-AR2
- Bolt for safety switches NZ.VZ and NZ.VZ.VS
- Steel bolt
- For doors hinged on the right
- Detent knob in open position
- Detent knob mechanism in closed position
- Suitable for a door gap of approx. 15 mm

057735
RIEGEL NZ-C
RIEGEL NZ-C
- Bolt for safety switches NZ.VZ and NZ.VZ.VS
- Steel bolt
- For doors hinged on the left
- Suitable for a door gap of approx. 15 mm

083892
RIEGEL NZ-CB
RIEGEL NZ-CB
- Bolt for safety switches NZ.VZ and NZ.VZ.VS
- Steel bolt
- For doors hinged on the left
- Ball detent mechanism in closed position
- Suitable for a door gap of approx. 15 mm

078456
RIEGEL NZ-CR2
RIEGEL NZ-CR2
- Bolt for safety switches NZ.VZ and NZ.VZ.VS
- Steel bolt
- For doors hinged on the left
- Detent knob in open position
- Detent knob mechanism in closed position
- Suitable for a door gap of approx. 15 mm
Bolt for safety switches NZ.VZ, NZ.VZ.VS and TZ

028357
RIEGEL NZ/TZ-S1
RIEGEL NZ/TZ-S1
- Bolt for safety switches NZ.VZ, NZ.VZ.VS and TZ
- Aluminum bolt
- For doors hinged on the left or right.
- Spring catch in open position
- Suitable for a door gap of approx. 15 mm

028359
RIEGEL NZ/TZ-S2
RIEGEL NZ/TZ-S2
- Bolt for safety switches NZ.VZ, NZ.VZ.VS and TZ
- Aluminum bolt
- For doors hinged on the left or right.
- Spring catch in open position
- Suitable for a door gap of approx. 15 mm
Bolt with escape release for safety switch NZ.VZ

078451
RIEGEL NZ-AF
RIEGEL NZ-AF
- Bolt for safety switch NZ.VZ with escape release
- Steel bolt
- For doors hinged on the right
- Escape release
- Detent knob in open position
- Suitable for a door gap of approx. 15 mm

078452
RIEGEL NZ-CF
RIEGEL NZ-CF
- Bolt for safety switch NZ.VZ with escape release
- Steel bolt
- For doors hinged on the left
- Escape release
- Detent knob in open position
- Suitable for a door gap of approx. 15 mm
Mounting accessories
Downloads
Complete package
Download all important documents with a single click.
Content:
- The operating instructions and any additions to the operating instructions or brief instructions
- Any data sheets to supplement the operating instructions
- The declaration of conformity
Download Complete Package (ZIP, 6,0 MB)
Single Documents
Declarations of conformity
EU-Konformitätserklärung
Doc. no.
Version
Language
Size
EU-Konformitätserklärung
Doc. no.
EDC2539628
Version
Language
Size
0,2 MB
UKCA-Konformitätserklärung
Doc. no.
Version
Language
Size
UKCA-Konformitätserklärung
Doc. no.
EDC20001551
Version
Language
Size
0,1 MB
Instructions
Operating Instructions Safety Switch NZ.VZ
Doc. no.
Version
Language
Size
Operating Instructions Safety Switch NZ.VZ
Doc. no.
2094060
Version
08/25
Language
Size
0,8 MB
Mode d’emploi Interrupteur de sécurité NZ.VZ
Doc. no.
2094060
Version
08/25
Language
Size
0,8 MB
Manual de instrucciones Interruptor de seguridad NZ.VZ
Doc. no.
2094060
Version
08/25
Language
Size
0,8 MB
Betriebsanleitung Sicherheitsschalter NZ.VZ
Doc. no.
2094060
Version
08/25
Language
Size
0,9 MB
Istruzioni di impiego Finecorsa di sicurezza NZ.VZ
Doc. no.
2094060
Version
08/25
Language
Size
0,8 MB
Käyttöohje Turvakytkimet NZ.VZ
Doc. no.
2094060
Version
08/25
Language
Size
0,8 MB
Instrukcja obsługi Wyłącznik bezpieczeństwa NZ.VZ
Doc. no.
2094060
Version
08/25
Language
Size
1,3 MB
Instruktionsbok Säkerhetsbrytare NZ.VZ
Doc. no.
2094060
Version
08/25
Language
Size
0,8 MB
Návod na prevádzku Bezpečnostný spínač NZ.VZ
Doc. no.
2094060
Version
08/25
Language
Size
1,3 MB
Other Documents
Approvals and certificates
CCC
Doc. no.
Version
Language
Size
CCC
Doc. no.
20001849
Version
Language
Size
0,0 MB
DGUV
Doc. no.
Version
Language
Size
DGUV
Doc. no.
Version
Language
Size
3,3 MB
DNV-GL
Doc. no.
Version
Language
Size
DNV-GL
Doc. no.
Version
Language
Size
0,2 MB
WEEE
Doc. no.
Version
Language
Size
WEEE
Doc. no.
ECO20001806
Version
Language
Size
0,1 MB
c UL us
Doc. no.
Version
Language
Size
c UL us
Doc. no.
Version
Language
Size
0,3 MB
Sales documents
Safety Switches with Metal Housing
Doc. no.
Version
Language
Size
Safety Switches with Metal Housing
Doc. no.
100369
Version
11-03/18
Language
Size
7,8 MB
Interrupteurs de sécurité avec boîtier métallique
Doc. no.
100676
Version
11-03/18
Language
Size
7,9 MB
Interruptores de seguridad con carcasa metálica
Doc. no.
104856
Version
11-03/18
Language
Size
14,0 MB
Sicherheitsschalter mit Metallgehäuse
Doc. no.
100319
Version
11-03/18
Language
Size
7,9 MB
金属壳体 的安全开关
Doc. no.
102453
Version
11-03/18
Language
Size
8,2 MB
Bezpečnostní spínače s kovovým pouzdrem
Doc. no.
121650
Version
11-03/18
Language
Size
7,8 MB
ePlan macros
EUC.089914
Doc. no.
Version
Language
Size
EUC.089914
Doc. no.
Version
Language
Size
0,3 MB
CAD/eCAD
Ordering data
| Ordernumber | 089914 |
| Item designation | NZ1VZ-2121E-MC1233 |
| Gross weight | 0,375kg |
| Customs tariff number | 85365019000 |
| ECLASS | 27-27-26-02 Safety switch with separate actuator (Type 2) |



















