NX1-2131AL024-M (Order no. 091682)
Choose content
Safety switch NX, cable entry M20 x 1.5
- 3x cable entry M20 x 1.5
- 3 pos. driven contact
- 1 NO contacts
- LED indicator

Description
Switching element
2131H | Slow-action switching contact 3 positively driven contacts |
LED indicator
The switch has two freely assignable LED indicators (red and green).
Accessories required
Actuator is not included.
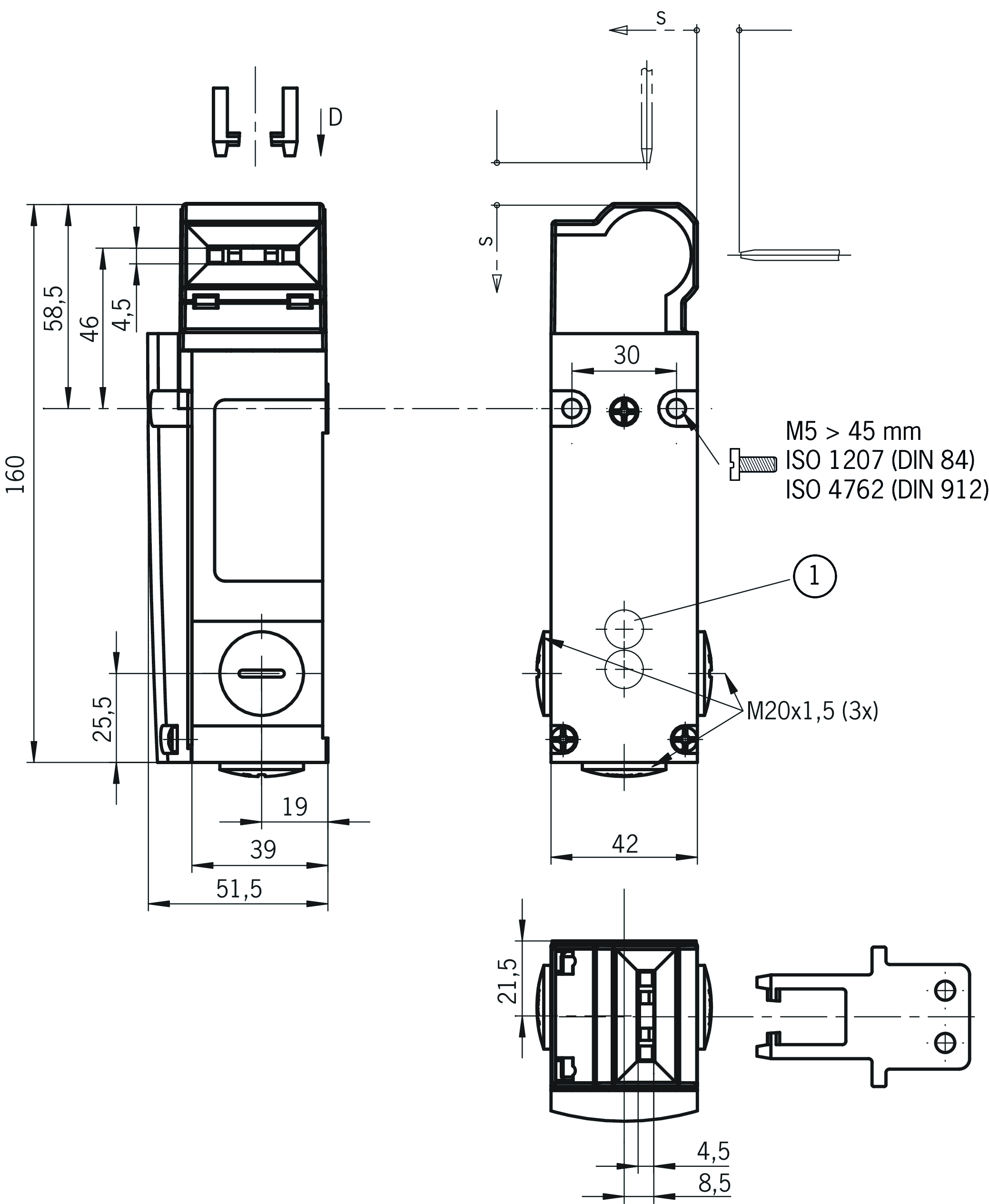
Functional drawings

Dimensional drawings

| 1 | LED indicator |
Connection examples

Technical data
Approvals




Electrical connection values
| Fuse | max. 4 A gG |
| Connection cross section | 0.34 ... 1.5 mm² |
| Display module | |
| AC/DC | 24 V -15% ... +10% (2 LEDs; green, red) |
| Rated insulation voltage Ui | 250 V |
| Rated impulse voltage Uimp | 2.5 kV |
| Utilization category | |
| DC-13 | 4 A 24 V |
| AC-15 | 4 A 230 V |
| Switching voltage | 12 V |
| Switching current | |
| min. at 24 V | 1 mA |
| thermal rated current Ith | 4 A |
Mechanical values and environment
| Anfahrgeschwindigkeit | max. 20 m/min |
| Approach direction | A |
| Connection type | |
| 3 x | M20 x 1.5 |
| Number of door position NO contacts | 1 |
| Number of door position positively driven contacts | 3 |
| Extraction force | 50 N |
| Actuation frequency | max. 6700 1/h |
| Actuating force | 40 N |
| Installation orientation | any |
| Insertion depth | 32 mm |
| Storage temperature | -25 ... 80 °C |
| Solenoid alignment | 3 |
| Mechanical life | 2 x 10⁶ |
| Retention force | 10 N |
| Switching principle | Slow-action switching contact |
| Degree of protection | IP67 |
| Ambient temperature | -20 ... 80 °C |
| Material | |
| Housing | Die-cast alloy cathodically dipped |
| Contact | Silver alloy, gold flashed |
Characteristic values according to EN ISO 13849-1 and EN IEC 62061
| B10D | Mission time | |
|---|---|---|
| Monitoring of the guard position | 4.5x106 | 20 y |
| Important! Values valid at DC-13 100 mA/24V | ||
In combination with actuator ACTUATOR-X-GNQ
| Overtravel | 8 mm |
In combination with actuator ACTUATOR-X-GQ
| Overtravel | 1 mm |
Accessories
Actuator
Downloads
Complete package
Download all important documents with a single click.
Content:
- The operating instructions and any additions to the operating instructions or brief instructions
- Any data sheets to supplement the operating instructions
- The declaration of conformity
Download Complete Package (ZIP, 2,3 MB)
Single Documents
Declarations of conformity
EU-Konformitätserklärung
Doc. no.
Version
Language
Size
EU-Konformitätserklärung
Doc. no.
EDC2539628
Version
Language
Size
0,2 MB
UKCA-Konformitätserklärung
Doc. no.
Version
Language
Size
UKCA-Konformitätserklärung
Doc. no.
EDC20001551
Version
Language
Size
0,1 MB
Instructions
Operating Instructions Safety Switch NX…
Doc. no.
Version
Language
Size
Operating Instructions Safety Switch NX…
Doc. no.
2093784
Version
05/25
Language
Size
0,6 MB
Mode d’emploi Interrupteur de sécurité NX…
Doc. no.
2093784
Version
05/25
Language
Size
0,6 MB
Manual de instrucciones Interruptor de seguridad NX…
Doc. no.
2093784
Version
05/25
Language
Size
0,6 MB
Betriebsanleitung Sicherheitsschalter NX…
Doc. no.
2093784
Version
05/25
Language
Size
0,6 MB
Istruzioni di impiego Finecorsa di sicurezza NX…
Doc. no.
2093784
Version
05/25
Language
Size
0,6 MB
Other Documents
Approvals and certificates
CCC
Doc. no.
Version
Language
Size
CCC
Doc. no.
20001849
Version
Language
Size
0,0 MB
DGUV
Doc. no.
Version
Language
Size
DGUV
Doc. no.
Version
Language
Size
2,6 MB
DNV-GL
Doc. no.
Version
Language
Size
DNV-GL
Doc. no.
Version
Language
Size
0,2 MB
WEEE
Doc. no.
Version
Language
Size
WEEE
Doc. no.
ECO20001806
Version
Language
Size
0,1 MB
c UL us
Doc. no.
Version
Language
Size
c UL us
Doc. no.
Version
Language
Size
0,3 MB
Sales documents
Safety Switches with Metal Housing
Doc. no.
Version
Language
Size
Safety Switches with Metal Housing
Doc. no.
100369
Version
11-03/18
Language
Size
7,8 MB
Interrupteurs de sécurité avec boîtier métallique
Doc. no.
100676
Version
11-03/18
Language
Size
7,9 MB
Interruptores de seguridad con carcasa metálica
Doc. no.
104856
Version
11-03/18
Language
Size
14,0 MB
Sicherheitsschalter mit Metallgehäuse
Doc. no.
100319
Version
11-03/18
Language
Size
7,9 MB
金属壳体 的安全开关
Doc. no.
102453
Version
11-03/18
Language
Size
8,2 MB
Bezpečnostní spínače s kovovým pouzdrem
Doc. no.
121650
Version
11-03/18
Language
Size
7,8 MB
CAD/eCAD
Ordering data
| Ordernumber | 091682 |
| Item designation | NX1-2131AL024-M |
| Gross weight | 0,459kg |
| Customs tariff number | 85365019000 |
| ECLASS | 27-27-26-02 Safety switch with separate actuator (Type 2) |
+ 1 NO contact













