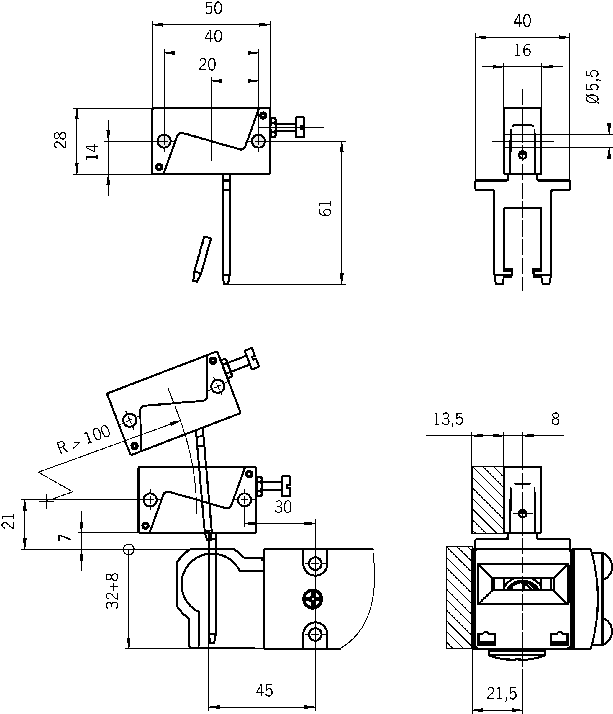
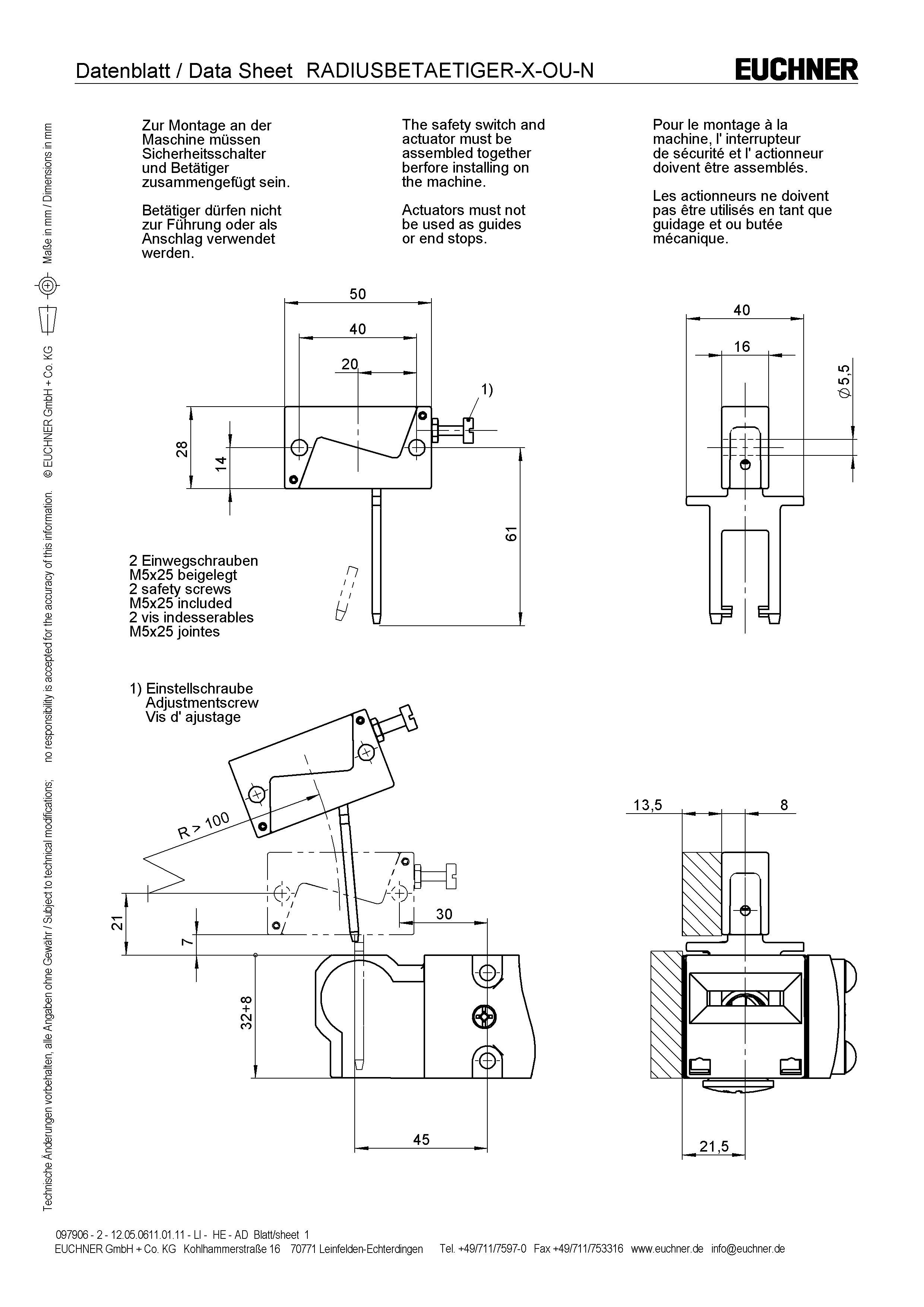
RADIUSBETAETIGER-X-OU-N (Order no. 097906)
Choose content
Hinged actuator, top/bottom, for safety switch NX/TX
- Actuator made of stainless steel
- Two stainless-steel safety screws per actuator

Description
Hinged actuators
For door radii less than 300 mm a hinged actuator should be used. The spring action movement of the actuator prevents damage due to the actuator jamming in the actuator head. Depending on the movement of the guard, the actuator must be selected for left/right or top/bottom.
Screws made of stainless steel
The safety screws included can be inserted with a normal tool, but cannot be removed again.

Dimensional drawings

Technical data
Mechanical values and environment
| Storage temperature | -25 ... 70 °C |
| Overtravel | max. 7 mm |
| Door radius | min. 100 mm |
| Material | |
| Screw | Stainless steel |
| Actuator | Stainless steel |
Miscellaneous
| Usability of insertion funnel | No |
Accessories
Downloads
Complete package
Download all important documents with a single click.
Content:
- The operating instructions and any additions to the operating instructions or brief instructions
- Any data sheets to supplement the operating instructions
- The declaration of conformity
Download Complete Package (ZIP, 0,2 MB)
Single Documents
Other Documents
Sales documents
Safety Switches with Metal Housing
Doc. no.
Version
Language
Size
Safety Switches with Metal Housing
Doc. no.
100369
Version
11-03/18
Language
Size
7,8 MB
Interrupteurs de sécurité avec boîtier métallique
Doc. no.
100676
Version
11-03/18
Language
Size
7,9 MB
Interruptores de seguridad con carcasa metálica
Doc. no.
104856
Version
11-03/18
Language
Size
14,0 MB
Sicherheitsschalter mit Metallgehäuse
Doc. no.
100319
Version
11-03/18
Language
Size
7,9 MB
金属壳体 的安全开关
Doc. no.
102453
Version
11-03/18
Language
Size
8,2 MB
Bezpečnostní spínače s kovovým pouzdrem
Doc. no.
121650
Version
11-03/18
Language
Size
7,8 MB
CAD/eCAD
Ordering data
| Ordernumber | 097906 |
| Item designation | RADIUSBETAETIGER-X-OU-N |
| Gross weight | 0,067kg |
| Customs tariff number | 85389099990 |
| ECLASS | 27-27-26-06 Actuator for safety-related position switch |

