NM03AK-M (Order no. 084563)

Safety switch NM.AK, hinged actuator as hollow shaft, long housing, cable entry M16 x 1.5

  • Hinged actuator as hollow shaft, inner diameter 8.2 mm
  • long housing
  • 3 x cable entry M16 x 1.5
  • 3 pos. driven contact
NM03AK-M (Order no. 084563)

Description

Head alignment

Actuating head can be adjusted in 90° steps.

Switching element

ES03

Slow-action switching contact 3 positively driven contacts

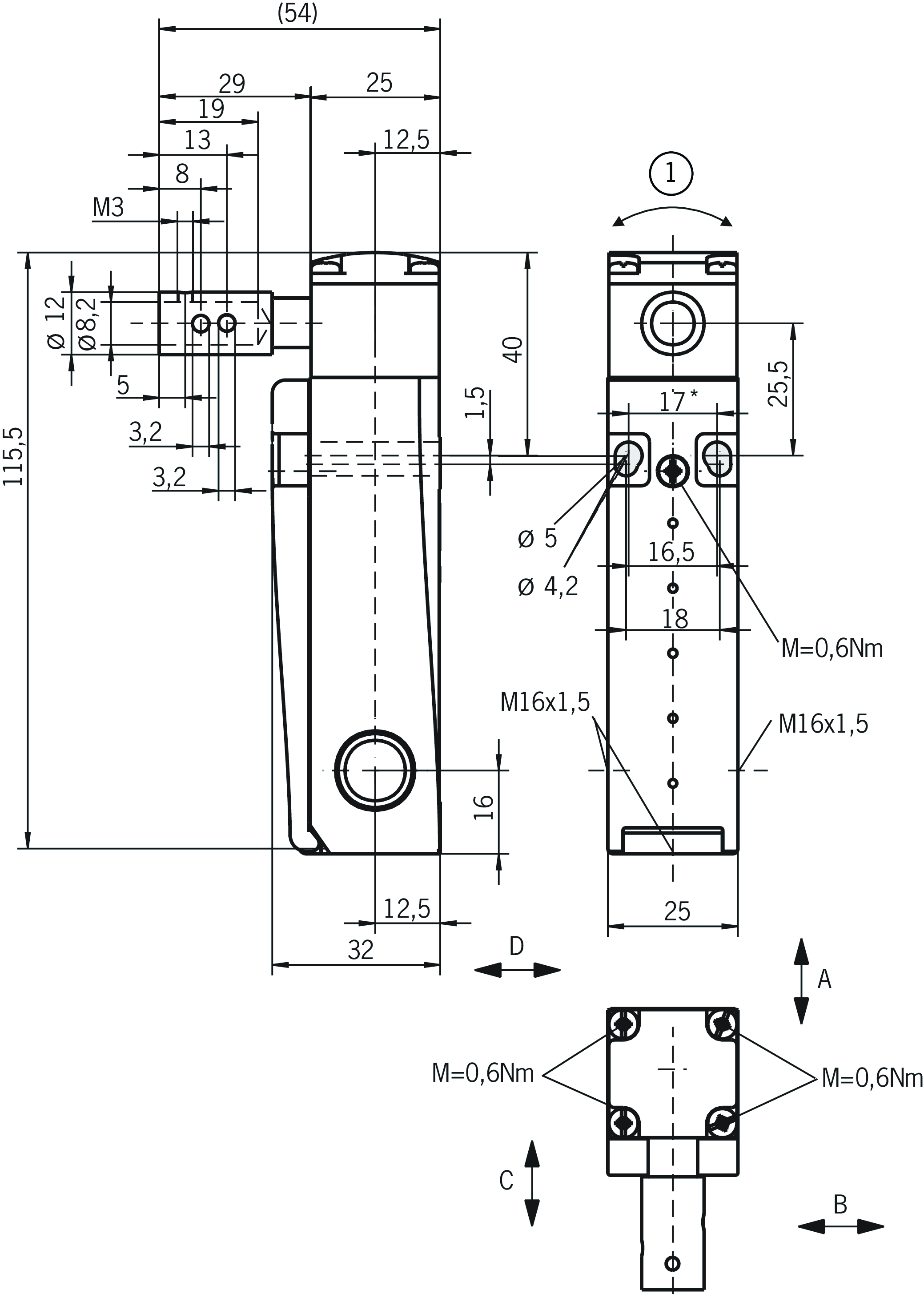
Dimension drawing
Dimension drawing
Wiring diagram ES03
Wiring diagram ES03
Travel diagram
Travel diagram
Electromechanical safety switches in use

Dimensional drawings

Dimensional drawings
*fixed positioning for safety-related applications (M5)
1Actuating direction

Connection examples

Connection examples

Shift travel diagrams

Shift travel diagrams
Contacts closed
Contacts open
Contacts positively driven

Technical data

Approvals

DGUV_NM_ET22043_ET22044CCC2024010305643584_SafetySwitch Nc_UL_us_E155795_6/1

Electrical connection values

Fuse max. 4 A gG
Connection cross section 0.34 ... 1.5 mm²
Rated insulation voltage Ui 250 V
Rated impulse voltage Uimp 2.5 kV
Utilization category
DC-13 4 A 24 V
AC-15 4 A 230 V
Switching voltage
min. at 10 mA 12 V
Switching current
min. at 24 V 1 mA
thermal rated current Ith 4 A

Mechanical values and environment

Anfahrgeschwindigkeit max. 60 m/min
Approach direction Head enclosed
Connection type
3 x M16 x 1.5
Number of door position positively driven contacts 3
Design long housing
Actuating element
Slide bearing plastic Hinged actuator hollow shaft (d = 10.2 mm)
Actuation frequency max. 5000 1/h
Actuating torque 0.1 Nm
Installation orientation any
Storage temperature -25 ... 80 °C
Mechanical life 4 x 10⁶
Switching principle Slow-action switching contact
Degree of protection IP67
Ambient temperature -20 ... 80 °C
Material
Contact Silver alloy, gold flashed
Housing Reinforced thermoplastic

Characteristic values according to EN ISO 13849-1 and EN IEC 62061

B10DMission time
Safe position sensing2x10720 y
Important! Values valid at DC-13 100 mA/24V


Downloads

Complete package

Download all important documents with a single click.

Content:

  • The operating instructions and any additions to the operating instructions or brief instructions
  • Any data sheets to supplement the operating instructions
  • The declaration of conformity
Download Complete Package (ZIP, 2,6 MB)

Single Documents

Other Documents

Ordering data

Ordernumber 084563
Item designation NM03AK-M
Gross weight 0,13kg
Customs tariff number 85365019000
ECLASS 27-27-26-01 Safety position switch (Type 1)