HomeProductsElectromechanical safety switches without guard lockingNM small plastic switch; large selection of actuating headsNM03AG-M
NM03AG-M (Order no. 084557)
Choose content
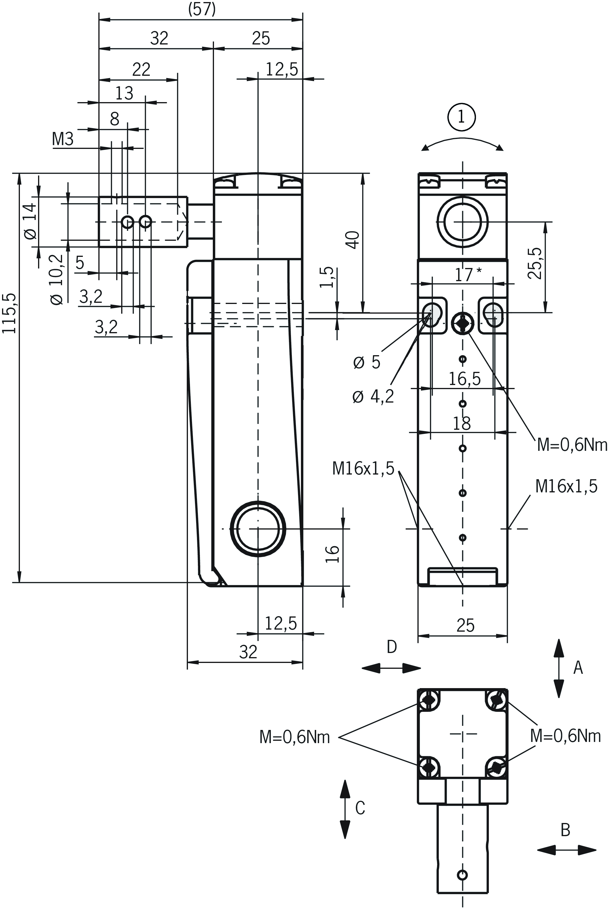
Safety switch NM.AG, hinged actuator as hollow shaft, long housing, cable entry M16 x 1.5
- Hinged actuator as hollow shaft, inner diameter 10.2 mm
- long housing
- 3 x cable entry M16 x 1.5
- 3 pos. driven contact

Description
Head alignment
Actuating head can be adjusted in 90° steps.
Switching element
ES03 | Slow-action switching contact 3 positively driven contacts |
Dimensional drawings

| * | fixed positioning for safety-related applications (M5) |
| 1 | Actuating direction |
Connection examples

Shift travel diagrams

![]() | Contacts closed |
![]() | Contacts open |
![]() | Contacts positively driven |
Technical data
Approvals



Electrical connection values
| Fuse | max. 4 A gG |
| Connection cross section | 0.34 ... 1.5 mm² |
| Rated insulation voltage Ui | 250 V |
| Rated impulse voltage Uimp | 2.5 kV |
| Utilization category | |
| DC-13 | 4 A 24 V |
| AC-15 | 4 A 230 V |
| Switching voltage | |
| min. at 10 mA | 12 V |
| Switching current | |
| min. at 24 V | 1 mA |
| thermal rated current Ith | 4 A |
Mechanical values and environment
| Anfahrgeschwindigkeit | max. 60 m/min |
| Approach direction | Head enclosed |
| Connection type | |
| 3 x | M16 x 1.5 |
| Number of door position positively driven contacts | 3 |
| Design | long housing |
| Actuating element | |
| Slide bearing plastic | Hinged actuator hollow shaft (d = 10.2 mm) |
| Actuation frequency | max. 5000 1/h |
| Actuating torque | 0.1 Nm |
| Installation orientation | any |
| Storage temperature | -25 ... 80 °C |
| Mechanical life | 4 x 10⁶ |
| Switching principle | Slow-action switching contact |
| Degree of protection | IP67 |
| Ambient temperature | -20 ... 80 °C |
| Material | |
| Housing | Reinforced thermoplastic |
| Contact | Silver alloy, gold flashed |
Characteristic values according to EN ISO 13849-1 and EN IEC 62061
| B10D | Mission time | |
|---|---|---|
| Safe position sensing | 2x107 | 20 y |
| Important! Values valid at DC-13 100 mA/24V | ||
Accessories
Downloads
Complete package
Download all important documents with a single click.
Content:
- The operating instructions and any additions to the operating instructions or brief instructions
- Any data sheets to supplement the operating instructions
- The declaration of conformity
Download Complete Package (ZIP, 2,6 MB)
Single Documents
Declarations of conformity
EU-Konformitätserklärung
Doc. no.
Version
Language
Size
EU-Konformitätserklärung
Doc. no.
EDC2539628
Version
Language
Size
0,2 MB
UKCA-Konformitätserklärung
Doc. no.
Version
Language
Size
UKCA-Konformitätserklärung
Doc. no.
EDC20001551
Version
Language
Size
0,1 MB
Instructions
Operating Instructions Safety Switch NM..AK/AG
Doc. no.
Version
Language
Size
Operating Instructions Safety Switch NM..AK/AG
Doc. no.
2084468
Version
08/25
Language
Size
0,9 MB
Mode d’emploi Interrupteur de sécurité NM..AK/AG
Doc. no.
2084468
Version
08/25
Language
Size
0,9 MB
Manual de instrucciones Interruptor de seguridad NM..AK/AG
Doc. no.
2084468
Version
08/25
Language
Size
0,9 MB
Betriebsanleitung Sicherheitsschalter NM..AK/AG
Doc. no.
2084468
Version
08/25
Language
Size
0,9 MB
Istruzioni di impiego Finecorsa di sicurezza NM..AK/AG
Doc. no.
2084468
Version
08/25
Language
Size
0,9 MB
Other Documents
Approvals and certificates
CCC
Doc. no.
Version
Language
Size
CCC
Doc. no.
20001753
Version
Language
Size
0,0 MB
DGUV
Doc. no.
Version
Language
Size
DGUV
Doc. no.
Version
Language
Size
5,6 MB
WEEE
Doc. no.
Version
Language
Size
WEEE
Doc. no.
ECO20001806
Version
Language
Size
0,1 MB
c UL us
Doc. no.
Version
Language
Size
c UL us
Doc. no.
Version
Language
Size
0,3 MB
Sales documents
Safety Switches with Plastic Housing
Doc. no.
Version
Language
Size
Safety Switches with Plastic Housing
Doc. no.
096956
Version
11-03/18
Language
Size
6,5 MB
Interrupteurs de sécurité avec boîtier plastique
Doc. no.
100677
Version
11-03/18
Language
Size
6,6 MB
Interruptores de seguridad con carcasa plástica
Doc. no.
104855
Version
11-03/18
Language
Size
6,6 MB
Sicherheitsschalter mit Kunststoffgehäuse
Doc. no.
096955
Version
11-03/18
Language
Size
6,6 MB
塑料壳体 的安全开关
Doc. no.
116243
Version
11-03/18
Language
Size
6,1 MB
Bezpečnostní spínače s plastovým pouzdrem
Doc. no.
121649
Version
11-03/18
Language
Size
6,5 MB
CAD/eCAD
Ordering data
| Ordernumber | 084557 |
| Item designation | NM03AG-M |
| Gross weight | 0,133kg |
| Customs tariff number | 85365019000 |
| ECLASS | 27-27-26-01 Safety position switch (Type 1) |











