MGB-A-MOUNTINGPLATE-H-109491 (Order no. 109491)
Choose content
Mounting plate for all MGB handle modules
- Easy and quick mounting (only two screws required)
- Quick module replacement
- Steel, powder coated
- Suitable for doors hinged on the right and left

Description
Mounting plate for handle module
Suitable for all MGB handle modules. 2 screws are sufficient for fastening the mounting plates.
Important: Only use if the evaluation module is also fastened to a mounting plate.
Fixing material for handle module on mounting plate included

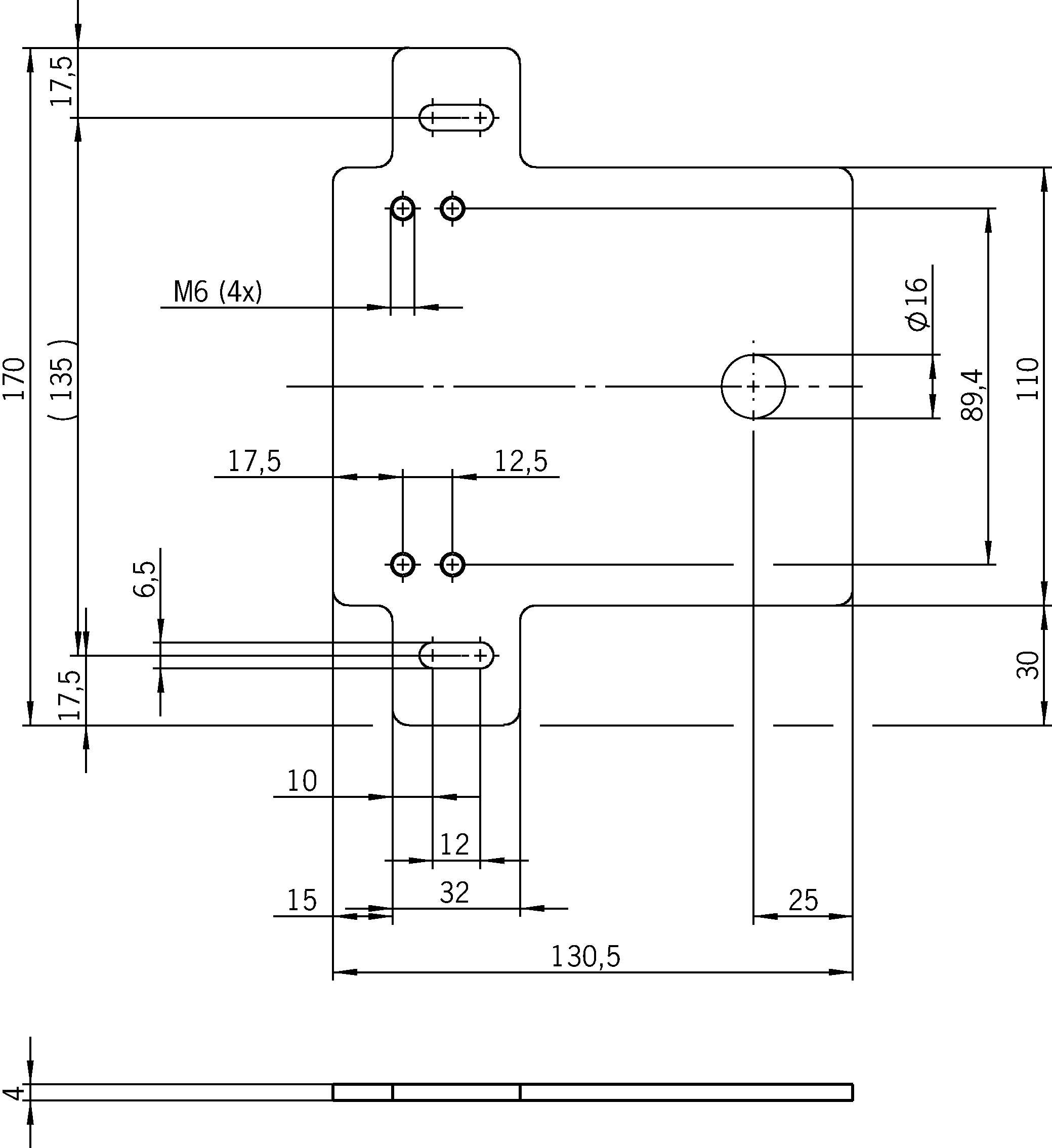
Dimensional drawings

Technical data
Mechanical values and environment
| Storage temperature | -25 ... 70 °C |
| Material | Steel, powder coated |
Miscellaneous
| Color | black |
| Compatibility | For devices MGB-H |
| Additional feature | incl. fixing material for MGB-H on mounting plate |
Downloads
Complete package
Download all important documents with a single click.
Content:
- The operating instructions and any additions to the operating instructions or brief instructions
- Any data sheets to supplement the operating instructions
- The declaration of conformity
Download Complete Package (ZIP, 0,1 MB)
Single Documents
Other Documents
CAD/eCAD
Ordering data
| Ordernumber | 109491 |
| Item designation | MGB-A-MOUNTINGPLATE-H-109491 |
| Gross weight | 0,534kg |
| Global Trade Item Number (GTIN) | 4047048006713 |
| Customs tariff number | 85371098 |

