MGB-A-MOUNTINGPLATE-H-109491 (Best. Nr. 109491)
Inhalte wählen
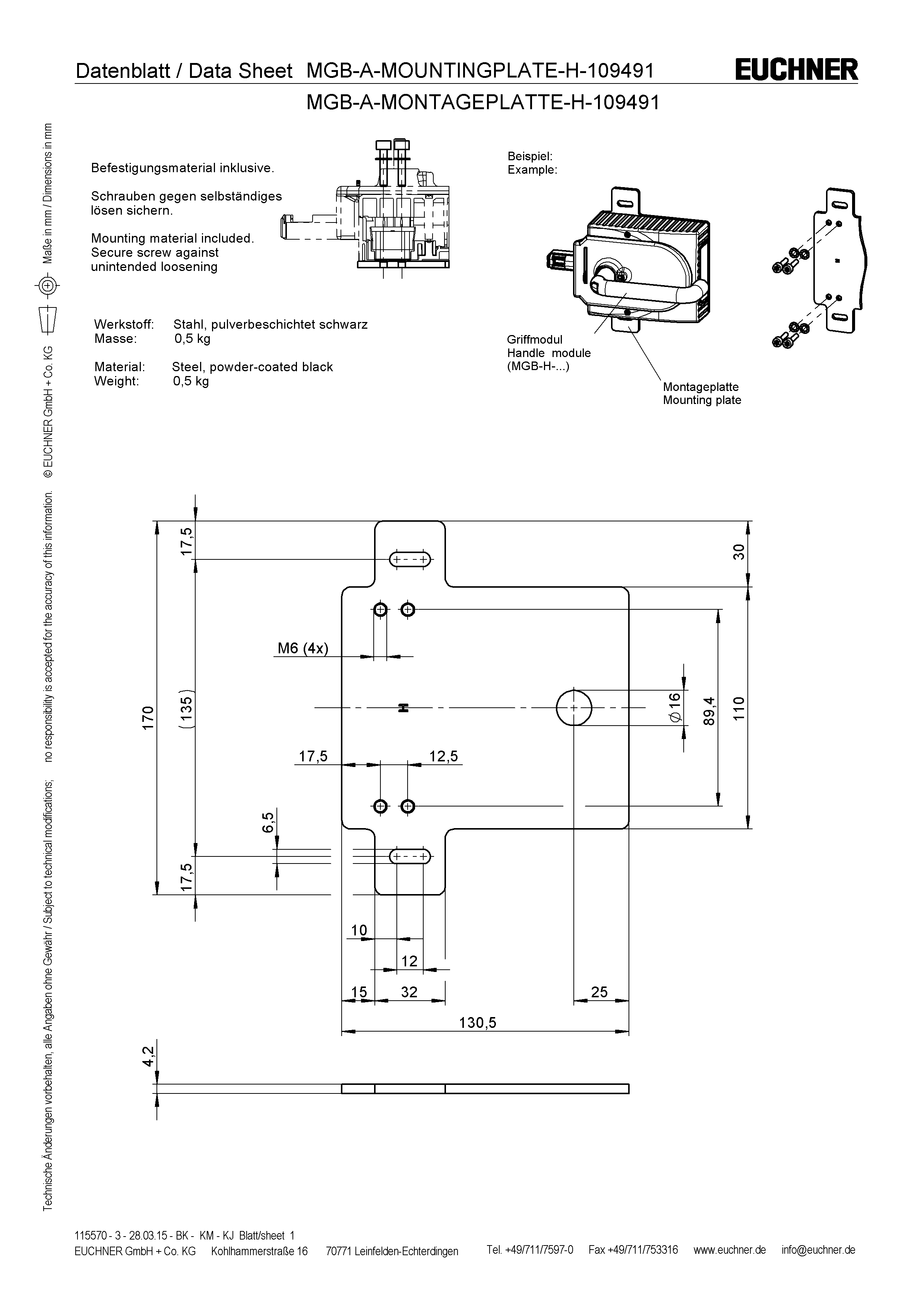
Montageplatte für alle MGB-Griffmodule
- Einfache und schnelle Montage (nur zwei Schrauben erforderlich)
- Schneller Modultausch
- Stahl, pulverbeschichtet
- Für rechts und links angeschlagene Türen geeignet

Beschreibung
Montageplatte für Griffmodul
Geeignet für alle MGB-Griffmodule. Für die Befestigung der Montageplatten reichen 2 Schrauben.
Wichtig:Nur verwenden, wenn das Auswertemodul ebenfalls auf einer Montageplatte befestigt ist.
Lieferung enthält Befestigunsmaterial für Griffmodul auf Montageplatte

Maßzeichnungen

Technische Daten
Mechanische Werte und Umgebung
| Lagertemperatur | -25 ... 70 °C |
| Werkstoff | Stahl, pulverbeschichtet |
Verschiedenes
| Farbe | schwarz |
| Kompatibilität | Für Geräte MGB-H |
| Zusätzliches Merkmal | inkl. Befestigungsmaterial für MGB-H auf Montageplatte |
Downloads
Gesamtpaket
Alle wichtigen Dokumente mit einem Klick downloaden.
Enthält:
- Die Betriebsanleitung und ggf. Ergänzungen zur Betriebsanleitung oder Kurzanleitungen
- Ggf. Datenblätter als Ergänzung zur Betriebsanleitung
- Die Konformitätserklärung
Gesamtpaket herunterladen (ZIP, 0,1 MB)
Einzeldokumente
Sonstige Dokumente
CAD/eCAD
Bestelldaten
| Bestellnummer | 109491 |
| Artikelbezeichnung | MGB-A-MOUNTINGPLATE-H-109491 |
| Bruttogewicht | 0,534kg |
| Global Trade Item Number (GTIN) | 4047048006713 |
| Zolltarifnummer | 85371098 |

