CES-AR-C01-AH-SA (Order no. 098941)
Safety switch CES-AR-C01-..., RFID, plug connector M12
- Unicode
- Door position monitoring output OUT
- Plug connector M12, 8-pin

Description
Approach direction and installation position
1 active face, can be repositioned in 5 directions
Unicode evaluation
Each actuator is highly coded (unicode). The switch detects only taught-in actuators. Additional actuators can be taught-in.
Only the last actuator taught-in is detected.
Safety characteristics
Due to two redundantly designed safety outputs (semiconductor outputs) with internal monitoring, the device is suitable for:
- Category 4 /PL e according to EN 13849-1
- SIL 3 according to EN IEC 62061 Table 4
The OSSD outputs used check their function for short circuits using test pulses.
LED indicator
STATE | Status LED |
DIA | Diagnostics LED |
Typical actuating ranges
With actuators CES-A-BBA and CES-A-BCA
For a side approach direction for the actuator and safety switch, a minimum distance of s = 4 mm must be maintained so that the actuating range of the side lobes is not entered.
With actuator CES-A-BPA
For a side approach direction for the actuator and safety switch, a minimum distance of s = 6 mm must be maintained so that the actuating range of the side lobes is not entered.
Attention:
The actuating range may vary depending on the actuator, substrate material and installation situation. You can find additional actuating ranges in the operating instructions.
Plug connector aligned C01
Plug connector in can be adjusted in 6 orientations.
Terminal assignment
Accessories required
Actuator is not included.



Dimensional drawings

Dimensional drawings

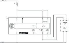
Connection examples

Technical data
Approvals


Workspace
| Repeat accuracy R | 10 % |
Electrical connection values
| Fuse | |
| external (operating voltage) | 0.25 ... 8 A |
| Rated insulation voltage Ui | 75 V (Tested up to 75 V by employers' liability insurance association) |
| Rated impulse voltage Uimp | 1.5 kV |
| Operating voltage DC | |
| UB | 24 V DC -15% ... +15% reverse polarity protected, regulated, residual ripple<5%, PELV |
| Turn-on time | |
| Safety outputs | max. 400 ms |
| EMC protection requirements | Acc. to EN IEC 60947-5-3 |
| Risk time according to EN 60947-5-3 | max. 260 ms |
| Risk time according to EN 60947-5-3, extension for each additional device | max. 5 ms |
| Safety class | III |
| Current consumption | |
| no load on outputs | max. 50 mA |
| Degree of contamination (external, according to EN 60947-1) | 3 |
| Monitoring output OUT | |
| Output type | p-switching, short circuit-proof |
| Output voltage | 0.8 x UB ... UB V DC (Values at a switching current of 50 mA without taking into account the cable lengths.) |
| Switching current | max. 200 mA |
| Safety outputs OA / OB | |
| Output type | Semiconductor outputs, p-switching, short circuit-proof |
| Output voltage | |
| LOW U(OA,OB) | 0 ... 1 V DC |
| HIGH U(OA,OB) | UB-1.5 ... UB V DC (Values at a switching current of 50 mA without taking into account the cable lengths.) |
| rated conditional short-circuit current | 100 A |
| Discrepancy time | max. 10 ms |
| Utilization category | |
| DC-13 | 24V 400mA (Caution: outputs must be protected with a free-wheeling diode in case of inductive loads.) |
| Off-state current Ir | max. 0.25 mA |
| Switching current | |
| per safety output | 1 ... 400 mA |
| Test pulse duration | max. 1 ms |
Mechanical values and environment
| Connection type | M12 plug connector, 8-pin |
| Tightening torque | |
| Fixing screws | max. 1 Nm |
| Ready delay | 10 s |
| Installation orientation | any |
| Switching frequency | max. 1 Hz |
| Storage temperature | -25 ... 70 °C |
| Mounting distance | min. 40 mm |
| Shock and vibration resistance | Acc. to EN IEC 60947-5-3 |
| Degree of protection | IP67 |
| Ambient temperature | -20 ... 55 °C |
| Material | |
| Housing | Plastic, PBT |
Characteristic values according to EN ISO 13849-1 and EN IEC 62061
| PL | Maximum SIL | PFHD | Category | Mission time | |
|---|---|---|---|---|---|
| Monitoring of the guard position | PL e | - | 2.1x10-9 | 4 | 20 y |
Miscellaneous
| Notices for UL approval | Operation only with UL Class 2 power supply or equivalent measures |
In combination with actuator CES-A-BPA-098775
| Switch-on distance | 22 mm (on surface mounting on aluminum. In a non-metallic environment, the typical operating distances increase to 30 mm) |
| Secured switch-off distance sar | 58 mm |
| Secured switching distance sao | min. 18 mm |
| Switching hysteresis | 1 ... 2 mm |
In combination with actuator CES-A-BDA-18-156935
| Switch-on distance | 19 mm (for surface mounting) |
| Secured switch-off distance sar | 45 mm (for surface mounting) |
| Secured switching distance sao | min. 10 mm (for surface mounting) |
| Switching hysteresis | 1 ... 3 mm (for surface mounting) |
In combination with actuator CES-A-BRN-100251
| Switch-on distance | 27 mm |
| Secured switch-off distance sar | 75 mm |
| Secured switching distance sao | min. 20 mm (The values apply to surface mounting of the actuator on steel.) |
| Switching hysteresis | 3 mm (The values apply to surface mounting of the actuator on steel.) |
In combination with actuator CES-A-BBA-071840
| Switch-on distance | 18 mm |
| Secured switch-off distance sar | 45 mm (for surface mounting) |
| Secured switching distance sao | min. 15 mm (for surface mounting) |
| Switching hysteresis | 1 ... 3 mm (for surface mounting) |
Accessories

C-M12F05-05X025PU10,0-M12M05-115565
- M12 female plug, 5-pin (angled) to M12 plug connector (straight)
- plug connectors at both ends
- PUR cable
- Cable length 10 m
- with cable exit A (right)

C-M12F05-05X025PU10,0-M12M05-115566
- M12 female plug, 5-pin (angled) to M12 plug connector (straight)
- plug connectors at both ends
- PUR cable
- Cable length 10 m
- with cable exit C (left)

AC-YD-V0,2-SBB-111696
- For the series connection of AR/BR safety switches in switch chains
- Y-distributor M12 with connecting cable, 2 x 5-pin, 1 x 8-pin
- Straight plug connector
- PVC cable
- Cable length 0.2 m

AC-YD-V1,0-SBB-112395
- For the series connection of AR/BR safety switches in switch chains
- Y-distributor M12 with connecting cable, 2 x 5-pin, 1 x 8-pin
- Straight plug connector
- PVC cable
- Cable length 1 m

RIEGEL CES-AC-AR-C01-AH-SA-C2296
- Bolt for switch CES-C01
- Steel bolt
- For doors hinged on the left or right
- Ball detent mechanism in closed position
- Suitable for a door gap of approx. 7 mm
- Protective plate for safety switch

RIEGEL CES-AR-C/F
- Bolt for switch CES-C01
- Steel bolt
- For doors hinged on the left or right
- Bolt with escape lever
- Detent knob in open position
- Ball detent mechanism in closed position
- Suitable for a door gap of approx. 15 mm
- Protective plate for safety switch
Downloads
Complete package
Download all important documents with a single click.
Content:
- The operating instructions and any additions to the operating instructions or brief instructions
- Any data sheets to supplement the operating instructions
- The declaration of conformity
Single Documents
Other Documents
ePlan macros
Ordering data
| Ordernumber | 098941 |
| Item designation | CES-AR-C01-AH-SA |
| Gross weight | 0,19kg |
| Global Trade Item Number (GTIN) | 4047048005433 |
| Customs tariff number | 85365019000 |
| ECLASS | 27-27-24-03 Safety-related transponder switch |














