CIT3APL1N30-STA (Best. Nr. 071900)
Inhalte wählen
Nur-Lesekopf CIT3A mit paralleler Schnittstelle, axial steckbar

Beschreibung
Achtung:
Die Länge der Anschlussleitung darf bei Verwendung einer abgeschirmten Leitung max. 50 m betragen.


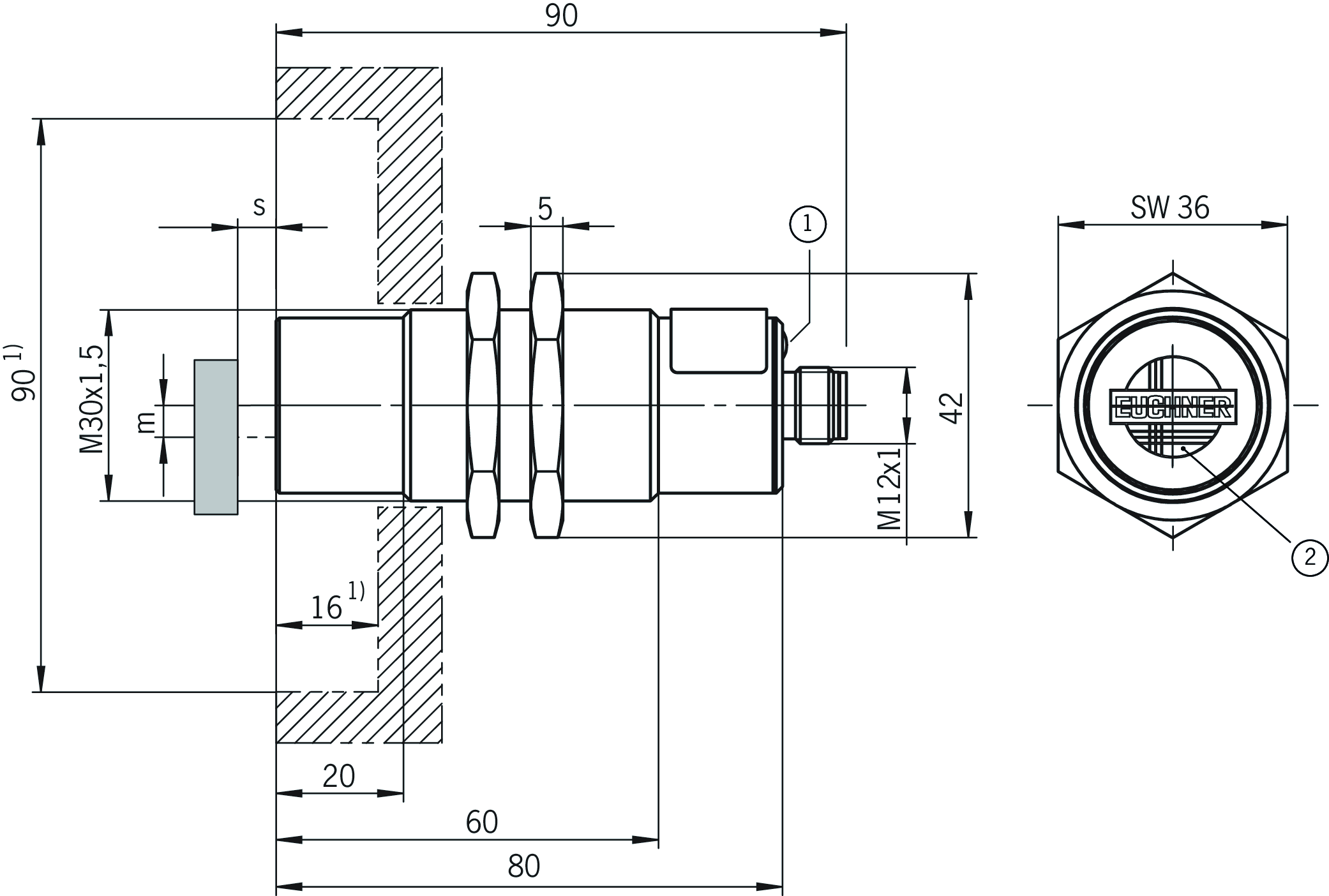
Maßzeichnungen

| 1 | LED |
| 1) | Freizone |
| 2 | Aktive Fläche |
| m | Mittenversatz |
| s | Leseabstand |
Anschlussbeispiele

Technische Daten
Elektrische Anschlusswerte
| Art des Ausgangs | Push-Pull |
| Ausgangsspannung | |
| min. UB -3 V DC für HIGH - Pegel | |
| 0 ... 2 V DC für LOW - Pegel | |
| Betriebsspannung DC | 20 ... 24 ... 28 V DC (Alle elektrischen Anschlüsse müssen entweder durch Sicherheitstransformatoren nach IEC/ EN 61558-2-6 mit Begrenzung der Ausgangsspannung im Fehlerfall oder durch gleichwertige Isolationsmaßnahmen vom Netz isoliert werden.) |
| Eingangsspannung | |
| max. 2 V DC SKIP Eingang LOW - Pegel | |
| min. 15 V DC SKIP Eingang HIGH - Pegel | |
| Schaltstrom | |
| je Ausgang | max. 30 mA |
| Stromaufnahme | |
| ohne Last | 65 ... 100 mA |
| Widerstand | 4.5 kΩ Eingangswiderstand SKIP Eingang |
Mechanische Werte und Umgebung
| Anschlussart | M12-Stecker, 8-polig, axial steckbar (Der Schirm der Anschlussleitung ist über die Rändelmutter des M12-Steckverbinders leitend mit dem Gehäuse des Lesekopfs verbunden.) |
| Lagertemperatur | -25 ... 70 °C |
| Montageart | nichtbündig |
| Schutzart | IP67 |
| Umgebungstemperatur | 0 ... 50 °C |
| Werkstoff | |
| Gehäuse | CuZn, vernickelt |
Interface
| Datenschnittstelle | 4-Bit parallel, binär über HIGH/LOW-Pegel codiert |
In Kombination mit Betätiger CIS3AP50X50SH16YSNOU, CIS3AP50X50SH16YSNOP
| Leseabstand | |
| bei 25°C | 7 ... 12 ... 20 mm (Die Einhaltung des Mindestabstandes ist erforderlich, damit bei Annäherung das Datenträgers von der Seite die Datenübertragung in den Lesekopf störungsfrei funktioniert.) |
| Mittenversatz | |
| bei s = 12 mm Leseabstand | 11 mm |
Zubehör
Downloads
Gesamtpaket
Alle wichtigen Dokumente mit einem Klick downloaden.
Enthält:
- Die Betriebsanleitung und ggf. Ergänzungen zur Betriebsanleitung oder Kurzanleitungen
- Ggf. Datenblätter als Ergänzung zur Betriebsanleitung
- Die Konformitätserklärung
Gesamtpaket herunterladen (ZIP, 2,2 MB)
Einzeldokumente
Datenblätter
Datenblatt
Dok.-Nr.
Version
Sprache
Größe
Datenblatt
Data sheet
Fiche technique
Ficha de datos
Ficha de dados
数据表
データ シート
데이터 시트
Datový list
Data sheet
Fiche technique
Ficha de datos
Ficha de dados
数据表
データ シート
데이터 시트
Datový list
Dok.-Nr.
2127632
Version
01
Sprache
Größe
0,6 MB
Datenblatt
Data sheet
Fiche technique
Ficha de datos
Ficha de dados
数据表
データ シート
데이터 시트
Datový list
Data sheet
Fiche technique
Ficha de datos
Ficha de dados
数据表
データ シート
데이터 시트
Datový list
Dok.-Nr.
2127632
Version
01
Sprache
Größe
0,6 MB
Konformitätserklärungen
EU-Konformitätserklärung
Dok.-Nr.
Version
Sprache
Größe
EU-Konformitätserklärung
Dok.-Nr.
EDC2077155
Version
Sprache
Größe
0,2 MB
UKCA-Konformitätserklärung
Dok.-Nr.
Version
Sprache
Größe
UKCA-Konformitätserklärung
Dok.-Nr.
EDC20001517
Version
Sprache
Größe
0,1 MB
Sonstige Dokumente
Zulassungen und Bescheinigungen
WEEE
Dok.-Nr.
Version
Sprache
Größe
WEEE
Dok.-Nr.
ECO20001806
Version
Sprache
Größe
0,1 MB
EPLAN Makros
EUC.071900
Dok.-Nr.
Version
Sprache
Größe
EUC.071900
Dok.-Nr.
Version
Sprache
Größe
0,2 MB
Bestelldaten
| Bestellnummer | 071900 |
| Artikelbezeichnung | CIT3APL1N30-STA |
| Bruttogewicht | 0,22kg |
| Zolltarifnummer | 85389099990 |
| ECLASS | 27-28-04-01 Identifikation, RFID Reader |


