ZSM2200-116714 (Obj. č. 116714)
Zvolte obsah
ZSM, vibrační motor, otočný spínač s klíčem
- 3stupňová funkce
- Vibrační signál
- Otočný spínač s klíčem
- Přímý připojovací kabel, 12 m

Popis
3stupňová funkce
Potvrzovací funkce je aktivní jen na druhém stupni (středová poloha, tlakový bod). Uvolněním nebo stisknutím za tlakový bod (panická funkce) se potvrzovací funkce zruší (v závislosti na zapojení, viz průběh funkcí).
Vibrační signál
Vibrační signál slouží k taktilnímu zpětnému hlášení potvrzovací polohy.
Otočný spínač s klíčem
Pro individuální použití, např. jako otočný spínač provozních režimů.
Kabel
Kvalitní připojovací kabely jsou k dispozici v přímém provedení.




Rozměrové výkresy

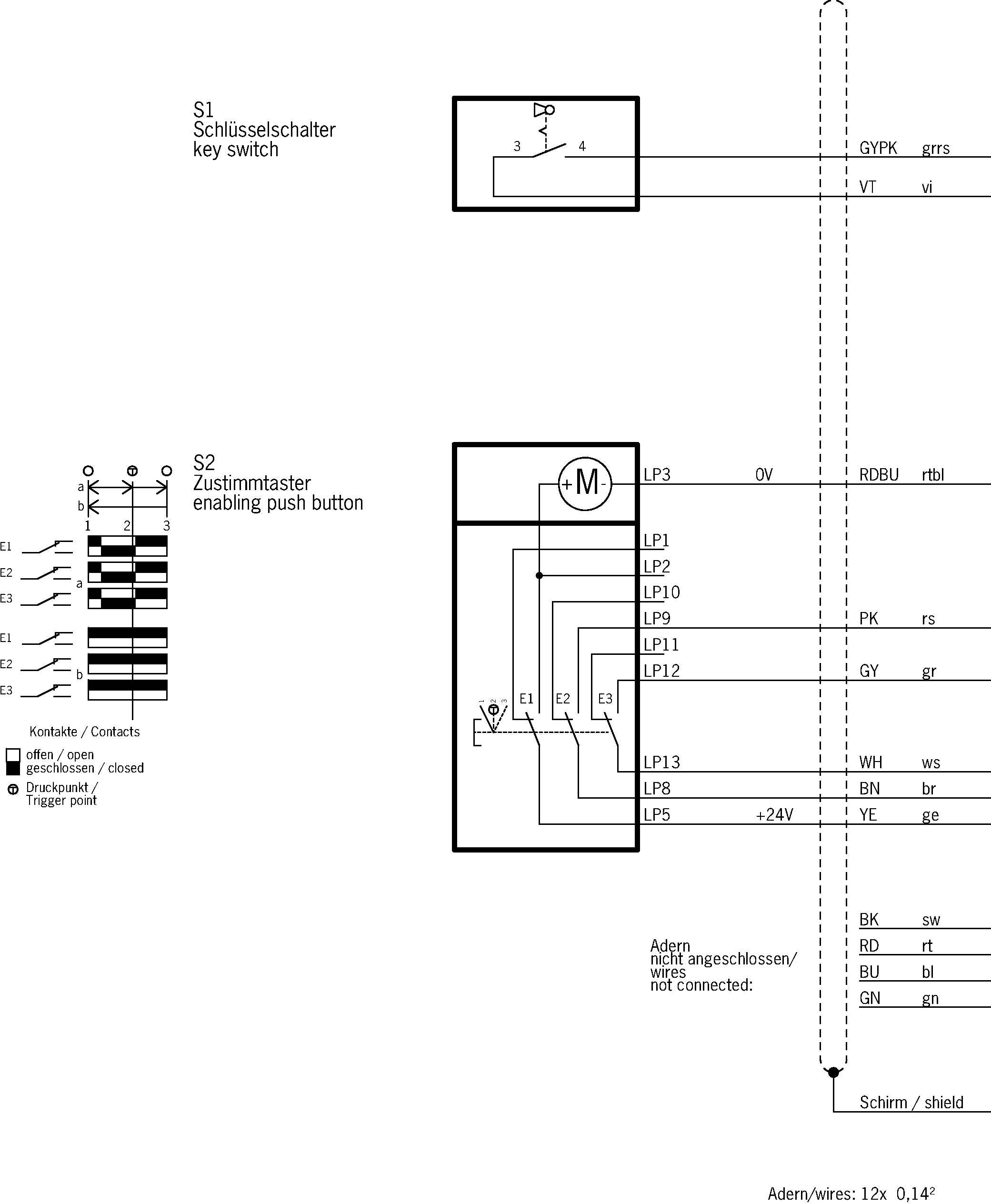
Příklady připojení

Příklady připojení

Příklady připojení

Technické údaje
Schválení


Ovládací a zobrazovací prvky
| Poloha | Barva | Doplňky | Vkládací štítek | Provedení | Spínací jednotka | Vkládací štítek | Počet | Označení1 | LED |
|---|---|---|---|---|---|---|---|---|---|
| Otočný spínač s klíčem | 1 | ||||||||
| Vibrační motor | 1 |
Hodnoty elektrického připojení
| Zajištění | max. 2 A gG |
| Připojovací kabel | 12× 0,14 mm² (Stíněný) |
| Podmíněný návrhový zkratový proud | 100 A |
| Návrhové izolační napětí Ui | 50 V |
| Jmenovité impulzní napětí Uimp | 0.5 kV |
| Kategorie použití | |
| DC-13 | 30 V, 0,1 A (Pro potvrzovací tlačítko, varování: Při indukční zátěži musejí být výstupy chráněny nulovou diodou) |
| DC-13 | 24 V, 0,3 A (Pro dodatečné ovládací prvky) |
| Spínací charakteristika | 3stupňové potvrzovací tlačítko |
| Stupeň znečištění (externí, podle EN 60947-1) | 3 |
Mechanické hodnoty a prostředí
| Typ připojení | Volný konec kabelu |
| Počet přepínacích kontaktů | 3 (Propojení podle blokového schématu zapojení) |
| Teplota při skladování | -25 ... 70 °C |
| Délka kabelu | |
| Přímý | 12 m |
| Mechanická životnost | 1 x 10⁶ |
| Princip přepínání | Mžikový spínač |
| Třída ochrany | IP54 |
| Okolní teplota | -5 ... 60 °C |
| Materiál | PA, CR, TPE (Nízký obsah PAU) |
Charakteristické hodnoty podle EN ISO 13849-1 a EN IEC 62061
| B10D | Doba provozu | |
|---|---|---|
| Potvrzovací tlačítko | 0.1x106 | 20 y |
Různé
| Splněné normy | 60947-5-8 |
Příslušenství
Ke stažení
Celé balení
Stáhněte si všechny důležité dokumenty jedním kliknutím.
Obsahuje:
- Návod k použití a příp. dodatky k návodu k použití nebo stručné návody
- Příp. datové listy jako dodatek k návodu k použití
- Prohlášení o shodě
Stáhnout kompletní balíček (ZIP, 2,6 MB)
Jednotlivé dokumenty
Pokyny
Operating Instructions Enabling Switch ZSM
Č. dok.
Verze
Jazyk
Velikost
Operating Instructions Enabling Switch ZSM
Č. dok.
2098540
Verze
08-03/26
Jazyk
Velikost
0,5 MB
Mode d’emploi Commande d’assentiment ZSM
Č. dok.
2098540
Verze
08-03/26
Jazyk
Velikost
0,5 MB
Manual de instrucciones Pulsador de validación ZSM
Č. dok.
2098540
Verze
08-03/26
Jazyk
Velikost
0,5 MB
Betriebsanleitung Zustimmtaster ZSM
Č. dok.
2098540
Verze
08-03/26
Jazyk
Velikost
0,5 MB
Manual de instruções Chaves enable ZSM
Č. dok.
2098540
Verze
08-03/26
Jazyk
Velikost
0,5 MB
Istruzioni di impiego Pulsanti di consenso ZSM
Č. dok.
2098540
Verze
08-03/26
Jazyk
Velikost
0,5 MB
Prohlášení o shodě
EU-Konformitätserklärung
Č. dok.
Verze
Jazyk
Velikost
EU-Konformitätserklärung
Č. dok.
EDC2109392
Verze
Jazyk
Velikost
0,2 MB
UKCA-Konformitätserklärung
Č. dok.
Verze
Jazyk
Velikost
UKCA-Konformitätserklärung
Č. dok.
EDC20001579
Verze
Jazyk
Velikost
0,1 MB
Ostatní dokumenty
Prodejní doklady
Commandes d’Assentiment ZS
Č. dok.
Verze
Jazyk
Velikost
Commandes d’Assentiment ZS
Č. dok.
097367
Verze
09-02/21
Jazyk
Velikost
10,2 MB
Enabling switches ZS
Č. dok.
Verze
Jazyk
Velikost
Enabling switches ZS
Č. dok.
095690
Verze
09-02/21
Jazyk
Velikost
10,1 MB
Zustimmtaster ZS
Č. dok.
Verze
Jazyk
Velikost
Zustimmtaster ZS
Č. dok.
095689
Verze
09-02/21
Jazyk
Velikost
10,2 MB
Schválení a certifikáty
DGUV
Č. dok.
Verze
Jazyk
Velikost
DGUV
Č. dok.
Verze
Jazyk
Velikost
3,2 MB
WEEE
Č. dok.
Verze
Jazyk
Velikost
WEEE
Č. dok.
ECO20001806
Verze
Jazyk
Velikost
0,1 MB
c UL us
Č. dok.
Verze
Jazyk
Velikost
c UL us
Č. dok.
Verze
Jazyk
Velikost
0,2 MB
Objednací údaje
| Obj. č. | 116714 |
| Název výrobku | ZSM2200-116714 |
| Hmotnost brutto | 1,25kg |
| Číslo celního tarifu | 85365019000 |
| ECLASS | 27-37-12-38 Agreement switch |




