RIEGEL CES-AC/F-AP-C01-AH-SB-116246 (Obj. č. 116246)
Petlice pro bezpečnostní spínače CES-C01
- Petlice pro spínač CES-C01
- Ocelová petlice
- Pro dveře se závěsy nalevo nebo napravo
- Petlice s únikovou pákou
- Tlačítko v otevřené poloze
- Kulový aretační mechanismus v zavřené poloze
- Vhodné pro mezeru mezi dveřmi a rámem cca 15 mm
- Plech na ochranu bezpečnostního spínače

Popis
Rozsah dodávky
- Předem smontovaný bezpečnostní spínač CES-AP-C01-AH-SB-111145
- V jazýčku závory je integrován aktuátor CES
- Předem namontovaný plech na ochranu bezpečnostního spínače
Aretace v otevřené poloze
Cílem aretace v otevřené poloze je zamezit uzavření osob uvnitř stroje.
Typy dveří a dveřní doraz
Vhodná pro dveře na pantech a posuvné dveře
Vhodná pro dveře se závěsy nalevo i napravo
S dveřním dorazem, dveře nelze otevírat dovnitř.
Únikový odjišťovací prvek
Petlice s únikovým odjišťovacím prvkem mají únikovou páku, která umožňuje otevřít petlici zevnitř ochranného krytu.
Ochranný plech
Ochranný plech chrání spínač před poškozením.
Integrovaný zajišťovací mechanismus
Integrovaný zajišťovací mechanismus umožňuje zajistit petlici například pomocí zámků v otevřené poloze. Tím lze zamezit nechtěnému uzavření osob v nebezpečném prostoru.

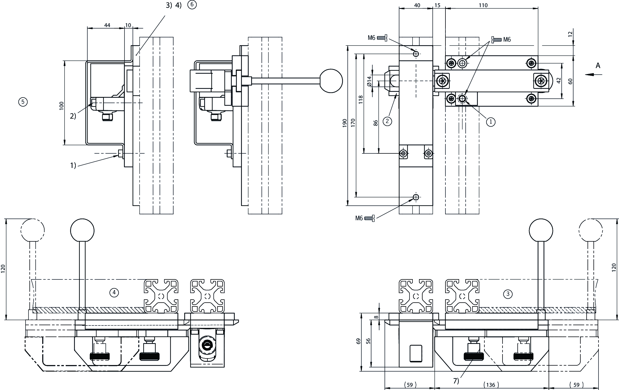
Rozměrové výkresy

| 1 | Aretace proti nechtěnému otevření (vibrace) |
| 1) | Uvolněte šrouby M5 × 10 (1) |
| 2 | Bezpečnostní deska |
| 2) | Uvolněte upevňovací šrouby na spínači CES-... |
| 3 | Dveře se závěsy napravo |
| 3) | Otočte dorazovou desku |
| 4 | Dveře se závěsy nalevo |
| 4) | Díly znovu namontujte v opačném pořadí |
| 5 | Změna směru nájezdu |
| 6 | Dorazová deska |
| 7) | Petlice s aretací. Aretace v otevřené poloze. (Zamezuje nechtěnému zavření petlice.) Odjištění vytažením aretačního knoflíku. |
Technické údaje
Mechanické hodnoty a prostředí
| Směr nájezdu | A nebo C |
| Počet instalovatelných bezpečnostních spínačů | 1 |
| Únikový odjišťovací prvek | Ano |
| Teplota při skladování | -25 ... 70 °C |
| Materiál | |
| Rukojeť | Plast |
| Základová deska | Zinkovaná ocel |
| Vodicí lišty | Plast |
| Konzola spínače | Ocel s práškovým nástřikem |
Různé
| Aretace v zavřené poloze | Kulový aretační mechanismus |
| Aretace v otevřené poloze | Aretace pomocí čepu |
Přepínač CES-AP-C01-AH-SB-111145 (Obj. č. 111145)
Pracovní prostor
| Opakovatelná přesnost R | 10 % |
Hodnoty elektrického připojení
| Zajištění | |
| Externí (napájecí napětí) | 0.25 ... 8 A |
| Návrhové izolační napětí Ui | 75 V (Zkontroloval BG do 75 V.) |
| Jmenovité impulzní napětí Uimp | 1.5 kV |
| Napájecí napětí DC | |
| UB | 24 V DC -15% ... +15% zabezpečeno proti přepólování, regulováno, zbytkové zvlnění<5 %, PELV |
| Doba do zapnutí | |
| Bezpečnostní výstupy | max. 400 ms |
| Požadavky na elektromagnetickou kompatibilitu | Podle normy EN IEC 60947-5-3 |
| Doba rizika podle normy EN 60947-5-3 | max. 260 ms |
| Třída ochrany | III |
| Odběr proudu | |
| Pokud výstupy nejsou zatížené | max. 50 mA |
| Stupeň znečištění (externí, podle EN 60947-1) | 3 |
| Bezpečnostní výstupy OA/OB | |
| Druh výstupu | Polovodičové výstupy, PNP, odolné proti zkratu |
| Výstupní napětí | |
| HIGH U(OA,OB) | UB-1.5 ... UB V DC (Hodnoty při spínaném proudu 50 mA bez přihlédnutí k délce kabelu.) |
| LOW U(OA,OB) | 0 ... 1 V DC |
| Podmíněný návrhový zkratový proud | 100 A |
| Doba diskrepance | max. 10 ms |
| Kategorie použití | |
| DC-13 | 24 V, 400 mA (Varování: Při indukční zátěži musejí být výstupy chráněny nulovou diodou.) |
| Zbytkový proud Ir | max. 0.25 mA |
| Spínací proud | |
| Na každém bezpečnostním výstupu | 1 ... 400 mA |
| Doba trvání zkušebního impulzu | max. 0.4 ms |
Mechanické hodnoty a prostředí
| Typ připojení | Konektor M12, 5pól., kontakt č. 5 neobsazen |
| Utahovací moment | |
| Upevňovací šrouby | max. 1 Nm |
| Prodleva do dosažení pohotovostního stavu | 0.5 s |
| Montážní poloha | Libovolná |
| Frekvence spínání | max. 1 Hz |
| Teplota při skladování | -25 ... 70 °C |
| Montážní vzdálenost | min. 40 mm |
| Odolnost proti nárazům a vibracím | Podle normy EN IEC 60947-5-3 |
| Třída ochrany | IP67 |
| Okolní teplota | -20 ... 55 °C |
| Materiál | |
| Pouzdro | Plast, PBT |
Charakteristické hodnoty podle EN ISO 13849-1 a EN IEC 62061
| PL | Maximální SIL | PFHD | Kategorie | Doba provozu | |
|---|---|---|---|---|---|
| Monitorování polohy ochranného krytu | PL e | - | 2.1x10-9 | 4 | 20 y |
Různé
| Poznámky ke schválení UL | Provoz pouze s napájením opatřeným atestem UL-Class 2 nebo rovnocenným |
Ke stažení
Celé balení
Stáhněte si všechny důležité dokumenty jedním kliknutím.
Obsahuje:
- Návod k použití a příp. dodatky k návodu k použití nebo stručné návody
- Příp. datové listy jako dodatek k návodu k použití
- Prohlášení o shodě
Jednotlivé dokumenty
Information de sécurité pour verrous-targettes
Información de seguridad para cerrojos
Sicherheitsinformation für Riegel
Ostatní dokumenty
CAD/eCAD
Objednací údaje
| Obj. č. | 116246 |
| Název výrobku | RIEGEL CES-AC/F-AP-C01-AH-SB-116246 |
| Hmotnost brutto | 2,236kg |
| Číslo celního tarifu | 83014090000 |


