RIEGEL CES-AC-AP-C01-CH-SB-110354 (Obj. č. 110354)
Petlice pro bezpečnostní spínače CES-C01
- Petlice pro spínač CES-C01
- Ocelová petlice
- Pro dveře se závěsy nalevo nebo napravo
- Kulový aretační mechanismus v zavřené poloze
- Vhodné pro mezeru mezi dveřmi a rámem cca 15 mm
- Plech na ochranu bezpečnostního spínače

Popis
Rozsah dodávky
- Předem smontovaný bezpečnostní spínač CES-AP-C01-CH-SB-111708
- V jazýčku závory je integrován aktuátor CES
- Předem namontovaný plech na ochranu bezpečnostního spínače
Aretace v zavřené poloze
V zavřené poloze je petlice aretována, čímž se zamezuje jejímu nechtěnému otevření. Kulový nebo pružinový aretační mechanismus se otevírá překonáním síly pružiny.
Typy dveří a dveřní doraz
Vhodná pro dveře na pantech a posuvné dveře
Vhodná pro dveře se závěsy nalevo i napravo
S dveřním dorazem, dveře nelze otevírat dovnitř.
Ochranný plech
Ochranný plech chrání spínač před poškozením.
Integrovaný zajišťovací mechanismus
Integrovaný zajišťovací mechanismus umožňuje zajistit petlici například pomocí zámků v otevřené poloze. Tím lze zamezit nechtěnému uzavření osob v nebezpečném prostoru.

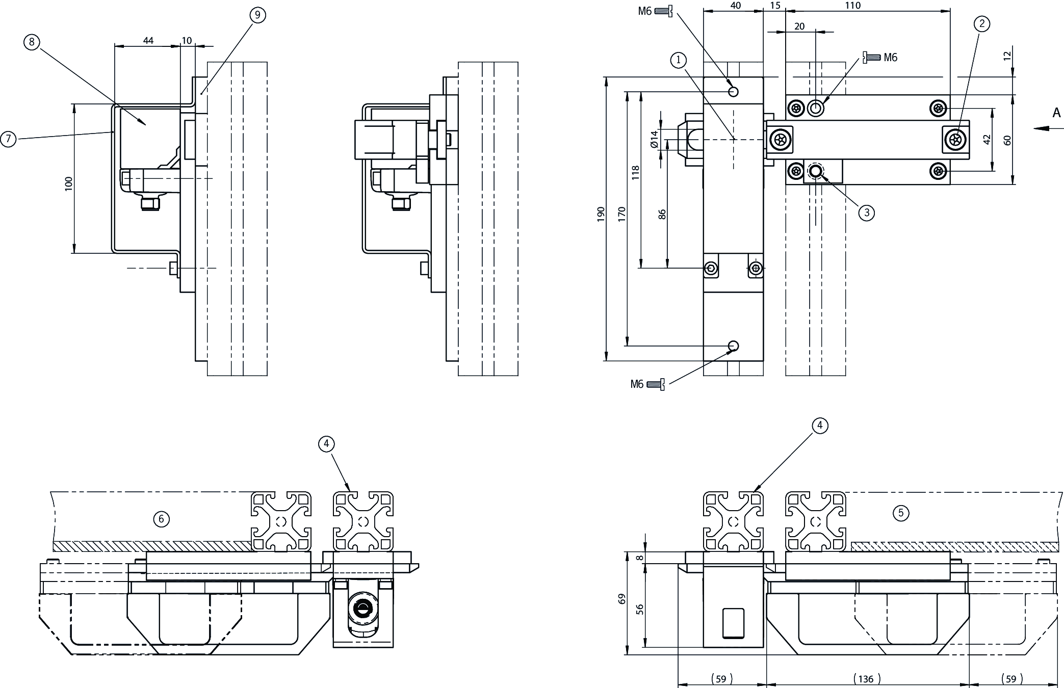
Rozměrové výkresy

| 1 | Aktuátor CES zalisován do jazýčku závory. |
| 2 | Šroub zajištěný proti vyšroubování |
| 3 | Aretace proti nechtěnému otevření (vibrace) |
| 4 | Rám ochranné mříže (40 × 40) |
| 5 | Dveře se závěsy napravo |
| 6 | Dveře se závěsy nalevo |
| 7 | Ochranný plech namontovaný na konzole spínače. |
| 8 | Bezpečnostní spínač namontovaný na konzole spínače. |
| 9 | Dorazová deska |
Technické údaje
Mechanické hodnoty a prostředí
| Směr nájezdu | A nebo C |
| Počet instalovatelných bezpečnostních spínačů | 1 |
| Únikový odjišťovací prvek | Ano |
| Teplota při skladování | -25 ... 70 °C |
| Materiál | |
| Vodicí lišty | Plast |
| Základová deska | Zinkovaná ocel |
| Konzola spínače | Ocel s práškovým nástřikem |
| Rukojeť | Plast |
Různé
| Aretace v zavřené poloze | Kulový aretační mechanismus |
Přepínač CES-AP-C01-CH-SB-111708 (Obj. č. 111708)
Pracovní prostor
| Opakovatelná přesnost R | 10 % |
Hodnoty elektrického připojení
| Zajištění | |
| Externí (napájecí napětí) | 0.25 ... 8 A |
| Návrhové izolační napětí Ui | 75 V (Zkontroloval BG do 75 V.) |
| Jmenovité impulzní napětí Uimp | 1.5 kV |
| Napájecí napětí DC | |
| UB | 24 V DC -15% ... +15% zabezpečeno proti přepólování, regulováno, zbytkové zvlnění<5 %, PELV |
| Doba do zapnutí | |
| Bezpečnostní výstupy | max. 400 ms |
| Požadavky na elektromagnetickou kompatibilitu | Podle normy EN IEC 60947-5-3 |
| Doba rizika podle normy EN 60947-5-3 | max. 260 ms |
| Třída ochrany | III |
| Odběr proudu | |
| Pokud výstupy nejsou zatížené | max. 50 mA |
| Stupeň znečištění (externí, podle EN 60947-1) | 3 |
| Bezpečnostní výstupy OA/OB | |
| Druh výstupu | Polovodičové výstupy, PNP, odolné proti zkratu |
| Výstupní napětí | |
| HIGH U(OA,OB) | UB-1.5 ... UB V DC (Hodnoty při spínaném proudu 50 mA bez přihlédnutí k délce kabelu.) |
| LOW U(OA,OB) | 0 ... 1 V DC |
| Podmíněný návrhový zkratový proud | 100 A |
| Doba diskrepance | max. 10 ms |
| Kategorie použití | |
| DC-13 | 24 V, 400 mA (Varování: Při indukční zátěži musejí být výstupy chráněny nulovou diodou.) |
| Zbytkový proud Ir | max. 0.25 mA |
| Spínací proud | |
| Na každém bezpečnostním výstupu | 1 ... 400 mA |
| Doba trvání zkušebního impulzu | max. 0.4 ms |
Mechanické hodnoty a prostředí
| Typ připojení | Konektor M12, 5pól., kontakt č. 5 neobsazen |
| Utahovací moment | |
| Upevňovací šrouby | max. 1 Nm |
| Prodleva do dosažení pohotovostního stavu | 0.5 s |
| Montážní poloha | Libovolná |
| Frekvence spínání | max. 1 Hz |
| Teplota při skladování | -25 ... 70 °C |
| Montážní vzdálenost | min. 40 mm |
| Odolnost proti nárazům a vibracím | Podle normy EN IEC 60947-5-3 |
| Třída ochrany | IP67 |
| Okolní teplota | -20 ... 55 °C |
| Materiál | |
| Pouzdro | Plast, PBT |
Charakteristické hodnoty podle EN ISO 13849-1 a EN IEC 62061
| PL | Maximální SIL | PFHD | Kategorie | Doba provozu | |
|---|---|---|---|---|---|
| Monitorování polohy ochranného krytu | PL e | - | 2.1x10-9 | 4 | 20 y |
Různé
| Poznámky ke schválení UL | Provoz pouze s napájením opatřeným atestem UL-Class 2 nebo rovnocenným |
Příslušenství
Ke stažení
Celé balení
Stáhněte si všechny důležité dokumenty jedním kliknutím.
Obsahuje:
- Návod k použití a příp. dodatky k návodu k použití nebo stručné návody
- Příp. datové listy jako dodatek k návodu k použití
- Prohlášení o shodě
Jednotlivé dokumenty
Information de sécurité pour verrous-targettes
Información de seguridad para cerrojos
Sicherheitsinformation für Riegel
Ostatní dokumenty
CAD/eCAD
Objednací údaje
| Obj. č. | 110354 |
| Název výrobku | RIEGEL CES-AC-AP-C01-CH-SB-110354 |
| Hmotnost brutto | 2,34kg |
| Global Trade Item Number (GTIN) | 4047048007239 |
| Číslo celního tarifu | 83014090000 |




