CET4-AR-CRA-AH-50X-SH-110201 (Obj. č. 110201)
Bezpečnostní spínač s ochranným zámkem CET-AR-..., RFID, konektor M23 (RC18)
- Princip pracovního proudu
- Unicode
- Učicí vstup J
- Monitorování blokování výstupní ochrany OUT
- Signalizační výstup polohy dveří OUT D
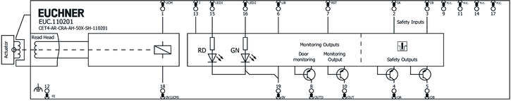
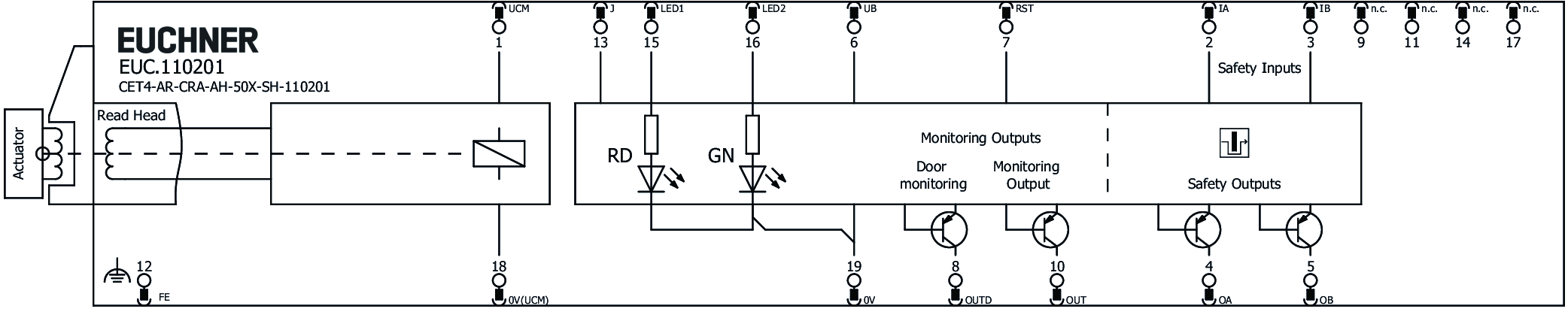
- Konektor M23 (RC18), 19kolíkový

Popis
Princip jištění
Pracovní proud (Power to lock): U ochranného krytu s jištěním na principu pracovního proudu je ochranný kryt jištěn, dokud se nepřeruší přívod proudu do jisticího elektromagnetu. Odjištění probíhá silou pružiny. Tato varianta se také označuje jako elektrické jištění ochranného krytu.
Vyhodnocování typu Unicode
Každý aktuátor má vysokou úroveň kódování (Unicode). Spínač detekuje pouze naučené aktuátory. Je možné naučit další aktuátory.
Jednotka rozpozná vždy pouze aktuátor, který byl naučen jako poslední.
Bezpečnostní charakteristiky
Díky dvěma redundantním bezpečnostním výstupům (polovodičové výstupy) s interním monitorováním je zařízení vhodné pro.
- Kategorie 4 /PL e podle EN 13849-1
- SIL 3 podle EN IEC 62061 Tabulka 4
Použité výstupy OSSD kontrolují svou funkci na zkraty a křížové obvody pomocí testovacích impulzů.
LED indikace
LED STATE | Stavová LED dioda |
LED dioda DIA | Diagnostická LED dioda |
LED 1 rd | Libovolně ovladatelná |
LED 2 gn | Libovolně ovladatelná |
Zapojení
Potřebné příslušenství
Aktuátor není součástí dodávky.
Bezpečnostní spínač lze ovládat pouze ve spojení s pohony určenými k tomuto účelu.



Rozměrové výkresy

Příklady připojení

Technické údaje
Schválení

Pracovní prostor
| Opakovatelná přesnost R | 10 % |
Hodnoty elektrického připojení
| Zajištění | |
| Externí (napájecí napětí elektromagnetu UCM) | 0.5 ... 8 A |
| Externí (napájecí napětí UB) | 0.25 ... 8 A |
| Příkon | |
| Elektromagnet | 11 W |
| Připojovací kabel | 30 V DC, 2 A (Pro požadavky dle kódu UL Category (CYJV2/CYJV8) nebo (CYJV/CYJV7)) |
| Napájecí napětí DC | |
| LED | 24 V DC -15% V DC ... +10% V DC |
| UB | 24 V DC -15% ... +15% zabezpečeno proti přepólování, regulováno, zbytkové zvlnění<5 %, PELV |
| Požadavky na elektromagnetickou kompatibilitu | Podle normy EN IEC 60947-5-3 |
| Kategorie použití | |
| DC-13 | 24 V, 200 mA (Varování: Při indukční zátěži musejí být výstupy chráněny nulovou diodou) |
| Napájecí napětí elektromagnetu DC | |
| UCM | 24 V DC -15% ... +10% zabezpečeno proti přepólování, regulováno, zbytkové zvlnění<5 %, PELV |
| Zatěžovatel elektromagnetu DZ | 100 % |
| Doba rizika podle normy EN 60947-5-3 | max. 400 ms |
| Riziková doba podle EN 60947-5-3, prodloužení pro každou další jednotku | max. 5 ms |
| Spínané zatížení | |
| Podle UL | 24 V DC, třída 2 (Alternativy viz návod k použití) |
| Třída ochrany | III |
| Odběr proudu | |
| ICM | 450 mA |
| IB | 80 mA |
| Doba trvání zkušebního impulzu | max. 1 ms |
| Stupeň znečištění (externí, podle EN 60947-1) | 3 |
| Učicí vstup | |
| Vstupní napětí | |
| HIGH | 15 ... 27.6 V DC |
| LOW | 0 ... 1 V DC |
| Signalizační výstup OUT D | |
| Druh výstupu | PNP, odolné proti zkratu |
| Výstupní napětí | |
| OUT D | 0.8xUB ... UB V DC |
| Spínací proud | |
| OUT D | 1 ... 50 mA |
| Prodleva sepnutí od změny stavu | max. 700 ms |
| Signalizační výstup OUT | |
| Druh výstupu | PNP, odolné proti zkratu |
| Výstupní napětí | |
| OUT | 0.8xUB ... UB V DC |
| Spínací proud | |
| OUT | 1 ... 50 mA |
| Prodleva sepnutí od změny stavu | max. 400 ms |
| Bezpečnostní výstupy OA/OB | |
| Druh výstupu | 2× polovodičový výstup, PNP, odolný proti zkratu |
| Výstupní napětí | |
| HIGH U(OA,OB) | UB-1.5V ... UB V DC |
| LOW U(OA,OB) | 0 ... 1 V DC |
| Doba diskrepance | |
| Obou bezpečnostních výstupů | max. 10 ms |
| Doba do zapnutí | 400 ms |
| Zbytkový proud Ir | max. 0.25 mA |
| Spínací proud | |
| Na každém bezpečnostním výstupu OA/OB | 1 ... 200 mA |
Mechanické hodnoty a prostředí
| Anfahrgeschwindigkeit | max. 20 m/min |
| Typ připojení | 1× konektor M23, 19pól., RC18 |
| Prodleva do dosažení pohotovostního stavu | 10 s |
| Montážní poloha | Libovolná |
| Frekvence spínání | max. 0.5 Hz |
| Stupeň volnosti X | ±5 mm |
| Stupeň volnosti Y | ±5 mm |
| Stupeň volnosti Z | ±4 mm |
| Teplota při skladování | -25 ... 70 °C |
| Mechanická životnost | 2 x 10⁶ |
| Odolnost proti nárazům a vibracím | Podle normy EN IEC 60947-5-3 |
| Třída ochrany | IP65/IP67 (V zapojeném a zajištěném stavu) |
| Okolní teplota | |
| Při UB = 24 V DC | -20 ... 55 °C |
| Materiál | |
| Pouzdro bezpečnostního spínače | Hliníkový tlakový odlitek |
| Rampa | Nerezová ocel |
| Držící síla Fmax | 6500 N |
| Držící síla FZh | 5000 N (FZH = FMAX/1,3) |
| Princip jištění | Princip pracovního proudu |
Charakteristické hodnoty podle EN ISO 13849-1 a EN IEC 62061
| PL | Maximální SIL | PFHD | Kategorie | Doba provozu | |
|---|---|---|---|---|---|
| Monitorování jištění ochranného krytu | PL e | - | 3.1x10-9 | 4 | 20 y |
Různé
| Poznámky ke schválení UL | Provoz pouze s napájením opatřeným atestem UL-Class 2 nebo rovnocenným, viz návod k použití |
Příslušenství

RIEGEL CET-A-C
- Petlice pro řadu spínačů CET
- Ocelová petlice
- Pro dveře se závěsy nalevo nebo napravo
- S dveřním dorazem
- Vhodné pro mezeru mezi dveřmi a rámem cca 15 mm

RIEGEL CET-A-C-C2308
- Petlice pro řadu spínačů CET
- Ocelová petlice
- Pro dveře se závěsy nalevo nebo napravo
- Bez dveřního dorazu
- Vhodné pro mezeru mezi dveřmi a rámem 15 mm

AM-C-SW4-V3-161344
- Plastové vložky pro imbusové šrouby vel. 4
- Účinná ochrana proti neoprávněné manipulaci pro upevnění bezpečnostních spínačů
- Součástí dodávky jsou vložky pro 18 šroubů

AM-C-SW5-V3-161348
- Plastové vložky pro imbusové šrouby vel. 5
- Účinná ochrana proti neoprávněné manipulaci pro upevnění bezpečnostních spínačů
- Součástí dodávky jsou vložky pro 18 šroubů
C-M23F19-19XDIFPU01,5-MA-092906
- Konektor M23, 18pól. + PE
- Úhlový konektor
- Vývod kabelu C (doleva)
- Kabel z PUR
- Délka kabelu 1,5 m
- Kabel s volným koncem
- Jednotlivé žíly barevně kódované
C-M23F19-19XDIFPU01,5-MA-092907
- Konektor M23, 18pól. + PE
- Úhlový konektor
- Vývod kabelu A (doprava)
- Kabel z PUR
- Délka kabelu 1,5 m
- Kabel s volným koncem
- Jednotlivé žíly barevně kódované
C-M23F19-19XDIFPU10,0-MA-092901
- Konektor M23, 18pól. + PE
- Úhlový konektor
- Vývod kabelu C (doleva)
- Kabel z PUR
- Délka kabelu 10 m
- Kabel s volným koncem
- Jednotlivé žíly barevně kódované
C-M23F19-19XDIFPU10,0-MA-092902
- Konektor M23, 18pól. + PE
- Úhlový konektor
- Vývod kabelu A (doprava)
- Kabel z PUR
- Délka kabelu 10 m
- Kabel s volným koncem
- Jednotlivé žíly barevně kódované
C-M23F19-19XDIFPU15,0-MA-077020
- Konektor M23, 18pól. + PE
- Úhlový konektor
- Vývod kabelu C (doleva)
- Kabel z PUR
- Délka kabelu 15 m
- Kabel s volným koncem
- Jednotlivé žíly barevně kódované
C-M23F19-19XDIFPU15,0-MA-085196
- Konektor M23, 18pól. + PE
- Úhlový konektor
- Vývod kabelu A (doprava)
- Kabel z PUR
- Délka kabelu 15 m
- Kabel s volným koncem
- Jednotlivé žíly barevně kódované
C-M23F19-19XDIFPU20,0-MA-092910
- Konektor M23, 18pól. + PE
- Úhlový konektor
- Vývod kabelu C (doleva)
- Kabel z PUR
- Délka kabelu 20 m
- Kabel s volným koncem
- Jednotlivé žíly barevně kódované
C-M23F19-19XDIFPU20,0-MA-092911
- Konektor M23, 18pól. + PE
- Úhlový konektor
- Vývod kabelu A (doprava)
- Kabel z PUR
- Délka kabelu 20 m
- Kabel s volným koncem
- Jednotlivé žíly barevně kódované
C-M23F19-19XDIFPU25,0-MA-092912
- Konektor M23, 18pól. + PE
- Úhlový konektor
- Vývod kabelu C (doleva)
- Kabel z PUR
- Délka kabelu 25 m
- Kabel s volným koncem
- Jednotlivé žíly barevně kódované
C-M23F19-19XDIFPU25,0-MA-092913
- Konektor M23, 18pól. + PE
- Úhlový konektor
- Vývod kabelu A (doprava)
- Kabel z PUR
- Délka kabelu 25 m
- Kabel s volným koncem
- Jednotlivé žíly barevně kódované
C-M23F19-19XDIFPU03,0-MA-092908
- Konektor M23, 18pól. + PE
- Úhlový konektor
- Vývod kabelu C (doleva)
- Kabel z PUR
- Délka kabelu 3 m
- Kabel s volným koncem
- Jednotlivé žíly barevně kódované
C-M23F19-19XDIFPU03,0-MA-092909
- Konektor M23, 18pól. + PE
- Úhlový konektor
- Vývod kabelu A (doprava)
- Kabel z PUR
- Délka kabelu 3 m
- Kabel s volným koncem
- Jednotlivé žíly barevně kódované
C-M23F19-19XDIFPU06,0-MA-077018
- Konektor M23, 18pól. + PE
- Úhlový konektor
- Vývod kabelu C (doleva)
- Kabel z PUR
- Délka kabelu 6 m
- Kabel s volným koncem
- Jednotlivé žíly barevně kódované
C-M23F19-19XDIFPU06,0-MA-085194
- Konektor M23, 18pól. + PE
- Úhlový konektor
- Vývod kabelu A (doprava)
- Kabel z PUR
- Délka kabelu 6 m
- Kabel s volným koncem
- Jednotlivé žíly barevně kódované
C-M23F19-19XDIFPU08,0-MA-077019
- Konektor RC18, 18pól. + PE
- Úhlový konektor
- Vývod kabelu C (doleva)
- Kabel z PUR
- Délka kabelu 8 m
- Kabel s volným koncem
- Jednotlivé žíly barevně kódované
C-M23F19-19XDIFPU08,0-MA-085195
- Konektor M23, 18pól. + PE
- Úhlový konektor
- Vývod kabelu A (doprava)
- Kabel z PUR
- Délka kabelu 8 m
- Kabel s volným koncem
- Jednotlivé žíly barevně kódované
Ke stažení
Celé balení
Stáhněte si všechny důležité dokumenty jedním kliknutím.
Obsahuje:
- Návod k použití a příp. dodatky k návodu k použití nebo stručné návody
- Příp. datové listy jako dodatek k návodu k použití
- Prohlášení o shodě
Jednotlivé dokumenty
Ostatní dokumenty
Makra ePlan
Objednací údaje
| Obj. č. | 110201 |
| Název výrobku | CET4-AR-CRA-AH-50X-SH-110201 |
| Hmotnost brutto | 1,181kg |
| Číslo celního tarifu | 85365019000 |
| ECLASS | 27-27-24-05 Safety-related transponder switch with guardlocking |





















