CTM-I2-BR-M-ZZ-SA-P-174747 (订货号 174747)
选择内容
带锁止功能的安全开关 CTM-I2-BR,RFID,M12 接插连接件,卫生型
- 断电解锁
- 用于流程保护的锁止功能
- 通用编码
- 门位置监控输出/通信OD/C
- 8针M12接插头
- 卫生型
- 触发力/提取力/固定作用力:35/30/15 N

说明
门锁原理
断电解锁(通电锁止):如果安全门上的锁止功能是基于断电解锁原理,只要锁止电磁线圈的供电不中断,安全门将一直保持锁止状态。通过弹簧力解锁。也称为电气锁止。
配有门锁功能,可实现过程保护
安全开关满足具有门锁功能(可实现过程保护)的互锁装置的要求。没有安全门锁监控功能。
开关功能
门关闭时,安全输出开启。
通用编码安全评估
检查触发块是否为系统可检测的类型(通用编码评估)。因而,系统具有的编码等级较低。每一个适用的触发块均由该开关进行识别。
引脚定义
所需附件
不包含触发块。


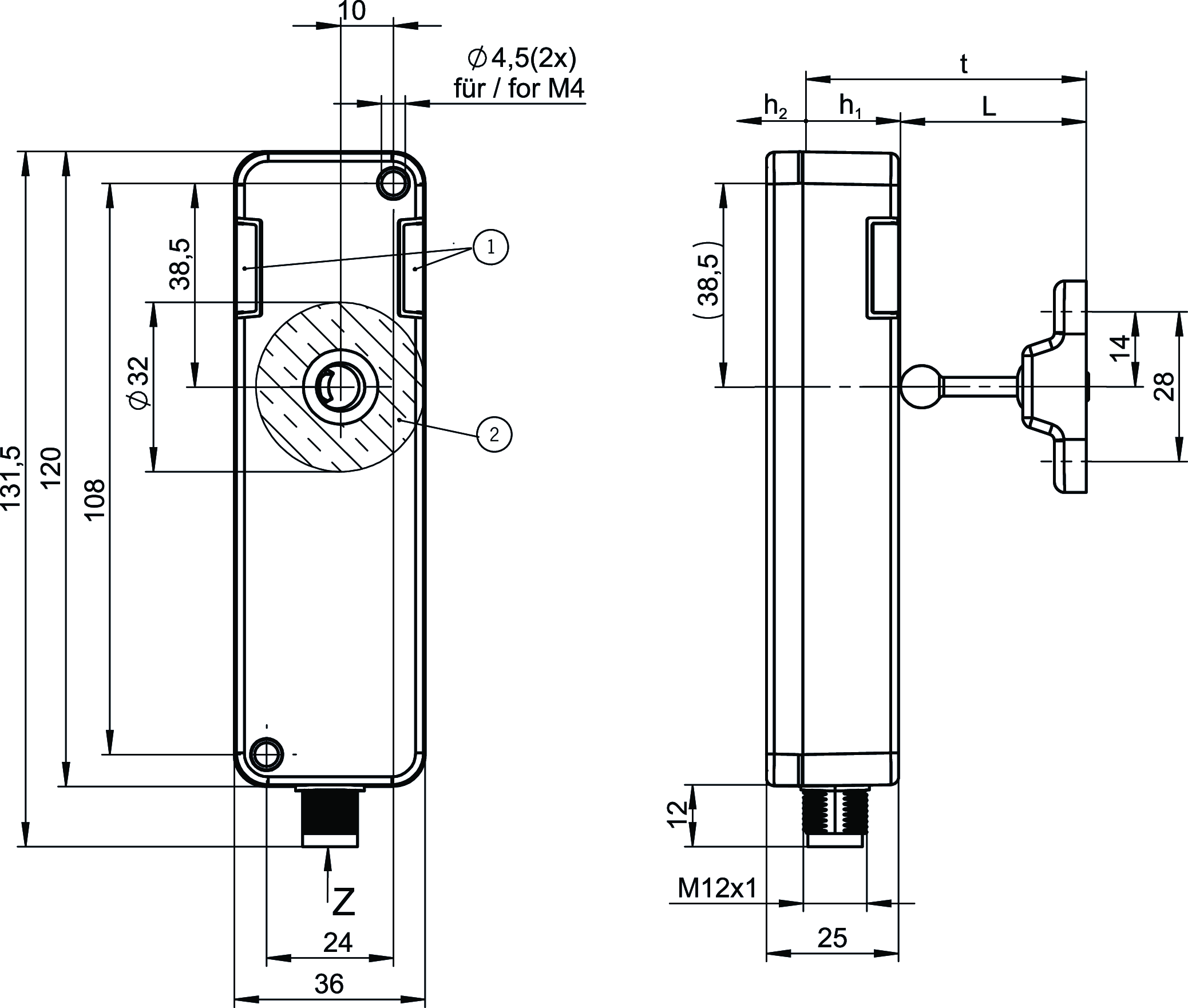
尺寸图

| 1 | LED指示灯 |
| 2 | 读头工作面 |
连接实例

技术数据
审批


工作区
| 重复精度R | 10 % |
电气连接值
| 套期保值 | |
| 外部(工作电压UB) | 0.7 ... 8 A |
| 功耗 | |
| 最大开关频率时 | 3 W |
| 额定绝缘电压Ui | 50 V |
| 额定冲击电压 Uimp | 0.5 kV |
| 差异时间 | |
| 两个安全输出 | max. 10 ms |
| 开启时间 | max. 100 ms |
| 电磁线圈占空比 | 100 % |
| 断态电流Ir | max. 0.25 mA |
| 风险时间,符合EN 60947-5-3标准 | max. 200 ms |
| 根据EN 60947-5-3的规定,风险时间,每增加一个单元就延长一次 | max. 10 ms |
| 开关负载 | DC 24V,UL 2级 |
| 安全等级 | III |
| 测试脉冲持续时间 | max. 0.3 ms |
| 测试脉冲间隔 | 100 ms |
| 污染程度(外部,符合EN 60947-1) | 3 |
| IMP电磁线圈 | |
| 输入电压 | |
| 门锁已启用(闭合) | 20.4 ... 26.4 V DC |
| 门锁未启用(打开) | 0 ... 5 V DC |
| 电流消耗 | |
| 门锁已启用(闭合) | 20 ... 50 mA |
| 门位置监控输出/通信OD/C | |
| 输出类型 | p开关,防短路功能 |
| 输出电压 | 0.8xUB ... UB V DC |
| 切换电流 | 1 ... 50 mA |
| 安全输入 | |
| 电流消耗 | max. 7 mA 安全输出Fl1A/Fl1B |
| 安全输出FO1A/FO1B | |
| 输出类型 | 2个半导体输出,PNP输出,防短路功能 |
| 输出电压 | |
| 低U(FO1A) / U(FO1B) | 0 ... 1 V DC |
| 高U(FO1A) / U(FO1B) | UB-1.5 ... UB V DC |
| 差异时间 | 符合EN IEC 60947-5-3标准 |
| 利用类别 | |
| DC-13 | 24V 150mA (注意:对于感性负载,必须使用续流二极管对输出进行保护) |
| 开关频率电 | max. 0.25 Hz |
| 切换电流 | |
| 每安全输出FO1A/FO1B | 1 ... 150 mA |
| 工作电压UB | |
| 工作电压DC | |
| UUB | 24 V DC -15% ... +15% 反极性保护,稳压,残余纹波<5%,PELV |
| 电流消耗 | |
| IUB,工作电压UB = 24 V | max. 500 mA |
机械值和环境
| Anfahrgeschwindigkeit | max. 20 m/min |
| 连接类型 | 8针M12接插头 |
| 拔出力 | 30 N |
| 就绪状态延时 | 5.5 s |
| 触发力 | 35 N |
| 安装方向 | 任何 |
| 开关频率 | max. 0.25 Hz |
| 存储温度 | -25 ... 70 °C |
| 机械寿命 | 1 x 10⁶ |
| 超行程 | 2 mm |
| 固定作用力 | 15 N |
| 抗冲击和振动 | 符合EN IEC 60947-5-3标准 |
| 保护等级 | IP65/IP67 (处于插入和拧紧状态) |
| 环境温度 | |
| UB = 24V Dc时 | -20 ... 60 °C |
| 材料 | |
| 密封件 | 氟化橡胶(FKM) |
| 安全开关壳体 | 加强型热塑材料 |
| 锁紧力Fmax | 1300 N |
| 锁紧力FZh | 1000 N |
| 门锁原理 | 断电解锁 |
符合EN ISO 13849-1和EN IEC 62061的特性值
| プライバシーション | 最大SIL | PFHD | 类别 | 任务时间 | |
|---|---|---|---|---|---|
| 监控安全门位置 | PL e | 3 | 4.11x10-9 | 4 | 20 y |
杂项
| UL 认证注意事项 | 只能通过2级UL电源或等效措施进行工作,请参见使用说明书 |
附件
连接附件
下载
完整软件包
仅需单击一次,即可下载所有重要文档。
目录:
- 操作说明以及操作说明或简要说明的所有附件
- 补充操作说明的所有数据表
- 符合性声明
下载完整软件包 (ZIP, 4,4 MB)
单个文档
说明
Operating Instructions Transponder-Coded Safety Switch with Guard Locking for Process Protection CTM-I2-BP/BR Unicode/Multicode
文档编号
版本
语言
大小
Operating Instructions Transponder-Coded Safety Switch with Guard Locking for Process Protection CTM-I2-BP/BR Unicode/Multicode
文档编号
MAN20001437
版本
10/24
语言
大小
2,3 MB
Mode d’emploi Interrupteur de sécurité à codage par transpondeur avec interverrouillage pour la protection du process CTM-I2-BP/BR Uni-/multicode
文档编号
MAN20001437
版本
10/24
语言
大小
2,3 MB
Manual de instrucciones Interruptor de seguridad codificado por transponder con bloqueo para la protección de procesos CTM-I2-BP/BR Unicode/Multicode
文档编号
MAN20001437
版本
10/24
语言
大小
2,3 MB
Betriebsanleitung Transpondercodierter Sicherheitsschalter mit Zuhaltung für den Prozessschutz CTM-I2-BP/BR Uni-/Multicode
文档编号
MAN20001437
版本
10/24
语言
大小
2,3 MB
其他文档
批准和证书
FCC
文档编号
版本
语言
大小
FCC
文档编号
版本
语言
大小
0,1 MB
ISED
文档编号
版本
语言
大小
ISED
文档编号
版本
语言
大小
1,2 MB
WEEE
文档编号
版本
语言
大小
WEEE
文档编号
ECO20001806
版本
语言
大小
0,1 MB
c UL us
文档编号
版本
语言
大小
c UL us
文档编号
版本
语言
大小
0,3 MB
订货数据
| 订货号 | 174747 |
| 项目名称 | CTM-I2-BR-M-ZZ-SA-P-174747 |
| 总重量 | 0,26kg |
| 海关税则号 | 85365019000 |
| ECLASS | 27-27-24-05 Safety-related transponder switch with guardlocking |










