CET3-AR-CRA-AH-50F-SH-C2467-129491 (订货号 129491)
选择内容
带防护锁定功能的安全开关 CET-AR-...,接插连接件 M23 (RC18),脱扣器,锁止功能插件
- 通电解锁
- 特殊编码
- 监控输出锁止功能 OUT
- 信号输出门位置 OUT D
- 接插连接件 M23 (RC18),19 针
- 应急逃生解锁装置,105 mm长
- 锁止装置

说明
门锁原理
通电解锁:如果防护装置上的门锁功能是基于通电解锁原理,则防护装置将通过弹簧力锁止,直到门锁电磁线圈通电为止。解锁通过电磁力实现。也称为机械上锁。
特殊编码安全评估
每个触发块已采用高级编码(特殊编码)。开关仅识别初始化触发块也可以初始化额外的触发块。
任何时候,安全评估单元只能识别最近一次初始化过的触发块。
安全特性
由于有两个带内部监控的冗余安全输出(半导体输出),该设备适用于
- 类别 4 /PL e,符合 EN 13849-1 标准
SIL 3(根据 EN IEC 62061 表 4
所用的 OSSD 输出端通过测试脉冲检查其功能是否存在短路和交叉电路。
锁止装置
挂锁装置可用于避免维护人员被无意锁闭在危险区域等情形。
重要申明:挂锁装置并非一项安全功能。
此装置配有挂锁装置,但没有辅助解锁装置。
应急逃生解锁装置
用于在危险区域内不采用工具手动解锁锁止功能。
LED指示灯
LED 状态 | 状态LED灯 |
诊断LED灯 | 诊断LED指示灯 |
LED灯1(红) | 可任意配置 |
LED灯2(绿) | 可任意配置 |
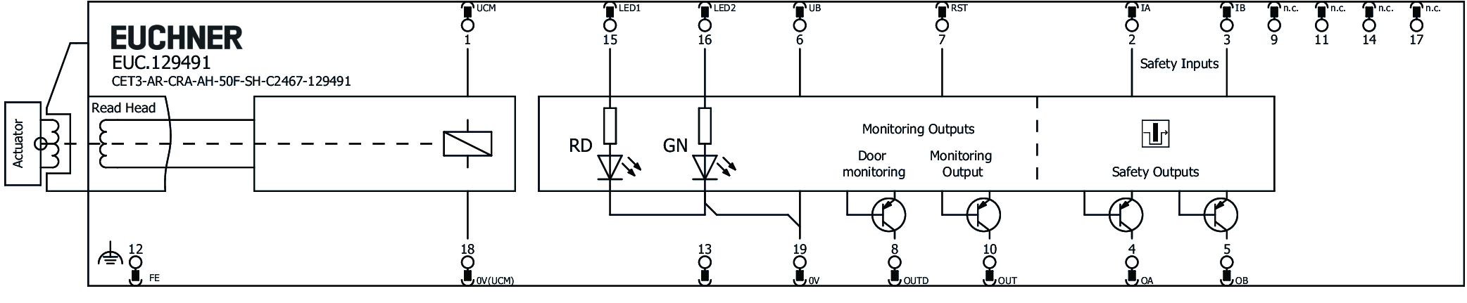
引脚定义
所需附件
不包含触发块。
安全开关只能与为此提供的执行器一起操作。
尺寸图

连接实例

技术数据
审批

工作区
| 重复精度R | 10 % |
电气连接值
| 套期保值 | |
| 外部(工作电压UB) | 0.25 ... 8 A |
| 外部(电磁线圈工作电压UCM) | 0.5 ... 8 A |
| 功耗 | |
| 电磁线圈 | 11 W |
| 接配线电缆 | 30V DC,2A (符合UL要求,UL类别代码(CYJV2/CYJV8)或(CYJV/CYJV7)) |
| 工作电压DC | |
| UB | 24 V DC -15% ... +15% 反极性保护,稳压,残余纹波<5%,PELV |
| LED | 24 V DC -15% V DC ... +10% V DC |
| EMC保护要求 | 符合EN IEC 60947-5-3标准 |
| 利用类别 | |
| DC-13 | 24V 200mA (注意:对于感性负载,必须使用续流二极管对输出进行保护) |
| 电磁线圈工作电压DC | |
| UCM | 24 V DC -15% ... +10% 反极性保护,稳压,残余纹波<5%,PELV |
| 电磁线圈占空比 | 100 % |
| 风险时间,符合EN 60947-5-3标准 | max. 400 ms |
| 根据EN 60947-5-3的规定,风险时间,每增加一个单元就延长一次 | max. 5 ms |
| 开关负载 | |
| 符合UL标准 | 24V Dc,2类 (可替代,请参见使用说明书) |
| 安全等级 | III |
| 电流消耗 | |
| IB | 80 mA |
| ICM | 450 mA |
| 测试脉冲持续时间 | max. 1 ms |
| 污染程度(外部,符合EN 60947-1) | 3 |
| 监控输出OUT D | |
| 输出类型 | p开关,防短路功能 |
| 输出电压 | |
| OUT D | 0.8xUB ... UB V DC |
| 切换电流 | |
| OUT D | 1 ... 50 mA |
| 从状态变化起的开关延时 | max. 700 ms |
| 监控输出OUT | |
| 输出类型 | p开关,防短路功能 |
| 输出电压 | |
| OUT | 0.8xUB ... UB V DC |
| 切换电流 | |
| OUT | 1 ... 50 mA |
| 从状态变化起的开关延时 | max. 400 ms |
| 安全输出OA / OB | |
| 输出类型 | 2个半导体输出,PNP输出,防短路功能 |
| 输出电压 | |
| 低U(OA、OB) | 0 ... 1 V DC |
| 高U(OA、OB) | UB-1.5V ... UB V DC |
| 差异时间 | |
| 两个安全输出 | max. 10 ms |
| 开启时间 | 400 ms |
| 断态电流Ir | max. 0.25 mA |
| 切换电流 | |
| 每安全输出OA / OB | 1 ... 200 mA |
机械值和环境
| Anfahrgeschwindigkeit | max. 20 m/min |
| 连接类型 | 1个19针M23圆形接插头,RC18接插头 |
| 就绪状态延时 | 10 s |
| 安装方向 | 任何 |
| 开关频率 | max. 0.5 Hz |
| 自由度X | ±5 mm |
| 自由度Y | ±5 mm |
| 自由度Z | ±4 mm |
| 存储温度 | -25 ... 70 °C |
| 机械寿命 | 2 x 10⁶ |
| 抗冲击和振动 | 符合EN IEC 60947-5-3标准 |
| 保护等级 | IP65/IP67 (处于插入和拧紧状态) |
| 环境温度 | |
| UB = 24V DC时 | -20 ... 55 °C |
| 材料 | |
| 斜槽 | 不锈钢 |
| 安全开关壳体 | 压铸铝 |
| 锁紧力Fmax | 6500 N |
| 锁紧力FZh | 5000 N FZH = FMAX/1,3 |
| 门锁原理 | 通电解锁 |
符合EN ISO 13849-1和EN IEC 62061的特性值
| プライバシーション | 最大SIL | PFHD | 类别 | 任务时间 | |
|---|---|---|---|---|---|
| 门锁状态监控 | PL e | - | 3.1x10-9 | 4 | 20 y |
| プライバシーション | 最大SIL | 类别 | 任务时间 | |
|---|---|---|---|---|
| 门锁装置控制 | 根据门锁的外部控制 | 20 y | ||
杂项
| C数值 | |
| C2467 | 无初始化输入的特殊编码,长型逃生解锁装置和锁止装置 |
| UL 认证注意事项 | 只能通过2级UL电源或等效措施进行工作,请参见使用说明书 |
附件
连接附件
下载
完整软件包
仅需单击一次,即可下载所有重要文档。
目录:
- 操作说明以及操作说明或简要说明的所有附件
- 补充操作说明的所有数据表
- 符合性声明
下载完整软件包 (ZIP, 25,9 MB)
单个文档
数据表
数据表
文档编号
版本
语言
大小
数据表
Data sheet
Fiche technique
Ficha de datos
Datenblatt
Ficha de dados
データ シート
데이터 시트
Datový list
Data sheet
Fiche technique
Ficha de datos
Datenblatt
Ficha de dados
データ シート
데이터 시트
Datový list
文档编号
2113131
版本
17
语言
大小
0,4 MB
数据表
Data sheet
Fiche technique
Ficha de datos
Datenblatt
Ficha de dados
データ シート
데이터 시트
Datový list
Data sheet
Fiche technique
Ficha de datos
Datenblatt
Ficha de dados
データ シート
데이터 시트
Datový list
文档编号
2113252
版本
05
语言
大小
0,3 MB
数据表
Data sheet
Fiche technique
Ficha de datos
Datenblatt
Ficha de dados
データ シート
데이터 시트
Datový list
Data sheet
Fiche technique
Ficha de datos
Datenblatt
Ficha de dados
データ シート
데이터 시트
Datový list
文档编号
2150671
版本
02
语言
大小
0,3 MB
说明
使用说明书 应答机编码安全开关 配有门锁功能 CET.-AR-… (特殊/通用编码)
文档编号
版本
语言
大小
使用说明书 应答机编码安全开关 配有门锁功能 CET.-AR-… (特殊/通用编码)
文档编号
2110788
版本
11/22
语言
大小
4,2 MB
Operating Instructions Transponder-Coded Safety Switch with Guard Locking CET.-AR-… (Unicode/Multicode)
文档编号
2110788
版本
11/22
语言
大小
3,8 MB
Mode d’emploi Interrupteur de sécurité à codage par transpondeur avec interverrouillage CET.-AR-… (unicode / multicode)
文档编号
2110788
版本
11/22
语言
大小
3,9 MB
Manual de instrucciones Interruptor de seguridad con codificación por transponder con bloqueo CET.-AR-… (Unicode/Multicode)
文档编号
2110788
版本
11/22
语言
大小
3,8 MB
Betriebsanleitung Transpondercodierter Sicherheitsschalter CET.-AR-…
文档编号
2110788
版本
11/22
语言
大小
3,8 MB
Istruzioni di impiego Finecorsa di sicurezza con codifica a transponder con meccanismo di ritenuta CET.-AR-… (Unicode/Multicode)
文档编号
2110788
版本
11/22
语言
大小
3,8 MB
操作説明書 トランスポンダー コーデッド安全スイッチ ガードロック付き CET.-AR-… (ユニコード/マルチコード)
文档编号
2110788
版本
11/22
语言
大小
4,2 MB
Инструкция по эксплуатации Транспондерный предохранительный выключатель с защитной блокировкой CET.-AR-… (Uni-/Multicode)
文档编号
2110788
版本
11/22
语言
大小
4,2 MB
Návod k použití Bezpečnostní spínač s kódovaným transpondérem a jištěním ochranného krytu CET.-AR-… (Unicode/Multicode)
文档编号
2110788
版本
11/22
语言
大小
4,2 MB
Driftsvejledning Transponderkodet sikkerhedsafbryder med tilholder CET.-AR-… (Uni-/Multicode)
文档编号
2110788
版本
11/22
语言
大小
4,0 MB
Instrukcja obsługi Wyłącznik bezpieczeństwa kodowany transponderowo z blokadą CET.-AR-… (Uni-/Multicode)
文档编号
2110788
版本
11/22
语言
大小
4,2 MB
Návod na prevádzku Bezpečnostný spínač kódovaný transpondérom s istením CET.-AR-… (Uni-/Multicode)
文档编号
2110788
版本
11/22
语言
大小
4,2 MB
İşletim kılavuzu Kapalı tutma mekanizmalı aktarıcı kodlu emniyet şalteri CET.-AR-… (Uni-/Multicode)
文档编号
2110788
版本
11/22
语言
大小
4,2 MB
Instrucțiuni de utilizare Întrerupător de siguranță codat cu transponder cu blocare de protecție CET.-AR-… (Uni-/Multicode)
文档编号
2110788
版本
11/22
语言
大小
4,2 MB
其他文档
批准和证书
WEEE
文档编号
版本
语言
大小
WEEE
文档编号
ECO20001806
版本
语言
大小
0,1 MB
c UL us
文档编号
版本
语言
大小
c UL us
文档编号
版本
语言
大小
0,3 MB
订货数据
| 订货号 | 129491 |
| 项目名称 | CET3-AR-CRA-AH-50F-SH-C2467-129491 |
| 总重量 | 1,769kg |
| 海关税则号 | 85365019000 |
| ECLASS | 27-27-24-05 Safety-related transponder switch with guardlocking |





















