MGB-L0HC-ARA-L-110256 (订货号 110256)
选择内容
MGB-L0H-ARA...系列互锁套件,配有3个按钮,2个指示灯和急停开关,包含标签载体,RC26接插头
- 互锁(无门锁功能)
- 可串联其它AR设备(例如,CES-AR和CET-AR)
- 配有MGB-C控制模块
- 符合ISO 13850要求的急停开关
- 3个按钮(发光,两个白色和一个蓝色)
- 2个指示灯(发光,红绿两色)
- 包含粘性标签
- 配有RC26圆形接插头
- 特殊编码

说明
锁止类型
MGB-L0... | 可以通过旋转手柄模块的手柄,使锁舌移动进入锁止模块门锁钩未锁定在锁止位置。 |
门铰链
MGB评估模块内固定集成有一个机械式门挡块。该挡块上的标记可让调整工作更为轻松。
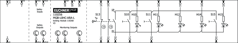
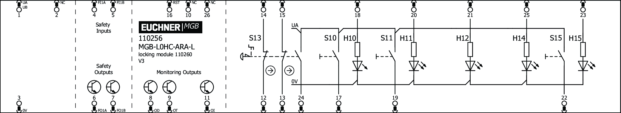
LED指示灯
LED指示灯可指示所有重要的系统和状态信息。
监控输出
OD | ON(安全门处于关闭状态时) |
OT | 锁舌插入评估模块 |
OI | 诊断;出现故障 |
急停开关设备
S1 | 2个强制断开触点和1个常开触点(如监控触点),旋转复位急停开关(不发光) |
按钮
S10 | 1常开触点、白色、发光式 |
S11 | 1常开触点、白色、发光式 |
S15 | 1常开触点、蓝色、发光式 |
指示灯
H12 | LED,绿色 |
H14 | LED,红色 |
粘性标签
具有粘性标签的装置上有预制凹槽。可将附带的粘性标签(标准大小为12.5 x 27 mm)粘附在这些凹槽内。










尺寸图

尺寸图

连接实例

技术数据
审批



互锁模块 MGB-L0C-ARA-L-110260 (秩序。没有。 110260)
操作和显示元件
| 占有率示意图 | |
| C2 | |
| L0 |
| 职务 | 颜色 | 附加部分 | 注意滑入式标签 | 产品描述 | 开关元件 | 滑入式标签 | 编号 | 名称1 | LED |
|---|---|---|---|---|---|---|---|---|---|
| 10 | 白色 | 发光按钮 | 1常开 | ||||||
| 11 | 白色 | 发光按钮 | 1常开 | ||||||
| 12 | 绿 | 信号指示灯 | |||||||
| 13 | 带监控触点 | 急停开关 | 2 PD + 1常开 | Klebeschild D40mm | |||||
| 14 | 红 | 信号指示灯 | |||||||
| 15 | 蓝 | 发光按钮 | 1常开 |
电气连接值
| 额定绝缘电压Ui | 30 V |
| 额定冲击电压 Uimp | 1.5 kV |
| 差异时间 | |
| 介于FO1A和FO1B之间 | max. 10 ms |
| 利用类别 | |
| DC-13 | 24V 200mA (注意:对于感性负载,必须使用续流二极管对输出进行保护。) |
| 风险时间,符合EN 60947-5-3标准 | max. 350 ms |
| 根据EN 60947-5-3的规定,风险时间,每增加一个单元就延长一次 | max. 5 ms |
| 安全等级 | III |
| 应答机编码 | Unicode |
| 污染程度(外部,符合EN 60947-1) | 3 |
| 控制装置及指示灯 | |
| 断流容量 | max. 0.25 W |
| 切换电压 | UA V |
| 切换电流 | 1 ... 10 mA |
| LED电源 | 24 V DC |
| 急停开关 | |
| 断流容量 | max. 0.25 W |
| 切换电压 | 5 ... 24 V |
| 切换电流 | 1 ... 100 mA |
| LED电源 | 24 V DC |
| 监控输出OD、OT、OL、OI | |
| 输出类型 | 半导体输出,p开关,防短路功能 |
| 输出电压 | UA-2V ... UA V DC (开关电流为50mA时的值(不考虑电缆长度)) |
| 输出电流 | max. 50 mA |
| 安全输出FO1A、FO1B | |
| 输出类型 | 半导体输出,p开关,防短路功能 |
| 输出电压 | |
| 高UFO1A /UFO1B | UB-2V ... UB V DC (开关电流为50mA时的值(不考虑电缆长度)) |
| 低UFO1A /UFO1B | 0 ... 1 V DC |
| 输出电流 | |
| 每安全输出FO1A/FO1B | 1 ... 200 mA |
| 测试脉冲持续时间 | max. 1 ms |
| 测试脉冲间隔 | min. 100 ms |
| UA电源 | |
| 工作电压DC | |
| UA | 24 V DC -15% ... +10% ((反极性保护,稳压,残余纹波<5%,PELV)) |
| 电流消耗 | |
| IUA | max. 10 mA ((无负载输出OD、OT、OL、OI)) |
| UB电源 | |
| 工作电压DC | |
| UB | 24 V DC -15% ... +10% ((反极性保护,稳压,残余纹波<5%,PELV)) |
| 电流消耗 | |
| IUB | max. 80 mA ((无负载输出)) |
机械值和环境
| 连接类型 | RC26圆形接插头 (X6) |
| 安装方向 | DIN左开式门铰链 |
| 开关频率 | 0.25 Hz |
| 存储温度 | -25 ... 70 °C |
| 机械寿命 | |
| 适合用作门挡块,冲击能量为1焦耳 | 0.1 x 10⁶ |
| 1 x 10⁶ | |
| 保护等级 | IP65 |
| 环境温度 | |
| UB = 24V DC时 | -20 ... 55 °C |
| 材料 | |
| 壳体 | 玻璃纤维加固塑料,压铸锌,镀镍,不锈钢 |
符合EN ISO 13849-1和EN IEC 62061的特性值
| プライバシーション | 最大SIL | PFHD | 类别 | 任务时间 | |
|---|---|---|---|---|---|
| 监控安全门位置 | PL e | - | 3.7x10-9 | 4 | 20 y |
| B10D | 任务时间 | |
|---|---|---|
| 急停开关 | 0.13x106 | 20 y |
杂项
| 滑入式标签 | |||||||
| |||||||
| 产品版本号 | V4.0.0 | ||||||
手柄模块 MGB-H-AA1A3-L-111158 (秩序。没有。 111158)
机械值和环境
| 安装方向 | DIN左开式门铰链 |
| 存储温度 | -25 ... 70 °C |
| 保护等级 | IP65 |
| 环境温度 | -20 ... 55 °C |
| 材料 | |
| 壳体 | 玻璃纤维加固塑料,压铸锌,镀镍,不锈钢 |
杂项
| 产品版本号 | V3.0.0 |
| 附加功能 | 配有自动锁止装置 |
部件
110260
MGB-L0C-ARA-L-110260
MGB-L0-ARA...系列互锁模块,配有3个按钮,2个指示灯,急停开关,包含标签载体,RC26接插头
MGB-L0C-ARA-L-110260
MGB-L0-ARA...系列互锁模块,配有3个按钮,2个指示灯,急停开关,包含标签载体,RC26接插头
- 互锁(无门锁功能)
- 可串联其它AR设备(例如,CES-AR和CET-AR)
- 配有MGB-C控制模块
- 符合ISO 13850要求的急停开关
- 3个按钮(发光,两个白色和一个蓝色)
- 2个指示灯(发光,红绿两色)
- 包含粘性标签
- 配有RC26圆形接插头
- 特殊编码

111158
MGB-H-AA1A3-L-111158
MGB-H...系列手柄模块,具有自动伸出机械防锁装置
MGB-H-AA1A3-L-111158
MGB-H...系列手柄模块,具有自动伸出机械防锁装置
- 智能门闩舌
- 折叠式锁止机械装置
- 具有第二个自动伸出的锁止机械装置
- 门手柄
附件
下载
完整软件包
仅需单击一次,即可下载所有重要文档。
目录:
- 操作说明以及操作说明或简要说明的所有附件
- 补充操作说明的所有数据表
- 符合性声明
下载完整软件包 (ZIP, 30,0 MB)
单个文档
说明
使用说明书 安全系统 MGB-L0…-AR.-…和MGB-L0…-AP.-…
文档编号
版本
语言
大小
使用说明书 安全系统 MGB-L0…-AR.-…和MGB-L0…-AP.-…
文档编号
2112657
版本
16-09/23
语言
大小
3,3 MB
Operating Instructions Safety Systems MGB-L0…-AR.-… and MGB-L0…-AP.-…
文档编号
2112657
版本
16-09/23
语言
大小
2,9 MB
Mode d’emploi Systèmes de sécurité MGB-L0…-AR.-… et MGB-L0…-AP.-…
文档编号
2112657
版本
16-09/23
语言
大小
2,9 MB
Manual de instrucciones Sistemas de seguridad MGB-L0…-AR.-… y MGB-L0…-AP.-…
文档编号
2112657
版本
16-09/23
语言
大小
2,9 MB
Betriebsanleitung Sicherheitssysteme MGB-L0…-AR.-… und MGB-L0…-AP.-…
文档编号
2112657
版本
16-09/23
语言
大小
2,9 MB
Manual de instruções Sistemas de segurança MGB-L0…-AR.-… e MGB-L0…-AP.-…
文档编号
2112657
版本
16-09/23
语言
大小
2,9 MB
Istruzioni di impiego Sistemi di sicurezza MGB-L0…-AR.-… e MGB-L0…-AP.-…
文档编号
2112657
版本
16-09/23
语言
大小
2,9 MB
操作説明書 安全システム MGB-L0…-AR.-… および MGB-L0…-AP.-…
文档编号
2112657
版本
16-09/23
语言
大小
3,3 MB
Инструкция по эксплуатации Предохранительные системы MGB-L0…-AR.-… и MGB-L0…-AP.-…
文档编号
2112657
版本
16-09/23
语言
大小
3,4 MB
Návod k použití Bezpečnostní systémy MGB-L0…-AR.-… a MGB-L0…-AP.-…
文档编号
2112657
版本
16-09/23
语言
大小
3,3 MB
Instrukcja obsługi Systemy bezpieczeństwa MGB-L0…-AR.-… i MGB-L0…-AP.-…
文档编号
2112657
版本
16-09/23
语言
大小
3,4 MB
Instruktionsbok Säkerhetssystem MGB-L0…-AR.-… och MGB-L0…-AP.-…
文档编号
2112657
版本
16-09/23
语言
大小
2,9 MB
İşletim kılavuzu Emniyet sistemleri MGB-L0…-AR.-… ve MGB-L0…-AP.-…
文档编号
2112657
版本
16-09/23
语言
大小
3,3 MB
其他文档
批准和证书
FCC
文档编号
版本
语言
大小
FCC
文档编号
版本
语言
大小
0,2 MB
IC
文档编号
版本
语言
大小
IC
文档编号
版本
语言
大小
0,6 MB
WEEE
文档编号
版本
语言
大小
WEEE
文档编号
ECO20001806
版本
语言
大小
0,1 MB
c UL us
文档编号
版本
语言
大小
c UL us
文档编号
版本
语言
大小
0,7 MB
CAD/eCAD
订货数据
| 订货号 | 110256 |
| 项目名称 | MGB-L0HC-ARA-L-110256 |
| 总重量 | 2,606kg |
| 海关税则号 | 85371098 |
| ECLASS | 27-27-24-03 Safety-related transponder switch |

















