STPA3D-2131A024MC1743 (订货号 090230)
选择内容
STP 安全开关,M20 x 1.5 接线口,门位置触点,逃生释放触点
- 3个M20 x 1.5电缆进线口
- 用于门位置的触点
- 短型应急逃生解锁装置
- 插接筒
- 通电解锁

说明
接近方向
水平和垂直
可以90°增幅进行调整
沿水平方向接近时具有更高超行程能力
若需要门关上后触发块有一定的活动距离,可使用具有超行程的触发块。使用此触发块时,门可在关闭状态下向触发方向稍稍移动。当安全门采用橡胶终端挡块时,这一点具有重要意义。使用超行程触发块,可以减小被挤压在一起的橡胶缓冲器的永久性压力。由此,可降低开关触头以及门机械结构受到的负荷。
门锁原理
通电解锁:如果防护装置上的门锁功能是基于通电解锁原理,则防护装置将通过弹簧力锁止,直到门锁电磁线圈通电为止。解锁通过电磁力实现。也称为机械上锁。
开关元件
2131 | 缓动式开关触点 |
用于门锁的触点:2个强制断开触点 | |
用于门监控的触点:1个常闭触点 |
应急逃生解锁装置
用于在危险区域内不采用工具手动解锁锁止功能。
所需附件
不包含触发块。
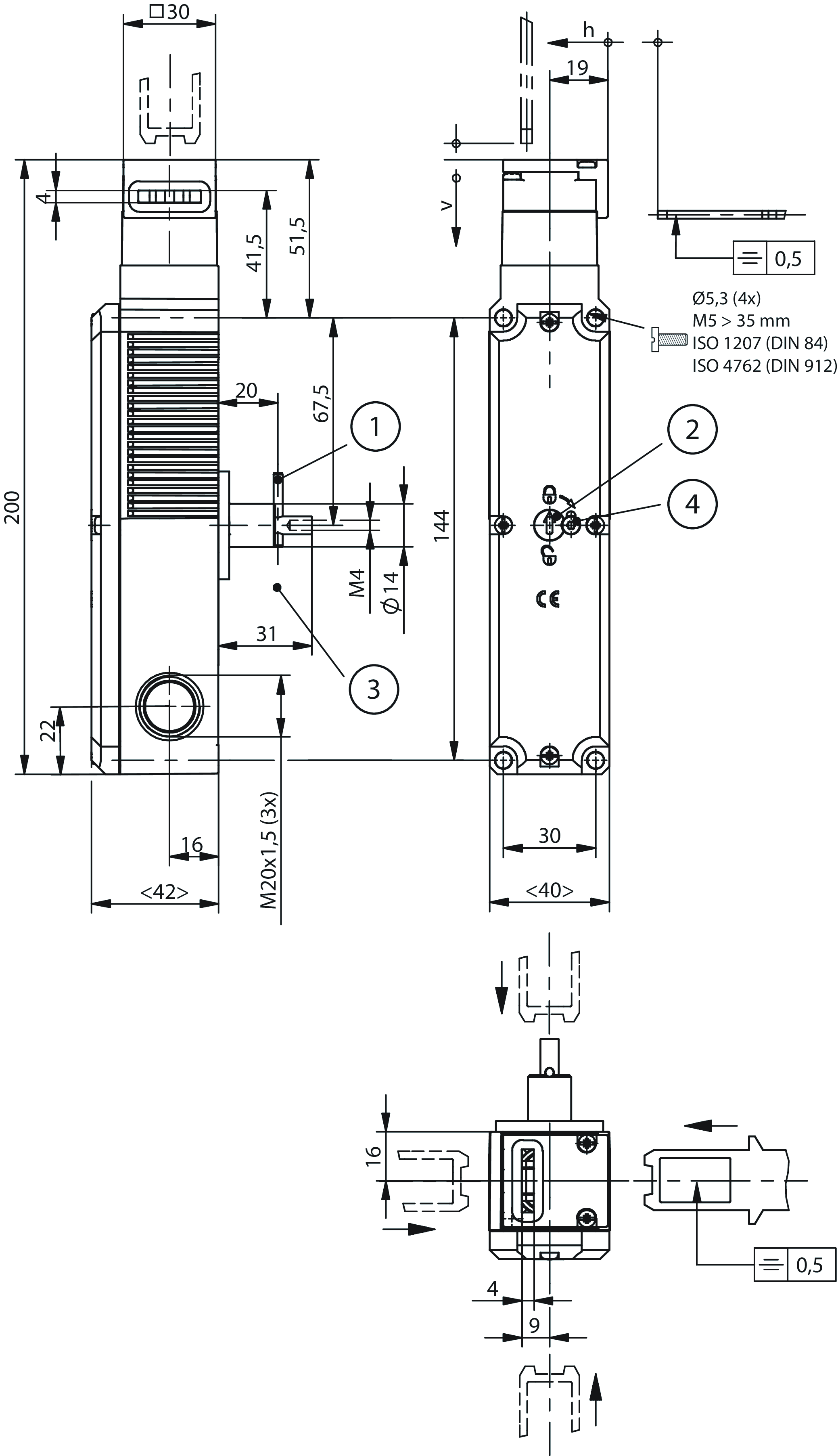
功能性图纸

尺寸图

| 1 | 应急逃生解锁装置初始位置:= 准备锁止;转动180°解锁(触发块不得承受拉伸负载) |
| 2 | 辅助解锁装置 |
| 3 | 解锁 |
| 4 | 锁止螺钉 |
连接实例

![]() | 门状态监控 |
![]() | 电磁线圈监控 |
技术数据
审批



电气连接值
| 套期保值 | max. 4 A gG |
| 功耗 | 8 W |
| 连接横断面 | 0.34 ... 1.5 mm² |
| 额定绝缘电压Ui | 50 V |
| 额定冲击电压 Uimp | 2.5 kV |
| 利用类别 | |
| DC-13 | 4A 24V |
| AC-15 | 4A 50V |
| 电磁线圈工作电压 | |
| AC/DC | 24 V -15% ... +10% |
| 电磁线圈占空比 | 100 % |
| 切换电压 | |
| 最小(10 mA时) | 12 V |
| 切换电流 | |
| 最小(24 V时) | 1 mA |
| 热额定电流Ith | 4 A |
机械值和环境
| Anfahrgeschwindigkeit | max. 20 m/min |
| 接近方向 | A |
| 连接类型 | |
| 3 x | M20 x 1.5 |
| 门位置的常闭触点数 | 1 |
| 门锁监控功能的常开触点数 | 1 |
| 门锁监控功能的强制断开触点数 | 2 |
| 拔出力 | 30 N |
| 触发频率 | max. 1200 1/h |
| 触发力 | 35 N |
| 安装方向 | 任何 |
| 插入深度 | 28.5 mm |
| 存储温度 | -25 ... 70 °C |
| 机械寿命 | 1 x 10⁶ |
| 固定作用力 | 20 N |
| 切换原则 | 缓动式开关触点 |
| 保护等级 | IP67 |
| 环境温度 | -20 ... 55 °C |
| 材料 | |
| 壳体 | 加强型热塑材料 |
| 触点 | 银合金,电亮金 |
| 锁紧力Fmax | 2500 N |
| 锁紧力FZh | 2000 N |
| 门锁原理 | 通电解锁 |
符合EN ISO 13849-1和EN IEC 62061的特性值
| B10D | 任务时间 | |
|---|---|---|
| 门锁状态监控 | 5x106 | 20 y |
| 重要申明!值在DC-13 100 mA/24V时有效 | ||
| プライバシーション | 最大SIL | 类别 | 任务时间 | |
|---|---|---|---|---|
| 门锁装置控制 | 根据门锁的外部控制 | 20 y | ||
杂项
| C数值 | |
| C1743 | 手动解锁 |
| 附加功能 | |
| 配有插接筒 | |
| STPA(旧接近尺寸) |
结合触发块-S-GT-LN使用
| 超行程 | 5 mm |
下载
完整软件包
仅需单击一次,即可下载所有重要文档。
目录:
- 操作说明以及操作说明或简要说明的所有附件
- 补充操作说明的所有数据表
- 符合性声明
下载完整软件包 (ZIP, 3,5 MB)
单个文档
说明
Operating Instructions Safety Switch STPA…
文档编号
版本
语言
大小
Operating Instructions Safety Switch STPA…
文档编号
2087009
版本
04/25
语言
大小
1,6 MB
Mode d’emploi Interrupteur de sécurité STPA…
文档编号
2087009
版本
04/25
语言
大小
1,6 MB
Manual de instrucciones Interruptor de seguridad STPA…
文档编号
2087009
版本
04/25
语言
大小
1,6 MB
Betriebsanleitung Sicherheitsschalter STPA…
文档编号
2087009
版本
04/25
语言
大小
1,6 MB
Istruzioni di impiego Finecorsa di sicurezza STPA…
文档编号
2087009
版本
04/25
语言
大小
1,6 MB
其他文档
批准和证书
CCC
文档编号
版本
语言
大小
CCC
文档编号
20001753
版本
语言
大小
0,0 MB
WEEE
文档编号
版本
语言
大小
WEEE
文档编号
ECO20001806
版本
语言
大小
0,1 MB
c UL us
文档编号
版本
语言
大小
c UL us
文档编号
版本
语言
大小
0,3 MB
销售文件
塑料壳体 的安全开关
文档编号
版本
语言
大小
塑料壳体 的安全开关
文档编号
116243
版本
11-03/18
语言
大小
6,1 MB
Safety Switches with Plastic Housing
文档编号
096956
版本
11-03/18
语言
大小
6,5 MB
Interrupteurs de sécurité avec boîtier plastique
文档编号
100677
版本
11-03/18
语言
大小
6,6 MB
Interruptores de seguridad con carcasa plástica
文档编号
104855
版本
11-03/18
语言
大小
6,6 MB
Sicherheitsschalter mit Kunststoffgehäuse
文档编号
096955
版本
11-03/18
语言
大小
6,6 MB
Bezpečnostní spínače s plastovým pouzdrem
文档编号
121649
版本
11-03/18
语言
大小
6,5 MB
订货数据
| 订货号 | 090230 |
| 项目名称 | STPA3D-2131A024MC1743 |
| 总重量 | 0,587kg |
| 海关税则号 | 85365019000 |
| ECLASS | 27-27-26-03 Safety switch with guard control |
+ 1个常开触点





