ESN10B050UP048LK05P-M (订货号 088771)
选择内容
感应式单体限位开关 ESN
- 紧凑型设计,带接配线电缆
- 额定识别距离 5mm
- LED功能显示

说明


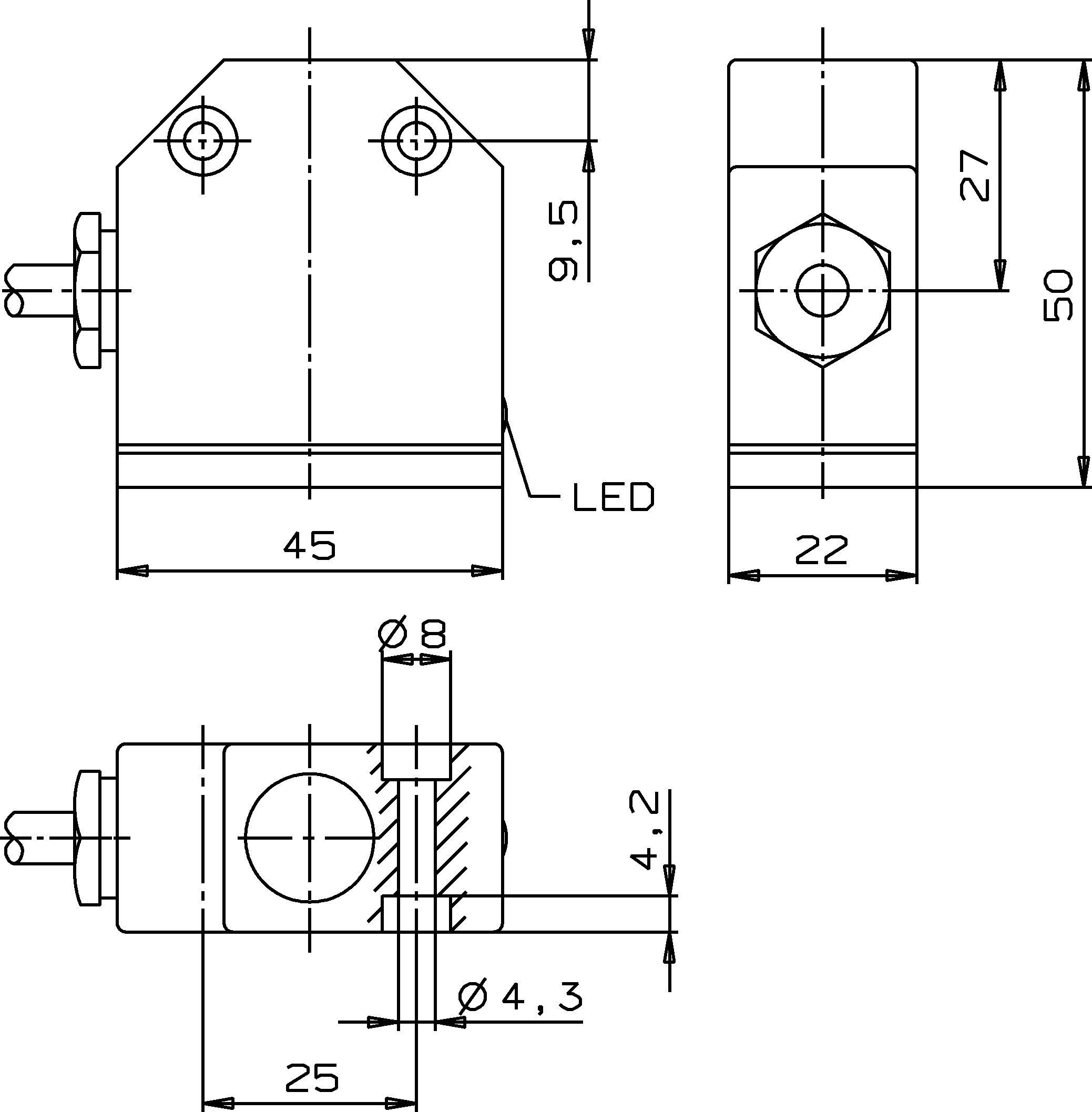
尺寸图

连接实例

技术数据
审批

工作区
| 额定工作距离Sn | 5 mm |
| 可靠工作距离Sa | 0 ... 4 mm (尺寸仅适用于钢质(ST37)和安士能UX..系列挡块/GX..系列挡块。) |
| 开关磁滞 | 0.15 ... 0.75 mm |
| 重复精度R | 5 % |
操作和显示元件
| LED显示屏 | LED功能显示(常开触点),黄色 |
电气连接值
| 额定工作电流Ie | 250 mA |
| 额定绝缘电压Ui | 60 V |
| 工作电压DC | 10 ... 55 V DC |
| 利用类别 | |
| DC-12 | (对于使用类别DC-13,必须使用续流二极管对输出进行感性负载保护。) |
| 空载电流I0 | 15 |
| 断态电流Ir | max. 0.05 mA |
| 残余纹波 | max. 10 % |
| 电压下降Ud | |
| DC | max. 2.5 V |
| 反极性保护 | 是 |
机械值和环境
| 导线截面积 | 4 x 0.25 mm2 |
| 连接类型 | PUR电缆 |
| 开关频率 | max. 500 Hz |
| 存储温度 | -25 ... 70 °C |
| 保护等级 | IP67 (仅当使用安士能产品目录中所述的接插头时,方可确保防护等级。) |
| 环境温度 | -25 ... 70 °C (对于使用类别DC-13,必须使用续流二极管对输出进行感性负载保护。) |
| 材料 | |
| 壳体 | 铸造铝,阳极氧化处理 |
| 工作面的材料 | PBT |
下载
完整软件包
仅需单击一次,即可下载所有重要文档。
目录:
- 操作说明以及操作说明或简要说明的所有附件
- 补充操作说明的所有数据表
- 符合性声明
下载完整软件包 (ZIP, 0,3 MB)
单个文档
其他文档
批准和证书
WEEE
文档编号
版本
语言
大小
WEEE
文档编号
ECO20001806
版本
语言
大小
0,1 MB
c UL us
文档编号
版本
语言
大小
c UL us
文档编号
版本
语言
大小
0,3 MB
CAD/eCAD
订货数据
| 订货号 | 088771 |
| 项目名称 | ESN10B050UP048LK05P-M |
| 总重量 | 0,277kg |
| 海关税则号 | 85365019000 |
| ECLASS | 27-27-01-01 Inductive proximity switch |

