BETAETIGER-P-WT (订货号 070038)
选择内容
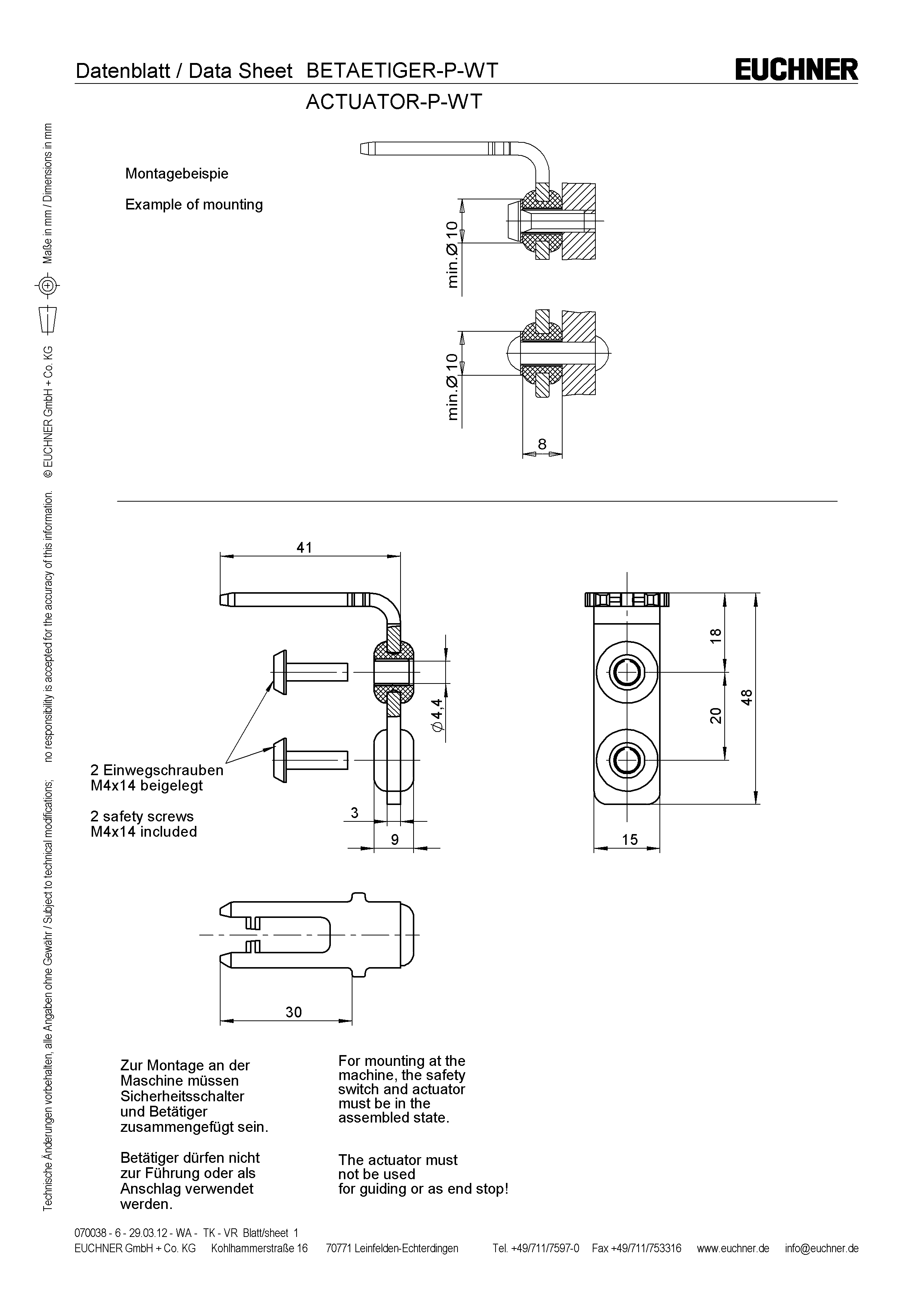
NP/GP/TP安全开关用弯头触发块
- 触发块由不锈钢制成
- 每个触发块有两个不锈钢安全螺钉
- 配有橡胶衬套的触发块

说明
配有橡胶衬套的触发块
用于灵活安装的触发块
不锈钢材质螺钉
内附的安全螺钉可采用普通工具插装,但不可再拆下。

尺寸图

技术数据
机械值和环境
| 存储温度 | -25 ... 70 °C |
| 超行程 | max. 2 mm |
| 门半径 | min. 1000 mm |
| 材料 | |
| 触发块 | 不锈钢 |
| 螺钉 | 不锈钢 |
| 橡胶衬套 | NBR |
杂项
| 插接筒的可用性 | 否 |
附件
下载
完整软件包
仅需单击一次,即可下载所有重要文档。
目录:
- 操作说明以及操作说明或简要说明的所有附件
- 补充操作说明的所有数据表
- 符合性声明
下载完整软件包 (ZIP, 0,1 MB)
单个文档
其他文档
销售文件
塑料壳体 的安全开关
文档编号
版本
语言
大小
塑料壳体 的安全开关
文档编号
116243
版本
11-03/18
语言
大小
6,1 MB
Safety Switches with Plastic Housing
文档编号
096956
版本
11-03/18
语言
大小
6,5 MB
Interrupteurs de sécurité avec boîtier plastique
文档编号
100677
版本
11-03/18
语言
大小
6,6 MB
Interruptores de seguridad con carcasa plástica
文档编号
104855
版本
11-03/18
语言
大小
6,6 MB
Sicherheitsschalter mit Kunststoffgehäuse
文档编号
096955
版本
11-03/18
语言
大小
6,6 MB
Bezpečnostní spínače s plastovým pouzdrem
文档编号
121649
版本
11-03/18
语言
大小
6,5 MB
CAD/eCAD
订货数据
| 订货号 | 070038 |
| 项目名称 | BETAETIGER-P-WT |
| 总重量 | 0,031kg |
| 海关税则号 | 85389099990 |
| ECLASS | 27-27-26-06 Actuator for safety-related position switch |

