RADIUSBETAETIGER-Z-L (订货号 024298)
选择内容
左开铰链式触发块,适用于NZ.VZ、NZ.VZ.VS和TZ系列安全开关
- 每个触发块有两个不锈钢安全螺钉

说明
铰链式触发块
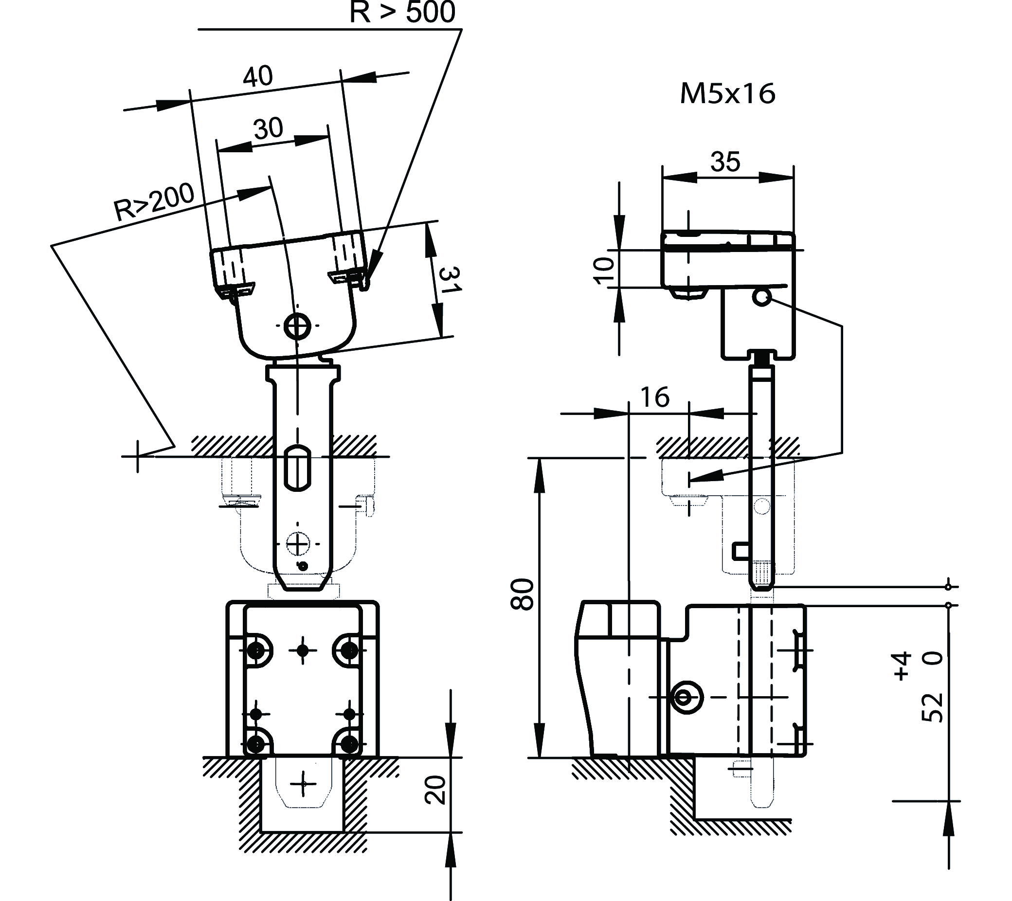
对于门转动半径小于1000 mm的情形,应采用铰链式触发块。触发块的弹簧的弹性运动可防止因触发头卡死而造成损坏。根据安全门的运动类型,必须针对左开/右开或顶开/底开式应用选择触发块。
不锈钢材质螺钉
内附的安全螺钉可采用普通工具插装,但不可再拆下。

尺寸图

技术数据
审批

机械值和环境
| 存储温度 | -25 ... 70 °C |
| 超行程 | max. 4 mm |
| 门半径 | min. 200 mm |
| 材料 | |
| 触发块 | 镀锌钢 |
| 螺钉 | 不锈钢 |
| 护套 | 塑料 |
杂项
| 插接筒的可用性 | 否 |
下载
完整软件包
仅需单击一次,即可下载所有重要文档。
目录:
- 操作说明以及操作说明或简要说明的所有附件
- 补充操作说明的所有数据表
- 符合性声明
下载完整软件包 (ZIP, 0,3 MB)
单个文档
其他文档
批准和证书
DGUV
文档编号
版本
语言
大小
DGUV
文档编号
版本
语言
大小
3,3 MB
销售文件
金属壳体 的安全开关
文档编号
版本
语言
大小
金属壳体 的安全开关
文档编号
102453
版本
11-03/18
语言
大小
8,2 MB
Safety Switches with Metal Housing
文档编号
100369
版本
11-03/18
语言
大小
7,8 MB
Interrupteurs de sécurité avec boîtier métallique
文档编号
100676
版本
11-03/18
语言
大小
7,9 MB
Interruptores de seguridad con carcasa metálica
文档编号
104856
版本
11-03/18
语言
大小
14,0 MB
Sicherheitsschalter mit Metallgehäuse
文档编号
100319
版本
11-03/18
语言
大小
7,9 MB
Bezpečnostní spínače s kovovým pouzdrem
文档编号
121650
版本
11-03/18
语言
大小
7,8 MB
CAD/eCAD
订货数据
| 订货号 | 024298 |
| 项目名称 | RADIUSBETAETIGER-Z-L |
| 总重量 | 0,081kg |
| Global Trade Item Number (GTIN) | 4047048000032 |
| 海关税则号 | 85389099990 |
| ECLASS | 27-27-26-06 Actuator for safety-related position switch |

