KET1234 (Sip. No. 028436)
Choose content
Series KE...
- Control panel installation according to IEC 947-5-1 D22
- 1 to 8 actuating directions, 4 switching elements. Stayput switch, spring return switch or combined
- One changeover contact with tab connector 2.8 x 0.5 IEC 760 for each actuating direction
- Center-position switch

Açıklama




Functional drawings

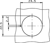
Dimensional drawings

Dimensional drawings

Connection examples

Teknik Veriler
Approvals

Electrical connection values
| Fuse | T10/F20 |
| Rated insulation voltage Ui | 250 V |
| Rated impulse voltage Uimp | 2.5 kV |
| Utilization category | |
| DC-13 | 24V 2A |
| AC-15 | 230V 4A |
| Switching voltage | min. 10 V |
| Switching current | |
| (at 24V) | min. 12 mA |
Mechanical values and environment
| Connection type | Tab connector 2.8x0.5 IEC760 |
| Number of monitoring contacts | 4 (4 directions) |
| Actuating directions | 4 (Pushbutton) |
| Storage temperature | -25 ... 70 °C |
| Mechanical life | 1 x 10⁶ |
| Mounting cut-out | D22 (EN IEC 60947-5-1) |
| Switching principle | Changeover contact C, IEC 947-5-1 (Snap-action contact element, design ES587) |
| Degree of protection | |
| on the front with bellows | IP65 |
| Ambient temperature | -25 ... 65 °C |
| Material | |
| Housing thermoplastic | |
| Contact | Silver alloy |
| Switching lever stainless steel | |
| Bellows elastomer, black (Low PAH) |
İndirme
Komple paket
Tüm önemli belgeleri tek bir tıklama ile indirin.
İçerik:
- Kullanım talimatları ve kullanım talimatlarına veya kısa talimatlara yapılan tüm eklemeler
- Kullanım talimatlarını tamamlayan tüm veri sayfaları
- Uygunluk beyanı
Paketin tamamını indirin (ZIP, 0,3 MB)
Tek Belgeler
Declarations of conformity
EU-Konformitätserklärung
Dok. No.
Versiyon
Dil
Boyut
EU-Konformitätserklärung
Dok. No.
Versiyon
Dil
Boyut
0,2 MB
UKCA-Konformitätserklärung
Dok. No.
Versiyon
Dil
Boyut
UKCA-Konformitätserklärung
Dok. No.
EDC20001504
Versiyon
Dil
Boyut
0,1 MB
Diğer Belgeler
Approvals and certificates
CCC
Dok. No.
Versiyon
Dil
Boyut
CCC
Dok. No.
20001849
Versiyon
Dil
Boyut
0,0 MB
WEEE
Dok. No.
Versiyon
Dil
Boyut
WEEE
Dok. No.
ECO20001806
Versiyon
Dil
Boyut
0,1 MB
CAD Verileri
Sipariş verileri
| Sip. No. | 028436 |
| Makale adı | KET1234 |
| Ağırlık | 0,107kg |
| Gümrük sınıfı | 85365019000 |
| ECLASS | 27-37-14-04 Control switch, joystick |

