HBA-079826 (Sip. No. 079826)
Choose content
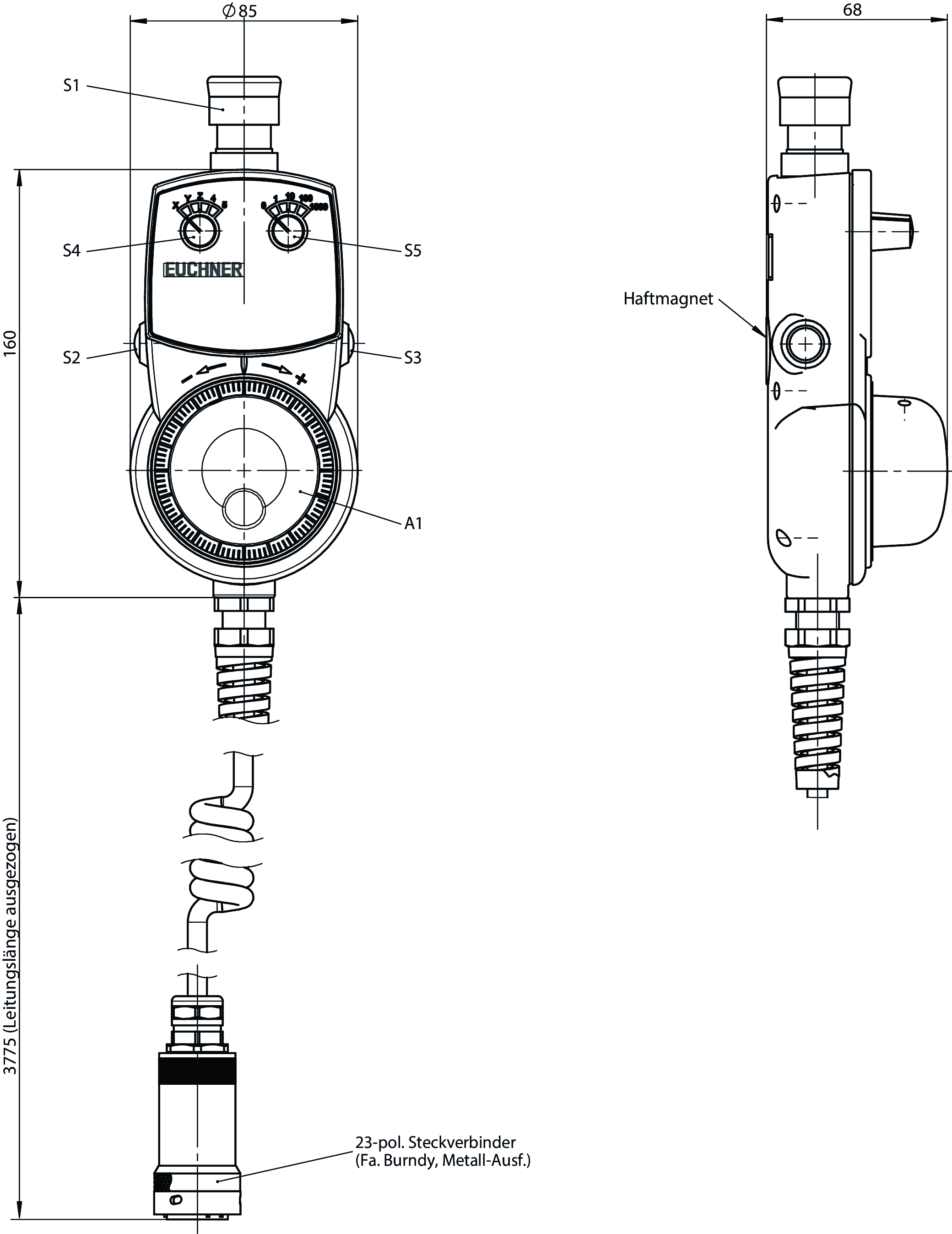
Hand-held pendant station HBA, EMERGENCY STOP device, pushbuttons, handwheel, selector switch
- Handwheel, 100 pulses, wear-free magnetic detent mechanism
- 2 pushbuttons, 2-stage, 1 NO contact each, e.g. for enabling function
- Tamper-proof EMERGENCY STOP device according to EN ISO 13850, dual-channel
- 2 selector switches, 5 positions each (X, Y, Z, 4, 5 and 0, 1, 10, 100, 1000)

Açıklama
Dimensional drawings

Connection examples

Teknik Veriler
Approvals

Operating and display elements
| Item | Color | Extras | Switching element | Version | Note slide-in label | Slide-in label | Number | Designation1 | LED |
|---|---|---|---|---|---|---|---|---|---|
| see data sheets | black knob with marking | - | 5-stage, Gray coded, detent angle 22.5° | Selector switch | 1 | ||||
| see data sheets | black knob with marking | - | 5-stage, Gray coded, detent angle 22.5° | Selector switch | 1 | ||||
| see data sheets | red-yellow | - | 2 pos. driven contact | Emergency stop | 1 | ||||
| see data sheets | black | - | 1 NO contact each | Pushbutton | 2 | ||||
| see data sheets | black plastic adjusting wheel | - | - | Handwheel | 1 |
Electrical connection values
| Connecting cable | 23x0.14 mm² (screened) |
| EMC protection requirements | |
| according to CE | EN 61000-6-2, EN 61000-6-4 |
| Handwheel | |
| Output type | |
| Handwheel | RS422 |
| Operating voltage DC | |
| Handwheel | 5 V DC -5% ... +5% |
| Utilization category | |
| DC-13 Emergency stop | 24 V DC / 3 A |
| Pulses per revolution | |
| Handwheel | 2x100 |
| Switching capacity (VA) | |
| Selector switch | max. 0.2 VA |
| Switching voltage | |
| Pushbuttons | max. DC 50 V |
| Selector switch | max. 15 V |
| Pushbuttons | max. AC 32 V |
| Switching current | |
| Pushbuttons | max. 100 mA |
| Selector switch | 0.1 ... 20 mA |
Mechanical values and environment
| Connection type | Plug connector (23-pin, metal version) |
| Storage temperature | -25 ... 70 °C |
| Cable length | |
| coiled | 3.775 m (extended) |
| Atmospheric humidity | |
| (condensation not permissible) | max. 80 % rH |
| Shock and vibration resistance | according to EN 60068-2-27/-2-6 |
| Degree of protection | |
| according to Nema | 205-12 (in the installed state) |
| IP65 (in the installed state) | |
| Ambient temperature | 0 ... 50 °C |
| Material | Polycarbonate |
| Handwheel | |
| Detent positions per revolution | |
| Handwheel | 100 (magnetic detent mechanism) |
Miscellaneous
| Color | |
| Housing | Gray RAL 7040 |
| Notices for UL approval | Operation only with UL Class 2 power supply or equivalent measures |
Aksesuar
Connection material
Extension cable 23-core, straight

091467
23POL/10M/METALLAUSFUEHRUNG
23POL/10M/METALLAUSFUEHRUNG
- Extension cable
- Flange plug connector with socket contacts, 23-pin
- Plug connector with male contacts, 23-pin
- Bayonet plug lock
- PUR cable
- Cable length 10 m, straight

091466
23POL/5M/METALLAUSFUEHRUNG-091466
23POL/5M/METALLAUSFUEHRUNG-091466
- Extension cable
- Flange plug connector with socket contacts, 23-pin
- Plug connector with male contacts, 23-pin
- Bayonet plug lock
- PUR cable
- Cable length 5 m, straight
İndirme
Komple paket
Tüm önemli belgeleri tek bir tıklama ile indirin.
İçerik:
- Kullanım talimatları ve kullanım talimatlarına veya kısa talimatlara yapılan tüm eklemeler
- Kullanım talimatlarını tamamlayan tüm veri sayfaları
- Uygunluk beyanı
Paketin tamamını indirin (ZIP, 4,9 MB)
Tek Belgeler
Declarations of conformity
EU-Konformitätserklärung
Dok. No.
Versiyon
Dil
Boyut
EU-Konformitätserklärung
Dok. No.
EDC2109732
Versiyon
Dil
Boyut
0,2 MB
UKCA-Konformitätserklärung
Dok. No.
Versiyon
Dil
Boyut
UKCA-Konformitätserklärung
Dok. No.
EDC20001586
Versiyon
Dil
Boyut
0,2 MB
Instructions
Operating Instructions Hand-Held Pendant Stations HBA/HBM
Dok. No.
Versiyon
Dil
Boyut
Operating Instructions Hand-Held Pendant Stations HBA/HBM
Mode d’emploi Pupitres portables HBA/HBM
Betriebsanleitung Handbediengeräte HBA/HBM
Istruzioni di impiego Dispositivo di comando manuale HBA/HBM
Mode d’emploi Pupitres portables HBA/HBM
Betriebsanleitung Handbediengeräte HBA/HBM
Istruzioni di impiego Dispositivo di comando manuale HBA/HBM
Dok. No.
2537481
Versiyon
02-03/23
Dil
Boyut
0,9 MB
Manual de instrucciones Botoneras HBA/HBM
Dok. No.
2537481
Versiyon
02-03/23
Dil
Boyut
0,3 MB
Betriebsanleitung Handbediengeräte HBA/HBM
Dok. No.
2537481
Versiyon
02-03/23
Dil
Boyut
0,3 MB
Инструкция по эксплуатации Ручные устройства управления HBA/HBM
Dok. No.
2537481
Versiyon
02-03/23
Dil
Boyut
0,4 MB
Návod k použití Ruční ovladače HBA/HBM
Dok. No.
2537481
Versiyon
02-03/23
Dil
Boyut
0,4 MB
Operating instructions for electronic HBA handwheel with magnetic detent
Dok. No.
Versiyon
Dil
Boyut
Operating instructions for electronic HBA handwheel with magnetic detent
Mode d’emploi de la manivelle électronique pour pupitre portable HBA avec crantage magnétique
Betriebsanleitung Elektronisches HBA-Handrad mit magnetischer Rastung
Istruzioni di impiego volantino elettronico per HBA con autoritenuta magnetica
Mode d’emploi de la manivelle électronique pour pupitre portable HBA avec crantage magnétique
Betriebsanleitung Elektronisches HBA-Handrad mit magnetischer Rastung
Istruzioni di impiego volantino elettronico per HBA con autoritenuta magnetica
Dok. No.
2105823
Versiyon
02-04/09
Dil
Boyut
0,5 MB
Manual de instrucciones del volante HBA electrónico con parada magnética
Dok. No.
2105823
Versiyon
02-04/09
Dil
Boyut
0,2 MB
Инструкция по эксплуатации электронного маховичка HBA с магнитной фиксацией
Dok. No.
2105823
Versiyon
02-04/09
Dil
Boyut
0,2 MB
Návod k použití – elektronické ruční kolečko HBA s magnetickou aretací
Dok. No.
2105823
Versiyon
02-04/09
Dil
Boyut
0,1 MB
Diğer Belgeler
Approvals and certificates
WEEE
Dok. No.
Versiyon
Dil
Boyut
WEEE
Dok. No.
ECO20001806
Versiyon
Dil
Boyut
0,1 MB
c UL us
Dok. No.
Versiyon
Dil
Boyut
c UL us
Dok. No.
Versiyon
Dil
Boyut
0,2 MB
CAD Verileri
Sipariş verileri
| Sip. No. | 079826 |
| Makale adı | HBA-079826 |
| Ağırlık | 1,289kg |
| Gümrük sınıfı | 85371098 |
| ECLASS | 27-33-02-02 Mobile Panel (HMI) |








