ZSM2300-111871 (Sip. No. 111871)
Choose content
ZSM, LED
- 3-stage function
- LED indicator
- Coiled connecting cable, 5 m

Açıklama
3-stage function
Enabling function is active only in the second stage (center position, actuating point). If the pushbutton is released or pushed further (panic function), the enabling is removed (dependent on the wiring, see function sequence).
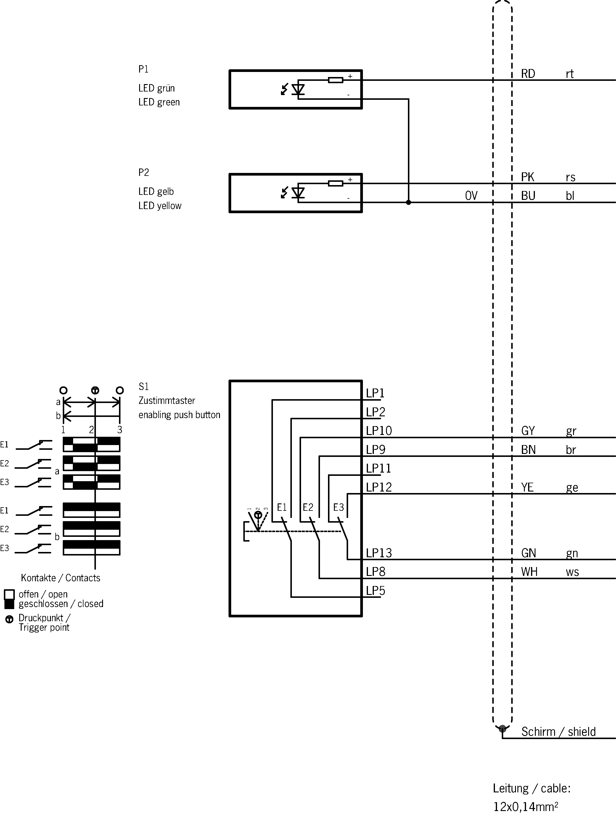
LED indicator
The LED indicator is used for visual feedback directly at the enabling switch.
Cable
The high-quality connecting cables are available in a coiled version.




Dimensional drawings

Connection examples

Connection examples

Connection examples

Teknik Veriler
Approvals


Operating and display elements
| Item | Color | Extras | Note slide-in label | Version | Switching element | Slide-in label | Number | Designation1 | LED |
|---|---|---|---|---|---|---|---|---|---|
| green | LED | 1 | |||||||
| yellow | LED | 1 |
Electrical connection values
| Fuse | max. 2 A gG |
| Connecting cable | 12x0.14 mm² (screened) |
| rated conditional short-circuit current | 100 A |
| Rated insulation voltage Ui | 50 V |
| Rated impulse voltage Uimp | 0.5 kV |
| Utilization category | |
| DC-13 | 30 V 0.1 A (For enabling switch, caution: outputs must be protected with a free-wheeling diode in case of inductive loads) |
| DC-13 | 24V 0.01A (For additional indicators) |
| Switching characteristics | 3-stage enabling switch |
| Degree of contamination (external, according to EN 60947-1) | 3 |
Mechanical values and environment
| Connection type | flying lead |
| Number of changeover contacts | 3 (Connection as per block diagram) |
| Storage temperature | -25 ... 70 °C |
| Cable length | |
| coiled, short straight piece of cable on the enabling switch | 5 m |
| Mechanical life | 1 x 10⁶ |
| Switching principle | Snap-action contact element |
| Degree of protection | IP54 |
| Ambient temperature | -5 ... 60 °C |
| Material | PA, CR, TPE (Low PAH) |
Characteristic values according to EN ISO 13849-1 and EN IEC 62061
| B10D | Mission time | |
|---|---|---|
| Enabling switch | 0.1x106 | 20 y |
Miscellaneous
| in compliance with | 60947-5-8 |
Aksesuar
İndirme
Komple paket
Tüm önemli belgeleri tek bir tıklama ile indirin.
İçerik:
- Kullanım talimatları ve kullanım talimatlarına veya kısa talimatlara yapılan tüm eklemeler
- Kullanım talimatlarını tamamlayan tüm veri sayfaları
- Uygunluk beyanı
Paketin tamamını indirin (ZIP, 2,6 MB)
Tek Belgeler
Declarations of conformity
EU-Konformitätserklärung
Dok. No.
Versiyon
Dil
Boyut
EU-Konformitätserklärung
Dok. No.
EDC2109392
Versiyon
Dil
Boyut
0,2 MB
UKCA-Konformitätserklärung
Dok. No.
Versiyon
Dil
Boyut
UKCA-Konformitätserklärung
Dok. No.
EDC20001579
Versiyon
Dil
Boyut
0,1 MB
Instructions
Operating Instructions Enabling Switch ZSM
Dok. No.
Versiyon
Dil
Boyut
Operating Instructions Enabling Switch ZSM
Dok. No.
2098540
Versiyon
08-03/26
Dil
Boyut
0,5 MB
Mode d’emploi Commande d’assentiment ZSM
Dok. No.
2098540
Versiyon
08-03/26
Dil
Boyut
0,5 MB
Manual de instrucciones Pulsador de validación ZSM
Dok. No.
2098540
Versiyon
08-03/26
Dil
Boyut
0,5 MB
Betriebsanleitung Zustimmtaster ZSM
Dok. No.
2098540
Versiyon
08-03/26
Dil
Boyut
0,5 MB
Manual de instruções Chaves enable ZSM
Dok. No.
2098540
Versiyon
08-03/26
Dil
Boyut
0,5 MB
Istruzioni di impiego Pulsanti di consenso ZSM
Dok. No.
2098540
Versiyon
08-03/26
Dil
Boyut
0,5 MB
Diğer Belgeler
Approvals and certificates
DGUV
Dok. No.
Versiyon
Dil
Boyut
DGUV
Dok. No.
Versiyon
Dil
Boyut
3,2 MB
WEEE
Dok. No.
Versiyon
Dil
Boyut
WEEE
Dok. No.
ECO20001806
Versiyon
Dil
Boyut
0,1 MB
c UL us
Dok. No.
Versiyon
Dil
Boyut
c UL us
Dok. No.
Versiyon
Dil
Boyut
0,2 MB
Sales documents
Commandes d’Assentiment ZS
Dok. No.
Versiyon
Dil
Boyut
Commandes d’Assentiment ZS
Dok. No.
097367
Versiyon
09-02/21
Dil
Boyut
10,2 MB
Enabling switches ZS
Dok. No.
Versiyon
Dil
Boyut
Enabling switches ZS
Dok. No.
095690
Versiyon
09-02/21
Dil
Boyut
10,1 MB
Zustimmtaster ZS
Dok. No.
Versiyon
Dil
Boyut
Zustimmtaster ZS
Dok. No.
095689
Versiyon
09-02/21
Dil
Boyut
10,2 MB
ePlan macros
EUC.111871
Dok. No.
Versiyon
Dil
Boyut
EUC.111871
Dok. No.
Versiyon
Dil
Boyut
0,1 MB
Sipariş verileri
| Sip. No. | 111871 |
| Makale adı | ZSM2300-111871 |
| Ağırlık | 0,849kg |
| Gümrük sınıfı | 85371098 |
| ECLASS | 27-37-12-38 Agreement switch |




