AnasayfaProductsElectromechanical safety switches without guard lockingN1A / NB01 Single Limit Switch, NZ position switch and EGZ single fixing limit switchNZ2WO-3131
NZ2WO-3131 (Sip. No. 090913)
Choose content
Safety switch NZ.WO, rounded plunger, plug connector SR11
- Rounded plunger
- Version B according to EN 50041 (hardened)
- SR11 plug connector; 11-pin + PE
- 2 pos. driven contact
- 2 NO contacts

Açıklama
Switching element
3131H | Slow-action switching contact 2 positively driven contacts |
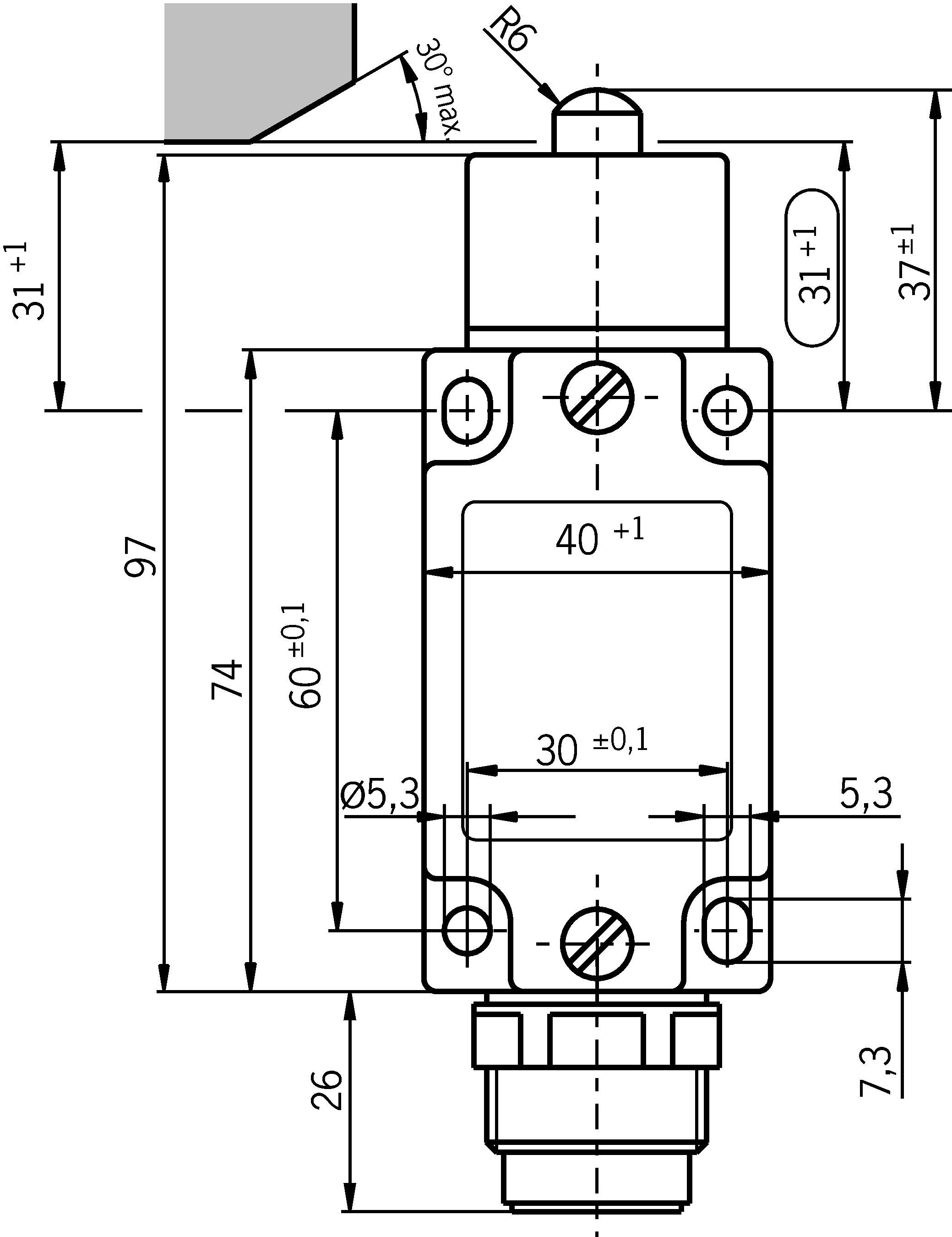
Dimensional drawings

Connection examples

Shift travel diagrams

![]() | Contacts closed |
![]() | Contacts open |
![]() | Contacts positively driven |
Teknik Veriler
Approvals




Electrical connection values
| Fuse | max. 4 A gG |
| Rated insulation voltage Ui | 50 V |
| Rated impulse voltage Uimp | 1.5 kV |
| Utilization category | |
| DC-13 | 4 A 24 V |
| AC-15 | 4 A 50 V |
| Switching current | |
| min. at DC 24V | 1 mA |
| thermal rated current Ith | 4 A |
Mechanical values and environment
| Anfahrgeschwindigkeit | 0.1 ... 10 m/min |
| Connection type | |
| 1 x | Plug connector SR11 (11-pin + PE) |
| Number of NO contacts | 2 |
| Number of door position positively driven contacts | 2 |
| Actuating element | Rounded plunger |
| Actuating force | 15 ... 30 N |
| Installation orientation | any |
| Storage temperature | -25 ... 80 °C |
| Mechanical life | 30 x 10⁶ |
| Switching principle | Slow-action switching contact |
| Degree of protection | IP65 |
| Ambient temperature | -25 ... 80 °C |
| Material | |
| Contact | Silver alloy, gold flashed |
| Housing | Anodized die-cast alloy |
Characteristic values according to EN ISO 13849-1 and EN IEC 62061
| B10D | Mission time | |
|---|---|---|
| Safe position sensing | 2x107 | 20 y |
| Important! Values valid at DC-13 100 mA/24V | ||
Aksesuar
Connection material
İndirme
Komple paket
Tüm önemli belgeleri tek bir tıklama ile indirin.
İçerik:
- Kullanım talimatları ve kullanım talimatlarına veya kısa talimatlara yapılan tüm eklemeler
- Kullanım talimatlarını tamamlayan tüm veri sayfaları
- Uygunluk beyanı
Paketin tamamını indirin (ZIP, 4,3 MB)
Tek Belgeler
Declarations of conformity
EU-Konformitätserklärung
Dok. No.
Versiyon
Dil
Boyut
EU-Konformitätserklärung
Dok. No.
EDC2539628
Versiyon
Dil
Boyut
0,2 MB
UKCA-Konformitätserklärung
Dok. No.
Versiyon
Dil
Boyut
UKCA-Konformitätserklärung
Dok. No.
EDC20001551
Versiyon
Dil
Boyut
0,1 MB
Instructions
Operating Instructions Safety Switch NZ.D.../NZ.W.../NZ.R...
Dok. No.
Versiyon
Dil
Boyut
Operating Instructions Safety Switch NZ.D.../NZ.W.../NZ.R...
Dok. No.
2074549
Versiyon
08/25
Dil
Boyut
0,6 MB
Mode d’emploi Interrupteur de sécurité NZ.D.../NZ.W.../NZ.R...
Dok. No.
2074549
Versiyon
08/25
Dil
Boyut
0,7 MB
Manual de instrucciones Interruptor de seguridad NZ.D.../NZ.W.../NZ.R...
Dok. No.
2074549
Versiyon
08/25
Dil
Boyut
0,7 MB
Betriebsanleitung Sicherheitsschalter NZ.D.../NZ.W.../NZ.R...
Dok. No.
2074549
Versiyon
08/25
Dil
Boyut
0,7 MB
Istruzioni di impiego Finecorsa di sicurezza NZ.D.../NZ.W.../NZ.R...
Dok. No.
2074549
Versiyon
08/25
Dil
Boyut
0,6 MB
Инструкция по эксплуатации Предохранительный выключатель NZ.D…/NZ.W…/NZ.R…
Dok. No.
2074549
Versiyon
08/25
Dil
Boyut
1,1 MB
Instrukcja obsługi Wyłącznik bezpieczeństwa NZ.D.../NZ.W.../NZ.R...
Dok. No.
2074549
Versiyon
08/25
Dil
Boyut
1,1 MB
Návod na prevádzku Bezpečnostný spínač NZ.D.../NZ.W.../NZ.R...
Dok. No.
2074549
Versiyon
08/25
Dil
Boyut
1,1 MB
Diğer Belgeler
Approvals and certificates
CCC
Dok. No.
Versiyon
Dil
Boyut
CCC
Dok. No.
20001753
Versiyon
Dil
Boyut
0,0 MB
DGUV
Dok. No.
Versiyon
Dil
Boyut
DGUV
Dok. No.
Versiyon
Dil
Boyut
3,4 MB
DNV-GL
Dok. No.
Versiyon
Dil
Boyut
DNV-GL
Dok. No.
Versiyon
Dil
Boyut
0,2 MB
WEEE
Dok. No.
Versiyon
Dil
Boyut
WEEE
Dok. No.
ECO20001806
Versiyon
Dil
Boyut
0,1 MB
c UL us
Dok. No.
Versiyon
Dil
Boyut
c UL us
Dok. No.
Versiyon
Dil
Boyut
0,3 MB
Sales documents
Safety Switches with Metal Housing
Dok. No.
Versiyon
Dil
Boyut
Safety Switches with Metal Housing
Dok. No.
100369
Versiyon
11-03/18
Dil
Boyut
7,8 MB
Interrupteurs de sécurité avec boîtier métallique
Dok. No.
100676
Versiyon
11-03/18
Dil
Boyut
7,9 MB
Interruptores de seguridad con carcasa metálica
Dok. No.
104856
Versiyon
11-03/18
Dil
Boyut
14,0 MB
Sicherheitsschalter mit Metallgehäuse
Dok. No.
100319
Versiyon
11-03/18
Dil
Boyut
7,9 MB
金属壳体 的安全开关
Dok. No.
102453
Versiyon
11-03/18
Dil
Boyut
8,2 MB
Bezpečnostní spínače s kovovým pouzdrem
Dok. No.
121650
Versiyon
11-03/18
Dil
Boyut
7,8 MB
CAD Verileri
Sipariş verileri
| Sip. No. | 090913 |
| Makale adı | NZ2WO-3131 |
| Ağırlık | 0,355kg |
| Gümrük sınıfı | 85365019000 |
| ECLASS | 27-27-26-01 Safety position switch (Type 1) |
+ 2 NO contact









