AM-P-126400 (Sip. No. 126400)
Choose content
Mounting plate EM-P actuator for safety switch CET
- Mounting plate for CET actuator
- Suitable for mounting on aluminum profiles of width 30/40/50 mm
- Suitable for the mounting plates AM-P-126399 and AM-P-126398

Açıklama


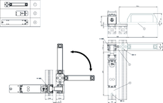
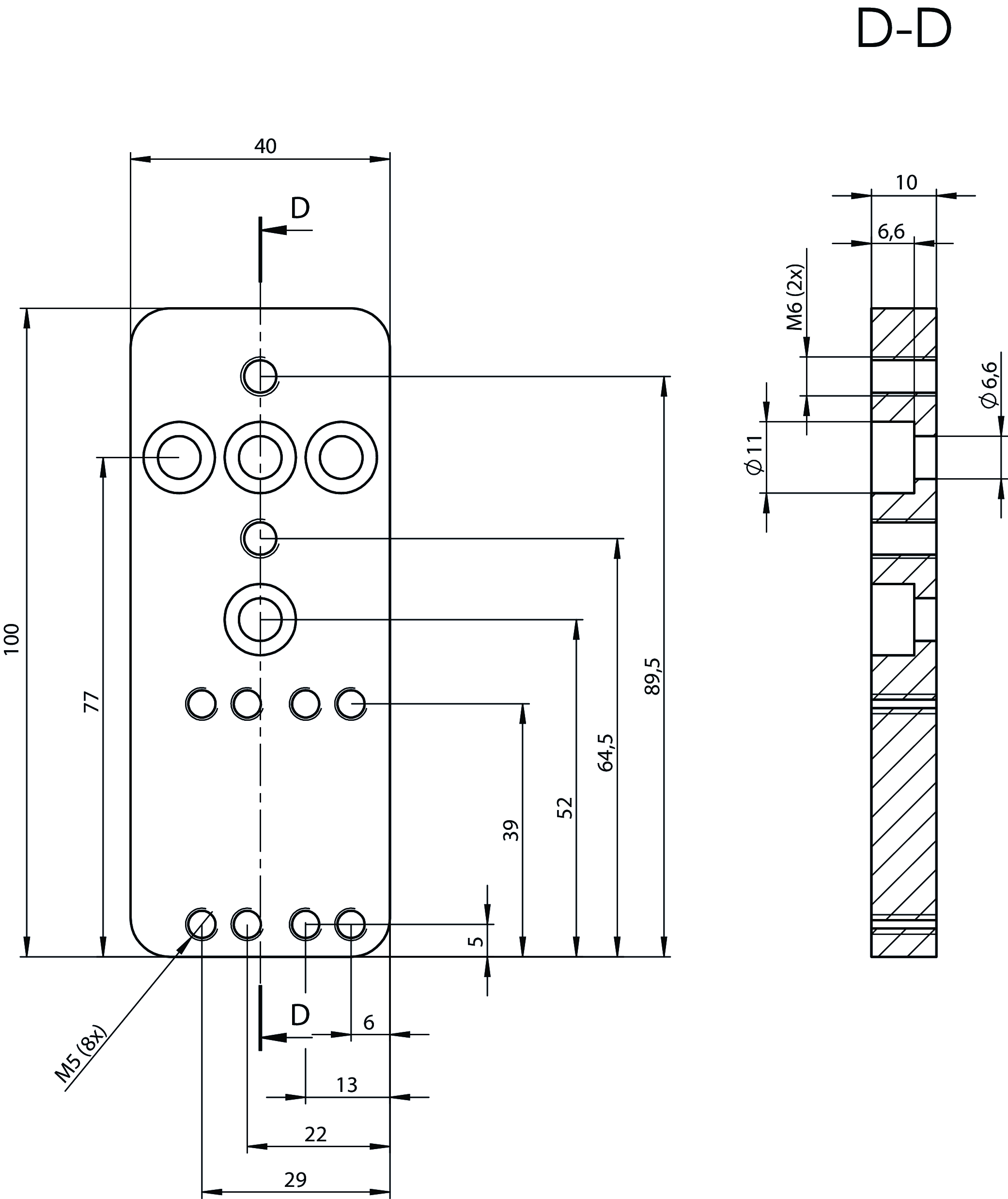
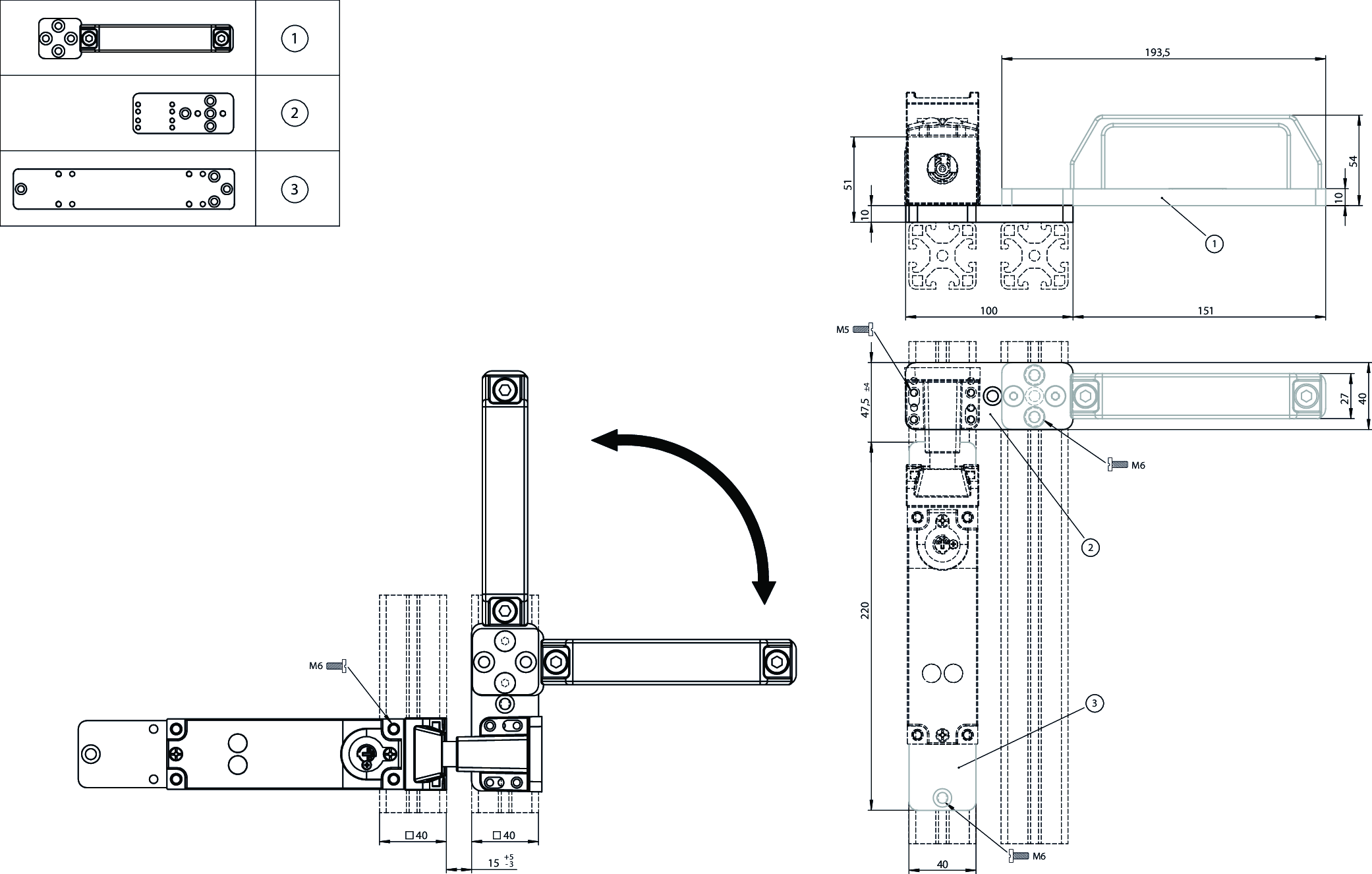
Dimensional drawings

Dimensional drawings

| 1 | AM-P-126398 mounting plate with handle |
| 2 | AM-P-126400 mounting plate CET actuator |
| 3 | AM-P-126399 mounting plate for CET read head/switch |
Teknik Veriler
Mechanical values and environment
| Storage temperature | -25 ... 70 °C |
| Material | Aluminum |
Miscellaneous
| Compatibility | CET |
İndirme
Komple paket
Tüm önemli belgeleri tek bir tıklama ile indirin.
İçerik:
- Kullanım talimatları ve kullanım talimatlarına veya kısa talimatlara yapılan tüm eklemeler
- Kullanım talimatlarını tamamlayan tüm veri sayfaları
- Uygunluk beyanı
Paketin tamamını indirin (ZIP, 0,3 MB)
Tek Belgeler
Diğer Belgeler
Sales documents
Sipariş verileri
| Sip. No. | 126400 |
| Makale adı | AM-P-126400 |
| Ağırlık | 0,3kg |
| Gümrük sınıfı | 85389099990 |



