BETAETIGER-S-WT-LN-C2115 (Sip. No. 105809)
Choose content
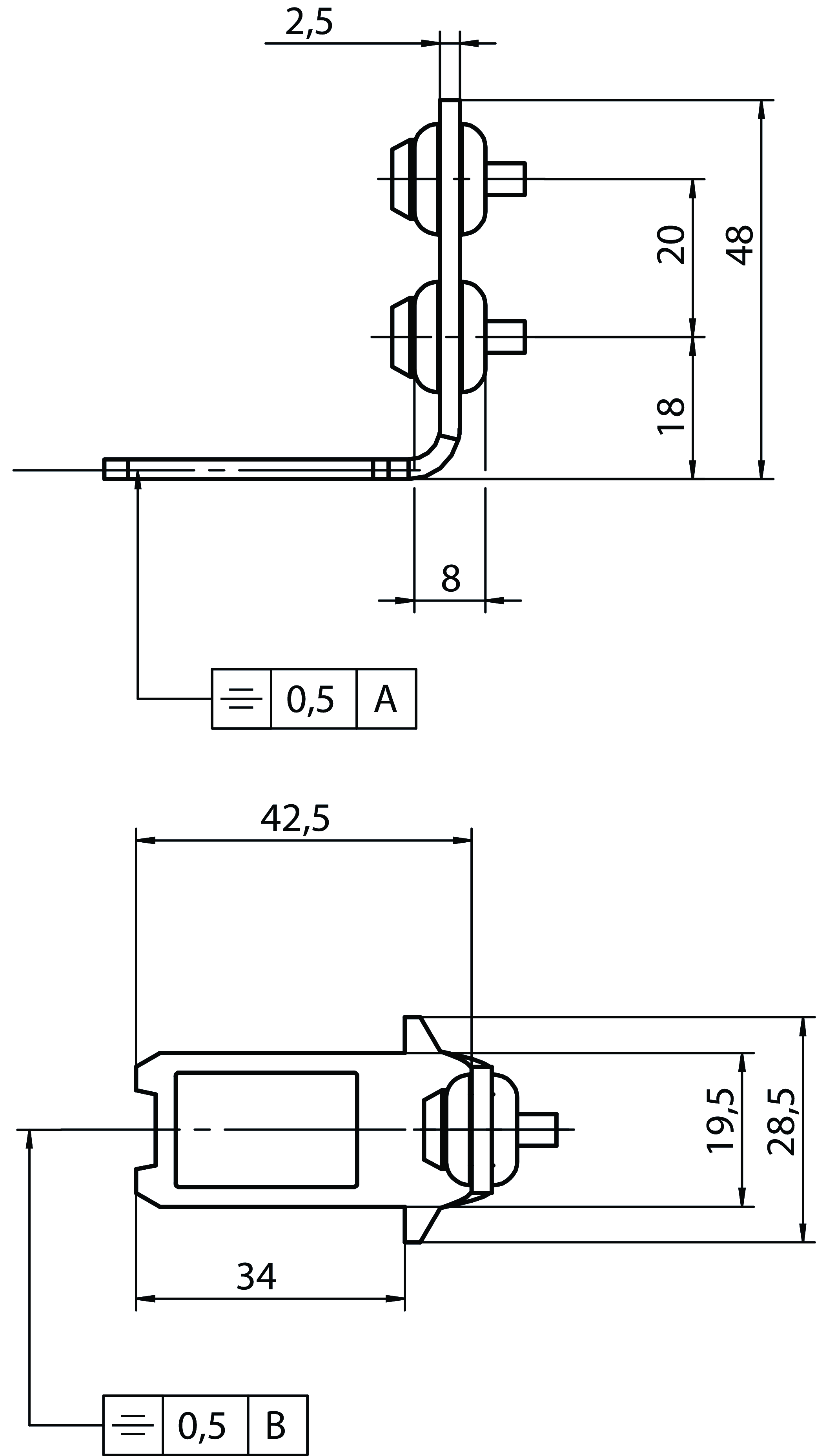
Actuator S, bent, for safety switch SGA/SGP/STA/STP/STM for insertion funnel
- Two stainless-steel safety screws per actuator
- Actuator with rubber bush
- Minimum door radius 300 mm

Açıklama
Notice
S-...-SN actuators must not be used in conjunction with insertion funnels. S-...-LN actuators must be used for insertion funnels.
Bent actuator
Suitable for a maximum tensile force of 1000 N.
Screws made of stainless steel
The safety screws included can be inserted with a normal tool, but cannot be removed again.

Dimensional drawings

Teknik Veriler
Mechanical values and environment
| Storage temperature | -25 ... 70 °C |
| Overtravel | max. 5 mm |
| Door radius | min. 300 mm |
| Material | |
| Actuator | Stainless steel |
| Rubber bush | NBR |
| Screw | Stainless steel |
| Locking force Fmax | max. 1000 N reduced locking force by actuator |
Miscellaneous
| C number | |
| C2115 | Installation dimensions as for TP actuator |
| Usability of insertion funnel | Yes |
Aksesuar
İndirme
Komple paket
Tüm önemli belgeleri tek bir tıklama ile indirin.
İçerik:
- Kullanım talimatları ve kullanım talimatlarına veya kısa talimatlara yapılan tüm eklemeler
- Kullanım talimatlarını tamamlayan tüm veri sayfaları
- Uygunluk beyanı
Paketin tamamını indirin (ZIP, 0,1 MB)
Tek Belgeler
Diğer Belgeler
Sales documents
Safety Switches with Metal Housing
Dok. No.
Versiyon
Dil
Boyut
Safety Switches with Metal Housing
Dok. No.
100369
Versiyon
11-03/18
Dil
Boyut
7,8 MB
Interrupteurs de sécurité avec boîtier métallique
Dok. No.
100676
Versiyon
11-03/18
Dil
Boyut
7,9 MB
Interruptores de seguridad con carcasa metálica
Dok. No.
104856
Versiyon
11-03/18
Dil
Boyut
14,0 MB
Sicherheitsschalter mit Metallgehäuse
Dok. No.
100319
Versiyon
11-03/18
Dil
Boyut
7,9 MB
金属壳体 的安全开关
Dok. No.
102453
Versiyon
11-03/18
Dil
Boyut
8,2 MB
Bezpečnostní spínače s kovovým pouzdrem
Dok. No.
121650
Versiyon
11-03/18
Dil
Boyut
7,8 MB
Safety Switches with Plastic Housing
Dok. No.
Versiyon
Dil
Boyut
Safety Switches with Plastic Housing
Dok. No.
096956
Versiyon
11-03/18
Dil
Boyut
6,5 MB
Interrupteurs de sécurité avec boîtier plastique
Dok. No.
100677
Versiyon
11-03/18
Dil
Boyut
6,6 MB
Interruptores de seguridad con carcasa plástica
Dok. No.
104855
Versiyon
11-03/18
Dil
Boyut
6,6 MB
Sicherheitsschalter mit Kunststoffgehäuse
Dok. No.
096955
Versiyon
11-03/18
Dil
Boyut
6,6 MB
塑料壳体 的安全开关
Dok. No.
116243
Versiyon
11-03/18
Dil
Boyut
6,1 MB
Bezpečnostní spínače s plastovým pouzdrem
Dok. No.
121649
Versiyon
11-03/18
Dil
Boyut
6,5 MB
CAD Verileri
Sipariş verileri
| Sip. No. | 105809 |
| Makale adı | BETAETIGER-S-WT-LN-C2115 |
| Ağırlık | 0,031kg |
| Gümrük sınıfı | 85389099990 |
| ECLASS | 27-27-26-06 Actuator for safety-related position switch |

