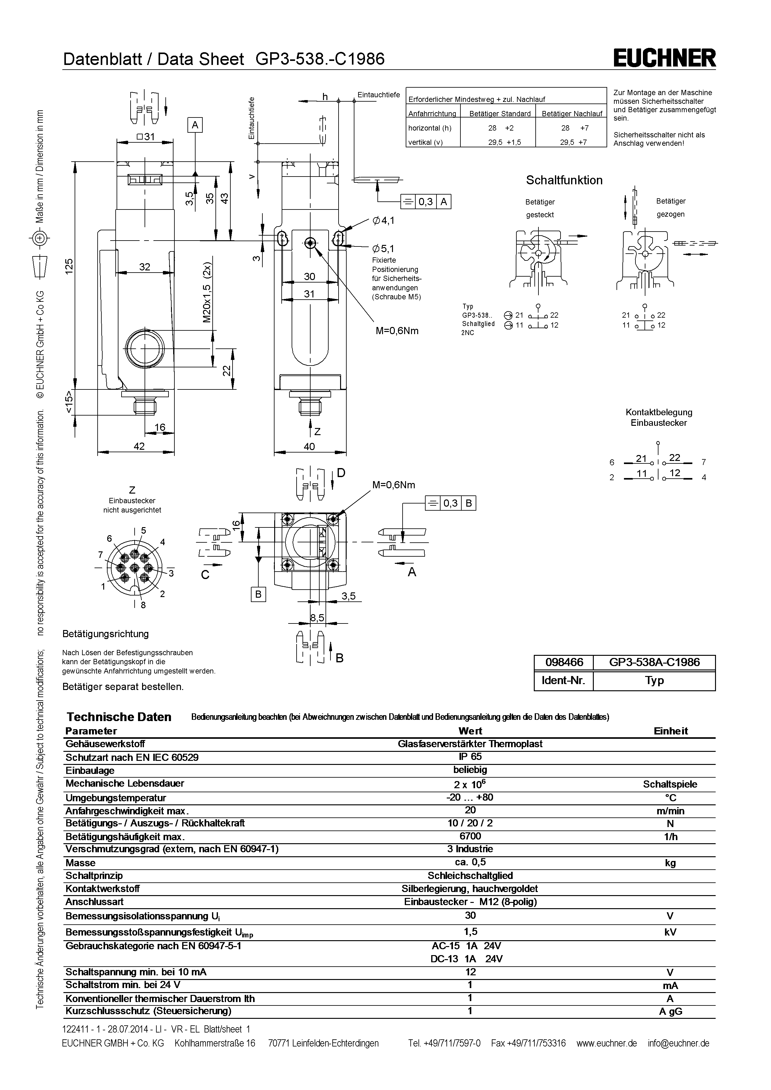
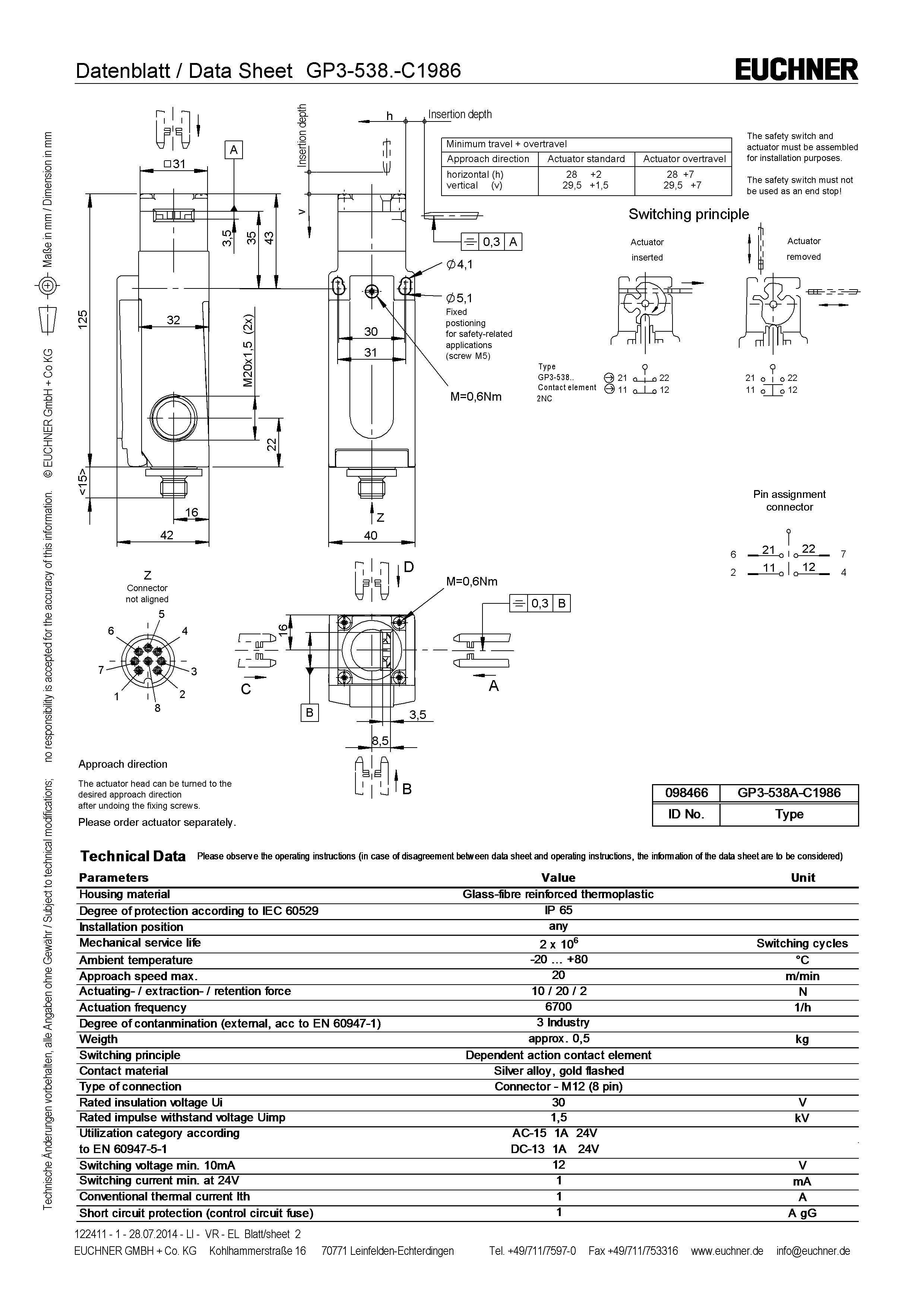
GP3-538A-C1986 (Sip. No. 098466)
Choose content
Bu makale için açıklama mevcut değil.
İndirme
Komple paket
Tüm önemli belgeleri tek bir tıklama ile indirin.
İçerik:
- Kullanım talimatları ve kullanım talimatlarına veya kısa talimatlara yapılan tüm eklemeler
- Kullanım talimatlarını tamamlayan tüm veri sayfaları
- Uygunluk beyanı
Paketin tamamını indirin (ZIP, 3,1 MB)
Tek Belgeler
Declarations of conformity
EU-Konformitätserklärung
Dok. No.
Versiyon
Dil
Boyut
EU-Konformitätserklärung
Dok. No.
EDC2539628
Versiyon
Dil
Boyut
0,2 MB
UKCA-Konformitätserklärung
Dok. No.
Versiyon
Dil
Boyut
UKCA-Konformitätserklärung
Dok. No.
EDC20001551
Versiyon
Dil
Boyut
0,1 MB
Instructions
Operating Instructions Safety Switch GP...
Dok. No.
Versiyon
Dil
Boyut
Operating Instructions Safety Switch GP...
Dok. No.
2090205
Versiyon
07/25
Dil
Boyut
0,8 MB
Mode d’emploi Interrupteur de sécurité GP...
Dok. No.
2090205
Versiyon
07/25
Dil
Boyut
0,8 MB
Manual de instrucciones Interruptor de seguridad GP...
Dok. No.
2090205
Versiyon
07/25
Dil
Boyut
0,8 MB
Betriebsanleitung Sicherheitsschalter GP...
Dok. No.
2090205
Versiyon
07/25
Dil
Boyut
0,8 MB
Istruzioni di impiego Finecorsa di sicurezza GP...
Dok. No.
2090205
Versiyon
07/25
Dil
Boyut
0,8 MB
Diğer Belgeler
Approvals and certificates
WEEE
Dok. No.
Versiyon
Dil
Boyut
WEEE
Dok. No.
ECO20001806
Versiyon
Dil
Boyut
0,1 MB
Zulassung
Dok. No.
Versiyon
Dil
Boyut
Zulassung
Dok. No.
20001849
Versiyon
Dil
Boyut
0,0 MB
c UL us
Dok. No.
Versiyon
Dil
Boyut
c UL us
Dok. No.
Versiyon
Dil
Boyut
0,3 MB
ePlan macros
EUC.098466
Dok. No.
Versiyon
Dil
Boyut
EUC.098466
Dok. No.
Versiyon
Dil
Boyut
0,0 MB
