SCHALTERAUFNAHME NZ-GFK (Sip. No. 096614)
Choose content
Switch bracket for bolt NZ-GFK
- Switch bracket made of fiber glass reinforced plastic
- For doors hinged on the left or right

Açıklama
Benefits
- Robust construction
- Easily mounted to standard aluminum profiles and machine covers by screw connection
- Symmetrical design for doors hinged on the right or left

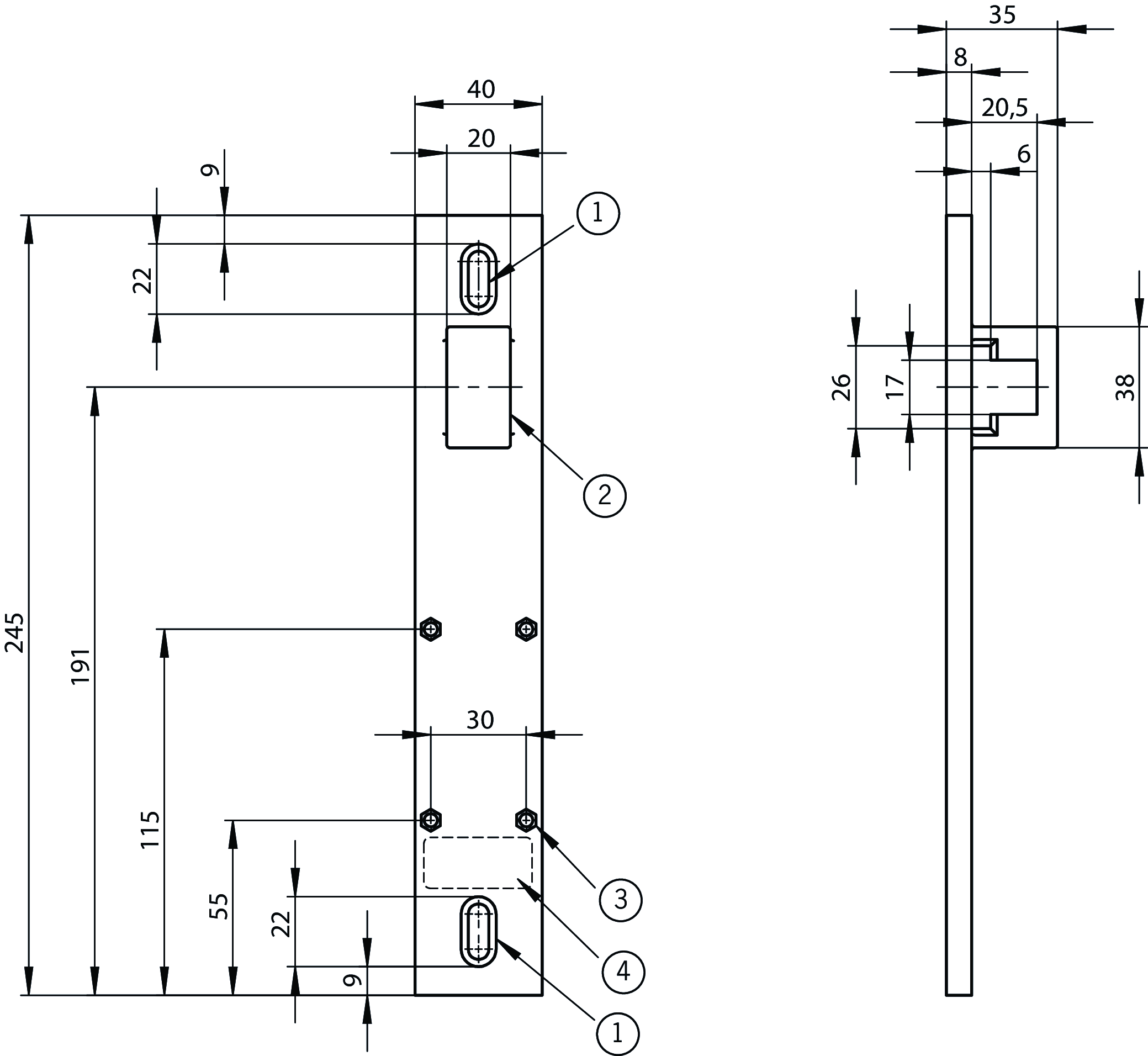
Dimensional drawings

| 1 | Slot for cylinder head screw M6 |
| 2 | Insertion aid: chamfer approx. 2 mm |
| 3 | Threaded bushing B-M5(4x) |
| 4 | Type label |
Teknik Veriler
Mechanical values and environment
| Storage temperature | -25 ... 70 °C |
| Material | Plastic |
İndirme
Sales documents
Safety Switches with Metal Housing
Dok. No.
Versiyon
Dil
Boyut
Safety Switches with Metal Housing
Dok. No.
100369
Versiyon
11-03/18
Dil
Boyut
7,8 MB
Interrupteurs de sécurité avec boîtier métallique
Dok. No.
100676
Versiyon
11-03/18
Dil
Boyut
7,9 MB
Interruptores de seguridad con carcasa metálica
Dok. No.
104856
Versiyon
11-03/18
Dil
Boyut
14,0 MB
Sicherheitsschalter mit Metallgehäuse
Dok. No.
100319
Versiyon
11-03/18
Dil
Boyut
7,9 MB
金属壳体 的安全开关
Dok. No.
102453
Versiyon
11-03/18
Dil
Boyut
8,2 MB
Bezpečnostní spínače s kovovým pouzdrem
Dok. No.
121650
Versiyon
11-03/18
Dil
Boyut
7,8 MB
CAD Verileri
Sipariş verileri
| Sip. No. | 096614 |
| Makale adı | SCHALTERAUFNAHME NZ-GFK |
| Ağırlık | 0,095kg |
| Gümrük sınıfı | 85389099990 |

