TZ2RE024BHA-C1903 (Sip. No. 082084)
Safety switch TZ, plug connector BHA (MR10), manual release, special wiring
- Plug connector BHA (MR10)
- Manual release
- LED indicator
- Red cover
- Actuating head fitted right
- Open-circuit current principle

Açıklama
Guard locking principle
Open-circuit current (power on to lock): On a guard with guard locking based on the open-circuit current principle, the guard is locked until the power supply to the guard locking solenoid is interrupted. Unlocking is by spring force. The term electrical guard locking is also used.
LED indicator
The LED indicator illuminates red when voltage is applied to the guard locking solenoid. The LED indicator illuminates green when the safety door is closed & locked.
Switching element
SK | 2121 | Slow-action switching contact |
Contacts for door monitoring: 3 positively driven contacts | ||
ÜK | 2121 | Slow-action switching contact |
Contacts for guard locking: 4 positively driven contacts |
Accessories required
Actuator is not included.




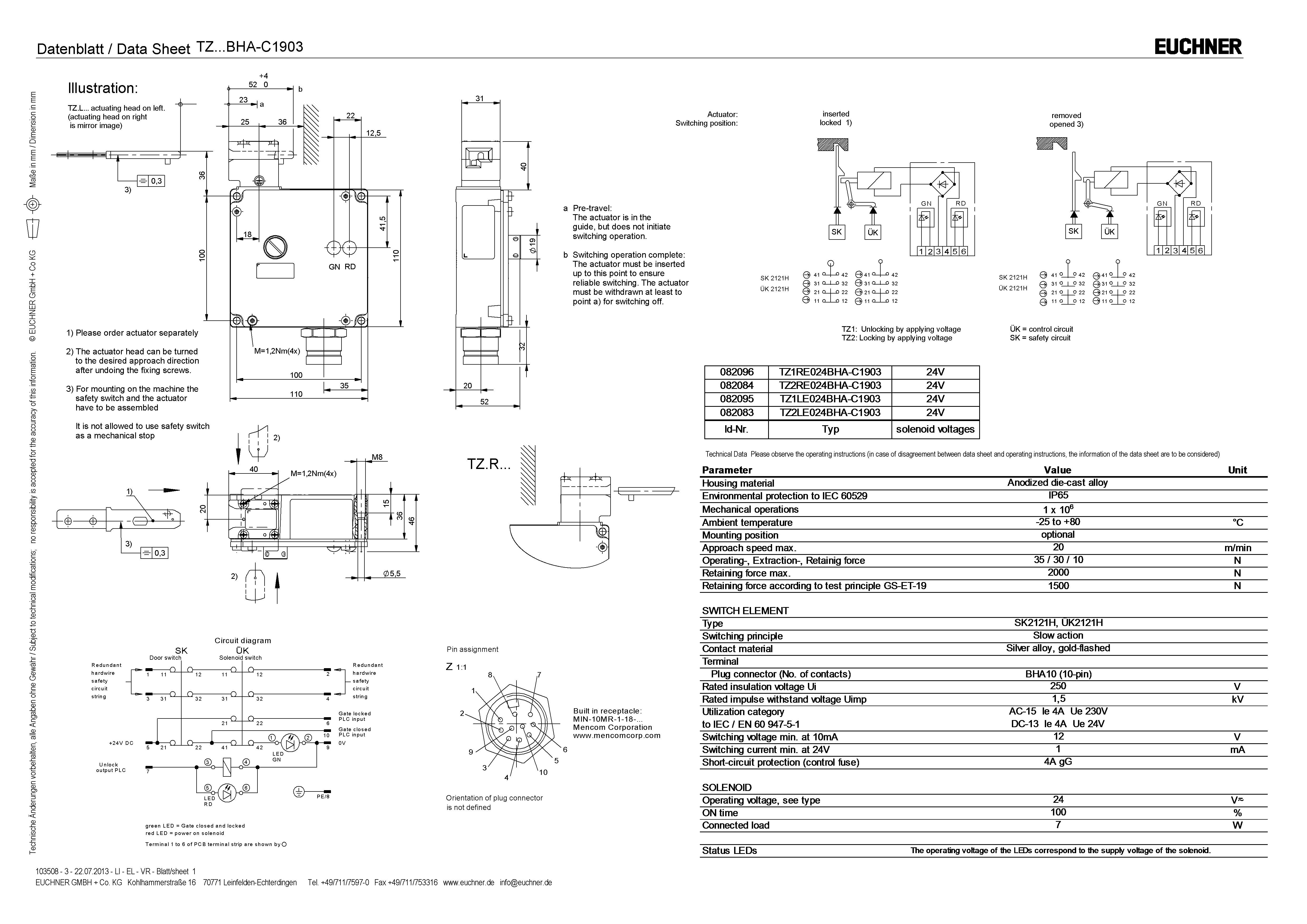
Functional drawings

Dimensional drawings

| 1 | Manual release cannot be sealed |
Connection examples

![]() | Door monitoring |
![]() | Solenoid monitoring |
Teknik Veriler
Approvals




Operating and display elements
| LED display | Operating voltage corresponds to the solenoid voltage (2 LEDs; green, red) |
Electrical connection values
| Fuse | max. 4 A gG (>70 °C =>2 A gG) |
| Power consumption | 10 W |
| Rated insulation voltage Ui | 250 V |
| Rated impulse voltage Uimp | 1.5 kV |
| Utilization category | |
| DC-13 | 4 A 24 V (>70 °C =>2 A) |
| AC-15 | 4 A 230 V (>70 °C =>2 A) |
| Solenoid operating voltage | |
| AC/DC | 24 V -15% ... +10% |
| Solenoid duty cycle | 100 % |
| Switching voltage | |
| min. at 10 mA | 12 V |
| Switching current | |
| min. at 24 V | 1 mA |
| thermal rated current Ith | 4 A (>70 °C =>2 A) |
Mechanical values and environment
| Anfahrgeschwindigkeit | max. 20 m/min |
| Approach direction | |
| Actuating head on the right | A |
| Connection type | |
| 1 x | Plug connector BHA10 (9-pin + PE; positively driven contact for the door position and positively driven contact for guard lock monitoring connected in series, NC contact for the door position and NC contact for guard lock monitoring connected in series) |
| Number of door position positively driven contacts | 3 |
| Number of guard lock monitoring positively driven contacts | 4 |
| Extraction force | 30 N |
| Actuation frequency | max. 1200 1/h |
| Actuating force | 35 N |
| Lid | red |
| Installation orientation | any |
| Insertion depth | 52 mm |
| Storage temperature | -25 ... 80 °C |
| Mechanical life | 1 x 10⁶ |
| Retention force | 10 N |
| Switching principle | Slow-action switching contact |
| Degree of protection | IP65 |
| Ambient temperature | -25 ... 80 °C |
| Material | |
| Contact | Silver alloy, gold flashed |
| Housing | Anodized die-cast alloy |
| Locking force Fmax | 2000 N |
| Locking force FZh | 1500 N |
| Guard locking principle | Open-circuit current principle |
Characteristic values according to EN ISO 13849-1 and EN IEC 62061
| B10D | Mission time | |
|---|---|---|
| Monitoring of the guard position | 3x106 | 20 y |
| Important! Values valid at DC-13 100 mA/24V | ||
| Guard lock monitoring | 3x106 | 20 y |
| Important! Values valid at DC-13 100 mA/24V | ||
Miscellaneous
| C number | |
| C1903 | with auxiliary release |
In combination with actuator ACTUATOR-Z-GN
| Overtravel | 16 mm |
In combination with actuator ACTUATOR-Z-G
| Overtravel | 4 mm |
Aksesuar

BETAETIGER-Z-G
- Two stainless-steel safety screws per actuator

BETAETIGER-Z-G/V25
- Two stainless-steel safety screws per actuator
- Packaging unit 25 pieces

BETAETIGER-Z-GME
- Made of solid stainless steel
- Two stainless-steel safety screws per actuator

BETAETIGER-Z-GN
- Two stainless-steel safety screws per actuator

RIEGEL NZ/TZ-S1
- Bolt for safety switches NZ.VZ, NZ.VZ.VS and TZ
- Aluminum bolt
- For doors hinged on the left or right.
- Spring catch in open position
- Suitable for a door gap of approx. 15 mm

RIEGEL NZ/TZ-S2
- Bolt for safety switches NZ.VZ, NZ.VZ.VS and TZ
- Aluminum bolt
- For doors hinged on the left or right.
- Spring catch in open position
- Suitable for a door gap of approx. 15 mm

RIEGEL TZ-A
- Bolts for safety switches series TZ
- Steel bolt
- For doors hinged on the right
- Suitable for a door gap of approx. 15 mm

RIEGEL TZ-A-NIRO
- Stainless steel bolt
- For doors hinged on the right
- Suitable for a door gap of approx. 15 mm

RIEGEL TZ-A-NIRO-C2101
- Bolts for safety switches series TZ
- Stainless steel bolt
- For doors hinged on the right
- Suitable for a door gap of approx. 15 mm
İndirme
Komple paket
Tüm önemli belgeleri tek bir tıklama ile indirin.
İçerik:
- Kullanım talimatları ve kullanım talimatlarına veya kısa talimatlara yapılan tüm eklemeler
- Kullanım talimatlarını tamamlayan tüm veri sayfaları
- Uygunluk beyanı
Tek Belgeler
Diğer Belgeler
ePlan macros
CAD Verileri
Sipariş verileri
| Sip. No. | 082084 |
| Makale adı | TZ2RE024BHA-C1903 |
| Ağırlık | 1,304kg |
| Gümrük sınıfı | 85365019000 |
| ECLASS | 27-27-26-03 Safety switch with guard control |















