TX1B-A024SEM4AS1 (Nº de pedido 094403)
Chave de segurança TX ASi, conector de encaixe M12
- Conector de encaixe M12, 4 pinos
- Destravamento auxiliar
- Indicação de LED
- Princípio da corrente de repouso

Descrição
Princípio de bloqueio
Corrente de repouso (energia para desbloquear): Em um protetor com bloqueio conforme o princípio de circuito fechado, o protetor é bloqueado por força de mola até que o solenoide de bloqueio receba alimentação de corrente. O destravamento ocorre por força de solenoide. Esse bloqueio também é conhecido como bloqueio mecânico.
Ativação dos solenóides de bloqueio
O solenoide de travamento é controlado pelo bit D0 da interface AS. Para obter uma ativação do bloqueio segura, é necessário ligar adicionalmente o destravamento auxiliar com segurança.
Tensão auxiliar
A tensão auxiliar ASi é necessária para alimentar o solenoide de bloqueio.
Entradas da AS-Interface
D0, D1 | Monitorar a posição do dispositivo de proteção |
D2, D3 | Monitoração do bloqueio |
Saídas da AS-Interface
D0 | Ativação do bloqueio |
D1 | LED vermelho |
D2 | LED verde |
Indicação de LED
O LED Power indica a tensão de serviço no barramento.
O LED Fault indica, se foi identificada uma falha no barramento AS-Interface.
O LED verde e o vermelho podem ser ativados através do barramento pelo comando opcionalmente com o bit D1 e o D2.
Destravamento auxiliar
O destravamento auxiliar no lado frontal possibilita o acesso à máquina em caso de uma falha de funcionamento, por exemplo, em caso de queda de tensão. Nessas situações, o destravamento é efetuado com uma ferramenta ou uma chave. O destravamento auxiliar deve ser protegido contra adulterações (lacre, tinta de bloqueio).
Acessórios necessários
O atuador não está incluído no fornecimento.



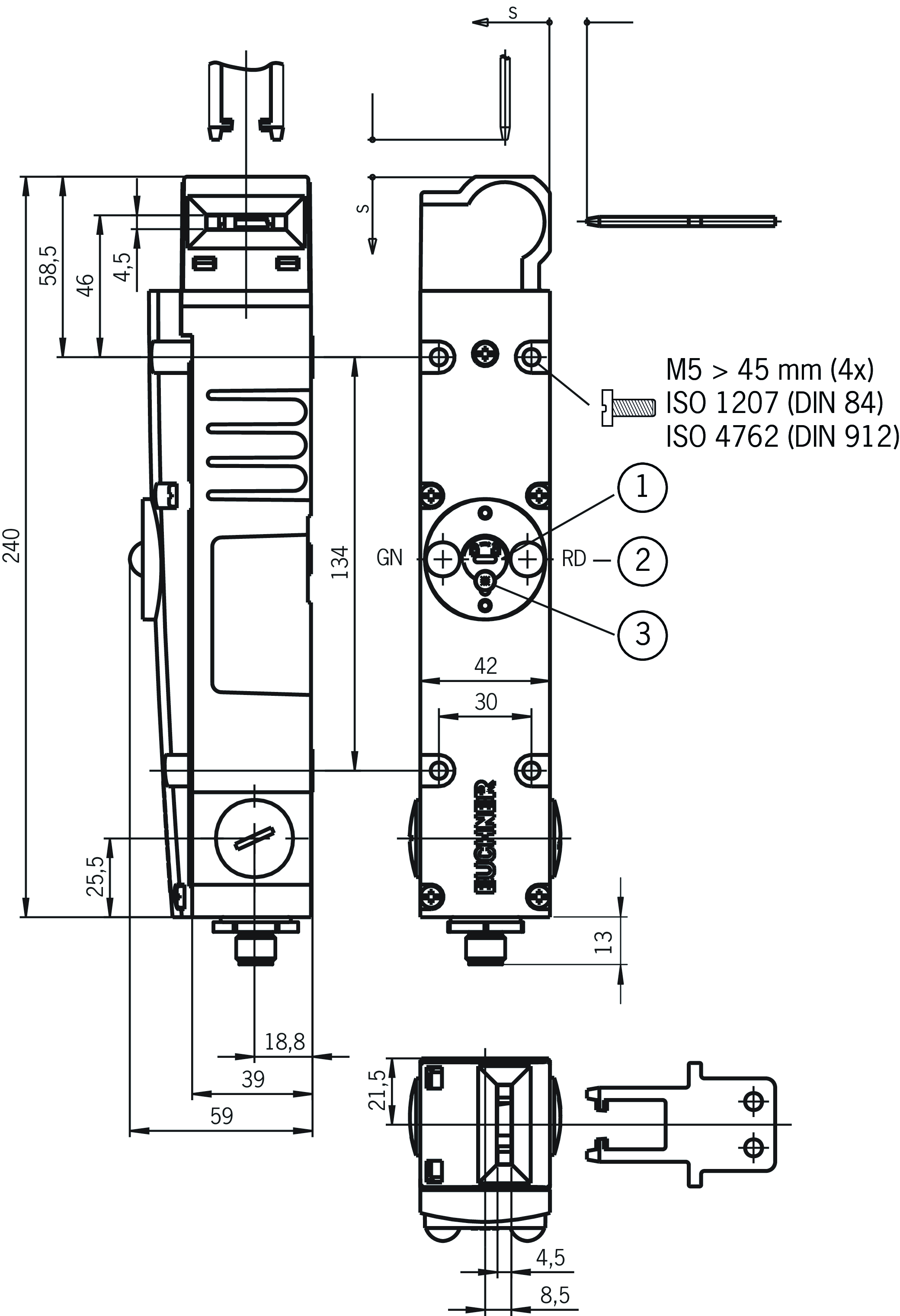
Desenhos dimensionais

| 1 | Destravamento auxiliar |
| 2 | Indicação de LED |
| 3 | Parafuso de proteção |
Exemplos de conexão

| Vista pelo lado do conector |
Dados técnicos
Aprovações





Valores de conexão elétrica
| Corrente de operação ASI | max. 45 mA |
| Tensão auxiliar Interface AS | 20.4 ... 24 ... 26.4 V |
| Corrente auxiliar Interface AS | 300 mA |
| Protocolo de interface AS | ASi-3 |
| Dados ASI para fora | D0 = ativação do bloqueio de proteção, D1 = LED vermelho, D2 = LED verde |
| Dados ASI em | D0, D1 = posição da porta, D2, D3 = bloqueio |
| Tipo de escravo AS-Interface | ID-Code: B, EA-Code: 7 |
| Tensão ASI | 22.5 ... 30 ... 31.6 V |
| Duração de ligação do solenóide ED | 100 % |
Valores mecânicos e ambiente
| Anfahrgeschwindigkeit | max. 20 m/min |
| Tipo de conexão | |
| 1 x | Conector M12 (4 pinos) |
| Quantidade de contatos de abertura forçada da posição da porta | |
| Após As-i Safety at Work | |
| Quantidade de contatos de abertura forçada da monitoração do bloqueio | |
| Após As-i Safety at Work | D2,D3 (1 = bloqueado) |
| Força de extração | 35 N |
| Frequência de acionamento | max. 1200 1/h |
| Força de acionamento | 35 N |
| Posição de montagem | qualquer |
| Profundidade de imersão | 32 mm |
| Temperatura de armazenamento | -25 ... 70 °C |
| Vida mecânica | 1 x 10⁶ |
| Força de retenção | 20 N |
| Princípio de troca | Elemento de comutação lenta |
| Classe de proteção | IP67 |
| Temperatura ambiente | -20 ... 50 °C |
| Material | |
| Caixa | Fundição sob pressão de metal leve, pintura por imersão catódica |
| Contato | Liga de prata, flash de ouro |
| Princípio de bloqueio | Princípio da corrente de repouso |
Valores característicos de acordo com EN ISO 13849-1 e EN IEC 62061
| B10D | Duração de uso | |
|---|---|---|
| Monitoração do bloqueio | 5x106 | 20 y |
| Importante! Valores válidos com CC-13 100 mA/24V | ||
| PL | SIL máximo | Categoria | Duração de uso | |
|---|---|---|---|---|
| Ativação do bloqueio | Dependendo da ativação externa do bloqueio | 20 y | ||
Em combinação com o atuador ATUADOR-X-GNQ
| Funcionamento posterior | 8 mm |
Em combinação com o atuador ATUADOR-X-GQ
| Funcionamento posterior | 1 mm |
Acessórios

RIEGEL TX-A
- Trinco para chaves de segurança TX e NX
- Trinco de aço
- Para portas com batente à direita
- Adequado para uma folga de porta de aprox. 15 mm

RIEGEL TX-C
- Trinco para chaves de segurança TX e NX
- Trinco de aço
- Para portas com batente à esquerda
- Adequado para uma folga de porta de aprox. 15 mm
Downloads
Pacote completo
Efetuar o download de todos os documentos importantes com um clique
Contém
- O manual de instruções e, eventualmente, o seu complemento ou as breves instruções
- Eventualmente as fichas técnicas como complemento do manual de instruções
- A declaração de conformidade
Documentos isolados
Outros documentos
CAD/eCAD
Dados de encomenda
| Nº de pedido | 094403 |
| Designação do artigo | TX1B-A024SEM4AS1 |
| Peso bruto | 0,87kg |
| Número da tarifa alfandegária | 85365019000 |
| ECLASS | 27-27-26-03 Safety switch with guard control |















