TP4-4141A024SEM4AS1 (Nº de pedido 088257)
Chave de segurança TP ASi, conector de plugue M12
- Interface AS
- Conector M12
- Destravamento auxiliar
- Indicação de LED
- Princípio do circuito aberto

Descrição
Sentido de aproximação
Horizontal e vertical
Pode ser mudado em etapas de 90°
Sobre-curso maior no sentido de aproximação horizontal
Se for necessária uma folga maior com a porta fechada, um atuador com sobrecurso está disponível. Com esse atuador, a porta pode se movimentar minimamente no sentido de atuação em estado fechado. Isso é importante, por exemplo, se as portas de proteção tiverem um amortecedor de borracha como batente. Por meio de um atuador com sobrecurso, a pressão permanente do amortecedor de borracha comprimido é pode ser reduzida. Isso alivia a carga tanto para a cabeça da chave quanto para o sistema mecânico da porta.
Princípio de bloqueio
Corrente de operação (energia para bloquear): Em um protetor com bloqueio conforme o princípio de circuito aberto, o protetor é bloqueado até que a alimentação de corrente para o solenoide de bloqueio seja interrompida. O destravamento é efetuado por força de mola. Esse bloqueio também é conhecido como bloqueio elétrico.
Ativação dos solenóides de bloqueio
O solenoide de travamento é controlado pelo bit D0 da interface AS. Para obter uma ativação do bloqueio segura, é necessário ligar adicionalmente o destravamento auxiliar com segurança.
Tensão auxiliar
A tensão auxiliar ASi é necessária para alimentar o solenoide de bloqueio.
Entradas da AS-Interface
D0, D1 | Monitorar a posição do dispositivo de proteção |
D2, D3 | Monitoração do bloqueio |
Saídas da AS-Interface
D0 | Ativação do bloqueio |
D1 | LED vermelho |
D2 | LED verde |
Indicação de LED
O LED Power indica a tensão de serviço no barramento.
O LED Fault indica, se foi identificada uma falha no barramento AS-Interface.
O LED verde e o vermelho podem ser ativados através do barramento pelo comando opcionalmente com o bit D1 e o D2.
Destravamento auxiliar
O destravamento auxiliar no lado frontal possibilita o acesso à máquina em caso de uma falha de funcionamento, por exemplo, em caso de queda de tensão. Nessas situações, o destravamento é efetuado com uma ferramenta ou uma chave. O destravamento auxiliar deve ser protegido contra adulterações (lacre, tinta de bloqueio).
Acessórios necessários
O atuador não está incluído no fornecimento.



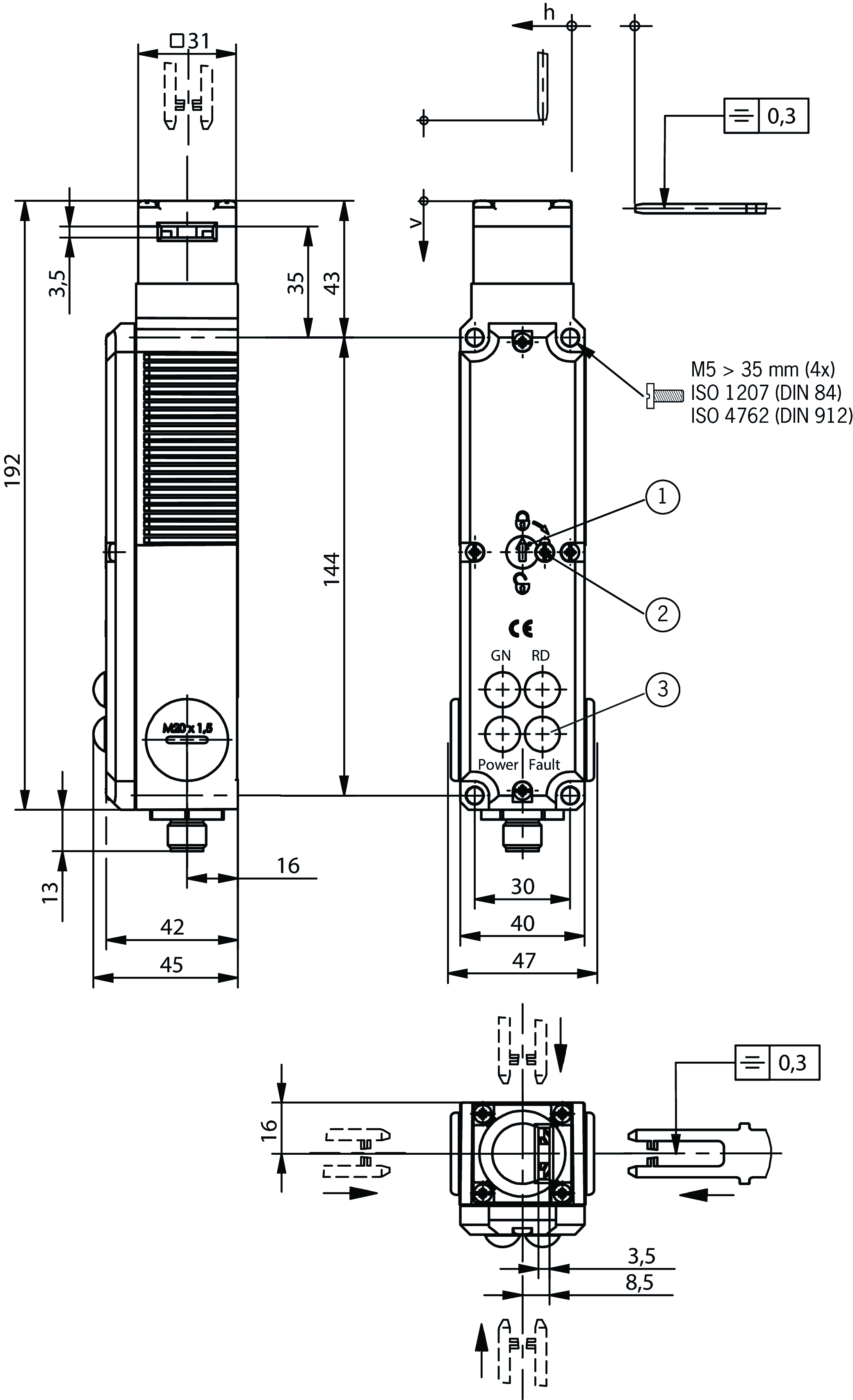
Desenhos dimensionais

| 1 | Destravamento auxiliar |
| 2 | Parafuso de proteção |
| 3 | Indicação de LED |
Exemplos de conexão

| Vista pelo lado do conector |
Dados técnicos
Aprovações




Valores de conexão elétrica
| Corrente de operação ASI | max. 45 mA |
| Tensão auxiliar Interface AS | 20.4 ... 24 ... 26.4 V |
| Corrente auxiliar Interface AS | 300 mA |
| Protocolo de interface AS | ASi-3 |
| Dados ASI para fora | D0 = ativação do bloqueio de proteção, D1 = LED vermelho, D2 = LED verde |
| Dados ASI em | D0, D1 = posição da porta, D2, D3 = bloqueio |
| Tipo de escravo AS-Interface | ID-Code: B, EA-Code: 7 |
| Tensão ASI | 22.5 ... 30 ... 31.6 V |
| Duração de ligação do solenóide ED | 100 % |
Valores mecânicos e ambiente
| Anfahrgeschwindigkeit | max. 20 m/min |
| Quantidade de contatos de abertura forçada da posição da porta | |
| Após As-i Safety at Work | 1 (D0,D1 / 1 = porta fechada) |
| Quantidade de contatos de abertura forçada da monitoração do bloqueio | |
| Após As-i Safety at Work | D2,D3 (1 = bloqueado) |
| Força de extração | 20 N |
| Frequência de acionamento | max. 1200 1/h |
| Posição de montagem | qualquer |
| Profundidade de imersão vertical | 29.5 mm |
| Temperatura de armazenamento | -25 ... 70 °C |
| Vida mecânica | 1 x 10⁶ |
| Força de retenção | 10 N |
| Princípio de troca | Elemento de comutação lenta |
| Temperatura ambiente | -20 ... 55 °C |
| Material | |
| Caixa | Termoplástico reforçado por fibra de vidro |
| Força de bloqueio Fmax | 1300 N |
| Força de bloqueio FZh | 1000 N |
Valores característicos de acordo com EN ISO 13849-1 e EN IEC 62061
| B10D | Duração de uso | |
|---|---|---|
| Monitoração do bloqueio | 3x106 | 20 y |
| Importante! Valores válidos com CC-13 100 mA/24V | ||
Em combinação com o atuador ATUADOR-P-GT
| Profundidade de imersão horizontal | 28 mm |
| Profundidade de imersão vertical | 29.5 mm |
| Funcionamento inercial horizontal | 2 mm |
| Funcionamento inercial vertical | 1.5 mm |
Em combinação com o atuador ATUADOR-P-GNT
| Profundidade de imersão horizontal | 28 mm |
| Funcionamento inercial horizontal | 7 mm |
Acessórios
AE-B-A1-02,0-096230
- Pode ser utilizado como destravamento de fuga ou destravamento de emergência
- Não auto restaurável
- Comprimento do revestimento 2 m (comprimento do cabo 6 m)
AE-B-A1-02,0-F-097747
- Pode ser utilizado como destravamento de fuga ou destravamento de emergência
- Com auto-restauração
- Comprimento do revestimento 2 m (comprimento do cabo 6 m)
AE-B-A1-03,0-098313
- Pode ser utilizado como destravamento de fuga ou destravamento de emergência
- Não auto restaurável
- Comprimento do revestimento 3 m (comprimento do cabo 6 m)
AE-B-A1-03,0-F-111233
- Pode ser utilizado como destravamento de fuga ou destravamento de emergência
- Com auto-restauração
- Comprimento do revestimento 3 m (comprimento do cabo 6 m)
AE-B-A1-04,0-098314
- Pode ser utilizado como destravamento de fuga ou destravamento de emergência
- Não auto restaurável
- Comprimento do revestimento 4 m (comprimento do cabo 6 m)
AE-B-A1-06,0-125582
- Pode ser utilizado como destravamento de fuga ou destravamento de emergência
- Não auto restaurável
- Comprimento do cabo 6 m (sem revestimento)
AE-B-A1-06,0-F-124770
- Pode ser utilizado como destravamento de fuga ou destravamento de emergência
- Com auto-restauração
- Comprimento do cabo 6 m (sem revestimento)

AE-K-A1-DULK1-84177
- Fecho com diferentes fechamentos
- A chave pode ser retirada na posição “destravada”, "travada"

AE-K-A1-ILK1-121917
- Fecho com travamento simultâneo
- A chave na posição "travada" pode ser retirada

AE-K-A1-IUK2-109212
- Fecho com travamento simultâneo
- A chave somente pode ser retirada na posição "destravada"

AE-K-A1-IULK1-86236
- Fecho com travamento simultâneo
- A chave pode ser retirada na posição “destravada”, "travada"
RIEGEL TP-A
- Trinco para chaves de segurança GP e TP
- Trinco de aço
- Para portas com batente à direita
- Adequado para uma folga de porta de aprox. 15 mm
RIEGEL TP-C
- Trinco para chaves de segurança GP e TP...A
- Trinco de aço
- Para portas com batente à esquerda
- Adequado para uma folga de porta de aprox. 15 mm
RIEGEL 0 NP/TP OHNE RASTUNG
- Trinco para chaves de segurança NP... e TP...A
- Trinco de aço
- Para portas com batente à esquerda ou à direita
- Adequado para uma folga de porta de aprox. 6 mm

RIEGEL 1 NP/TP 1X RASTUNG ZU
- Trinco para chaves de segurança NP...AS,TP...A e GP
- Trinco de aço
- Para portas com batente à esquerda ou à direita
- Adequado para uma folga de porta de aprox. 15 mm
Downloads
Pacote completo
Efetuar o download de todos os documentos importantes com um clique
Contém
- O manual de instruções e, eventualmente, o seu complemento ou as breves instruções
- Eventualmente as fichas técnicas como complemento do manual de instruções
- A declaração de conformidade
Documentos isolados
Outros documentos
CAD/eCAD
Dados de encomenda
| Nº de pedido | 088257 |
| Designação do artigo | TP4-4141A024SEM4AS1 |
| Peso bruto | 0,47kg |
| Número da tarifa alfandegária | 85365019000 |
| ECLASS | 27-27-26-03 Safety switch with guard control |
























