MGB-L1C-ARA-L-156859 (Nº de pedido 156859)
Módulo de bloqueio MGB-L1-ARA.., (bloqueio por força de mola) com 5 botões, parada de emergência, incl. mídia para inscrição, RC26
- Bloqueio com monitoração de bloqueio
- Conectável em série com outros aparelhos AR (por ex., CES-AR e CET-AR)
- Com módulo de comando MGB-C
- Parada de emergência conforme ISO 13850
- 5 Botões de pressão (iluminados)
- Inclusive placas adesivas
- Com conector de encaixe RC26
- Unicode

Descrição
Tipo de bloqueio
MGB-L1... | A lâmina do fecho é mantida na posição de bloqueio pela força da mola e destravada pela força do solenóide (principio do circuito fechado, bloqueio mecânico). |
Batente da porta
No módulo de avaliação do MGB é firmemente integrado um batente mecânico da porta. Sobre a superfície de encosto foi feita uma marcação, que simplifica o ajuste.
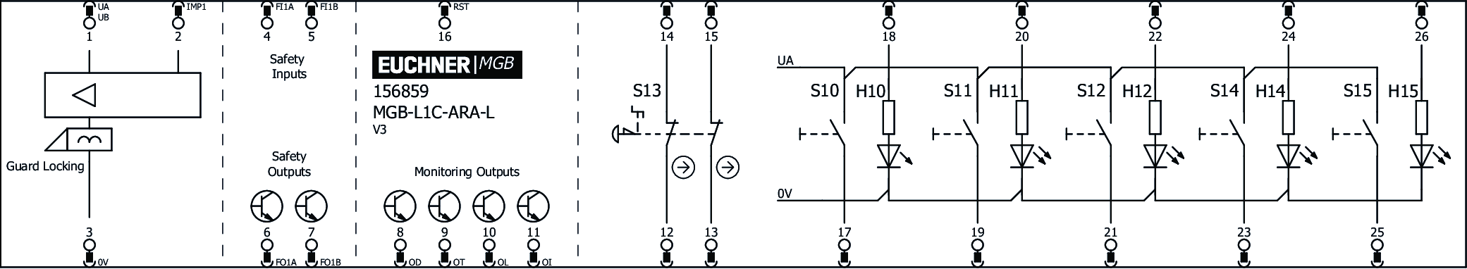
Indicação de LED
A indicação de LED apresenta todas as informações importantes do sistema e de estado.
Saídas de monitoração
OD | LIGADA quando a porta estiver fechada. |
OT | A lingueta do trinco foi introduzida no módulo de avaliação |
OL | Solenóide de bloqueio na posição bloqueada |
OI | Diagnóstico, há um erro |
Dispositivo de parada de emergência
S1 | 2 contatos de abertura forçada, parada de emergência com destravamento giratório, não iluminada |
Chave de pressão
S10 | 1 Contato de trabalho, iluminado |
S11 | 1 Contato de trabalho, iluminado |
S12 | 1 Contato de trabalho, iluminado |
S14 | 1 Contato de trabalho, iluminado |
S15 | 1 Contato de trabalho, iluminado |
Placas adesivas
Os dispositivos com as placas adesivas possuem reentrâncias pré-fabricadas para a colagem das placas adesivas anexas (medida padrão 12,5 x 27 mm).



Desenhos dimensionais

Desenhos dimensionais

Exemplos de conexão

Dados técnicos
Aprovações


Elementos de operação e exibição
| Diagrama de ocupação | |
| C2 | |
| L0 |
| Posição | Cor | Extras | Plaqueta de inserção | Elemento de comutação | Placa de inserção | Versão | Quantidade | Designação 1 | LED |
|---|---|---|---|---|---|---|---|---|---|
| 10 | 1N/A | Botão iluminado | |||||||
| 11 | 1N/A | Botão iluminado | |||||||
| 12 | 1N/A | Botão iluminado | |||||||
| 13 | 2 contatos de abertura forçada | Klebeschild D40mm | Parada de emergência | ||||||
| 14 | 1N/A | Botão iluminado | |||||||
| 15 | 1N/A | Botão iluminado |
Valores de conexão elétrica
| Tensão nominal de isolamento Ui | 30 V |
| Tensão nominal de impulso Uimp | 1.5 kV |
| Tempo de discrepância | |
| Entre FO1A e FO1B | max. 10 ms |
| Categoria de uso | |
| DC-13 | 24 V 200mA (Cuidado: As saídas devem ser protegidas com um diodo de roda livre no caso de cargas indutivas.) |
| Tempo de risco conforme EN 60947-5-3 | max. 350 ms |
| Tempo de risco de acordo com a norma EN 60947-5-3, extensão para cada unidade adicional | max. 5 ms |
| Classe de proteção | III |
| Codificação do transponder | Unicode |
| Grau de contaminação (externo, conforme EN 60947-1) | 3 |
| Entrada de comando do solenóide IMP1, IMP2, IMM | |
| Tempo de ligação | min. 750 ms |
| Duração do pulso de teste | max. 5 ms |
| Intervalo do impulso de teste | min. 100 ms |
| Elementos de comando e indicação | |
| Capacidade de comutação | max. 0.25 W |
| Tensão de comutação | UA V |
| Corrente de comutação | 1 ... 10 mA |
| LED da alimentação de tensão | 24 V DC |
| Parada de emergência | |
| Capacidade de comutação | max. 0.25 W |
| Tensão de comutação | 5 ... 24 V |
| Corrente de comutação | 1 ... 100 mA |
| LED da alimentação de tensão | 24 V DC |
| Saídas de monitoração OD, OT, OL, OI | |
| Tipo de saída | Saídas de semicondutor, comutando em p, protegido contra curto-circuito |
| Tensão de saída | UA-2V ... UA V DC (Valor com uma corrente de comutação de 50 mA não se considerando o comprimento do cabo.) |
| Corrente de saída | max. 50 mA |
| Saídas de segurança FO1A/FO1B | |
| Tipo de saída | Saídas de semicondutor, comutando em p, protegido contra curto-circuito |
| Tensão de saída | |
| UFO1A /UFO1B HIGH | UB-2V ... UB V DC (Valor com uma corrente de comutação de 50 mA não se considerando o comprimento do cabo.) |
| UFO1A /UFO1B LOW | 0 ... 1 V DC |
| Corrente de saída | |
| Por saída de segurança FO1A / FO1B | 1 ... 200 mA |
| Duração do pulso de teste | max. 1 ms |
| Intervalo do impulso de teste | min. 100 ms |
| Alimentação de tensão UA | |
| Tensão de operação CC | |
| UA | 24 V DC -15% ... +10% ((protegido contra polaridade reversa, regulado, ondulação restante<5%, PELV)) |
| Consumo de corrente | |
| IUA | max. 375 mA ((Com solenóide de bloqueio energizado e saídas sem carga OD, OT, OL, OI, +20 °C, 24 V)) |
| Alimentação de tensão UB | |
| Tensão de operação CC | |
| UB | 24 V DC -15% ... +10% ((protegido contra polaridade reversa, regulado, ondulação restante<5%, PELV)) |
| Consumo de corrente | |
| IUB | max. 80 mA ((todas as saídas sem carga)) |
Valores mecânicos e ambiente
| Tipo de conexão | Conector de encaixe RC26 (X6) |
| Posição de montagem | Batente da porta DIN esquerdo |
| Frequência de comutação | 0.25 Hz |
| Temperatura de armazenamento | -25 ... 70 °C |
| Vida mecânica | |
| No caso de utilização como batente da porta e 1 Joule de energia de impacto | 0.1 x 10⁶ |
| 1 x 10⁶ | |
| Classe de proteção | IP65 |
| Temperatura ambiente | |
| com UB = 24V CC | -20 ... 55 °C |
| Material | |
| Caixa | Plástico reforçado com fibra de vidro, fundição sob pressão de zinco, niquelado, aço inoxidável |
| Força de bloqueio FZh | 2000 N |
| Princípio de bloqueio | Princípio da corrente de repouso |
Valores característicos de acordo com EN ISO 13849-1 e EN IEC 62061
| PL | SIL máximo | PFHD | Categoria | Duração de uso | |
|---|---|---|---|---|---|
| Ativação do bloqueio | PL e | - | 2.8x10-9 | 4 | 20 y |
| Monitorar a posição do dispositivo de proteção | PL e | - | 3.7x10-9 | 4 | 20 y |
| Monitoração do bloqueio | PL e | - | 3.7x10-9 | 4 | 20 y |
| B10D | Duração de uso | |
|---|---|---|
| Parada de emergência | 0.13x106 | 20 y |
Diversos
| Placa de inserção | |||||||
| |||||||
| Recurso adicional | incl. Conjunto de painéis nº de identificação 120344 | ||||||
Acessórios
Downloads
Pacote completo
Efetuar o download de todos os documentos importantes com um clique
Contém
- O manual de instruções e, eventualmente, o seu complemento ou as breves instruções
- Eventualmente as fichas técnicas como complemento do manual de instruções
- A declaração de conformidade
Documentos isolados
Outros documentos
Macros ePlan
CAD/eCAD
Dados de encomenda
| Nº de pedido | 156859 |
| Designação do artigo | MGB-L1C-ARA-L-156859 |
| Peso bruto | 1,54kg |
| Número da tarifa alfandegária | 85365019000 |
| ECLASS | 27-27-24-05 Safety-related transponder switch with guardlocking |











