HomeProdutosInterruptor de posição e chave de fim de curso múltiplaChave de fim de curso múltipla, em pé SNSN02X12-732L-MC2432
SN02X12-732L-MC2432 (Nº de pedido 123939)
Escolha o conteúdo
Série SN... 12 mm indutivo
- Distância do iniciador 12 mm
- Forma construtiva da carcaça na vertical, flange pequeno
- Grau de proteção IP67 conforme IEC 60529
- Conector de encaixe M12, 5 pinos
- Indicação funcional de LED

Descrição
Distância de comutação nominal
No caso da distância em relação ao iniciador de 12 mm, a distância de comutação nominal é de 5 mm.
Indicação funcional de LED
Os elementos de comutação são equipados de modo padronizado com uma indicação funcional (amarela). A indicação funcional é bem visível pelo exterior.
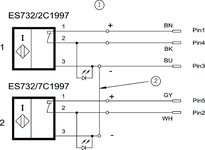
Diagrama de contatos
| Pino | Função | Cor do fio |
|---|---|---|
| 1 | +24 V VS1 | BN |
| 2 | Entrada 2 | WH |
| 3 | 0 V | BU |
| 4 | Entrada 1 | BK |
| 5 | +24 V VS2 | GY |
PE/FE através da rosca da conexão da blindagem




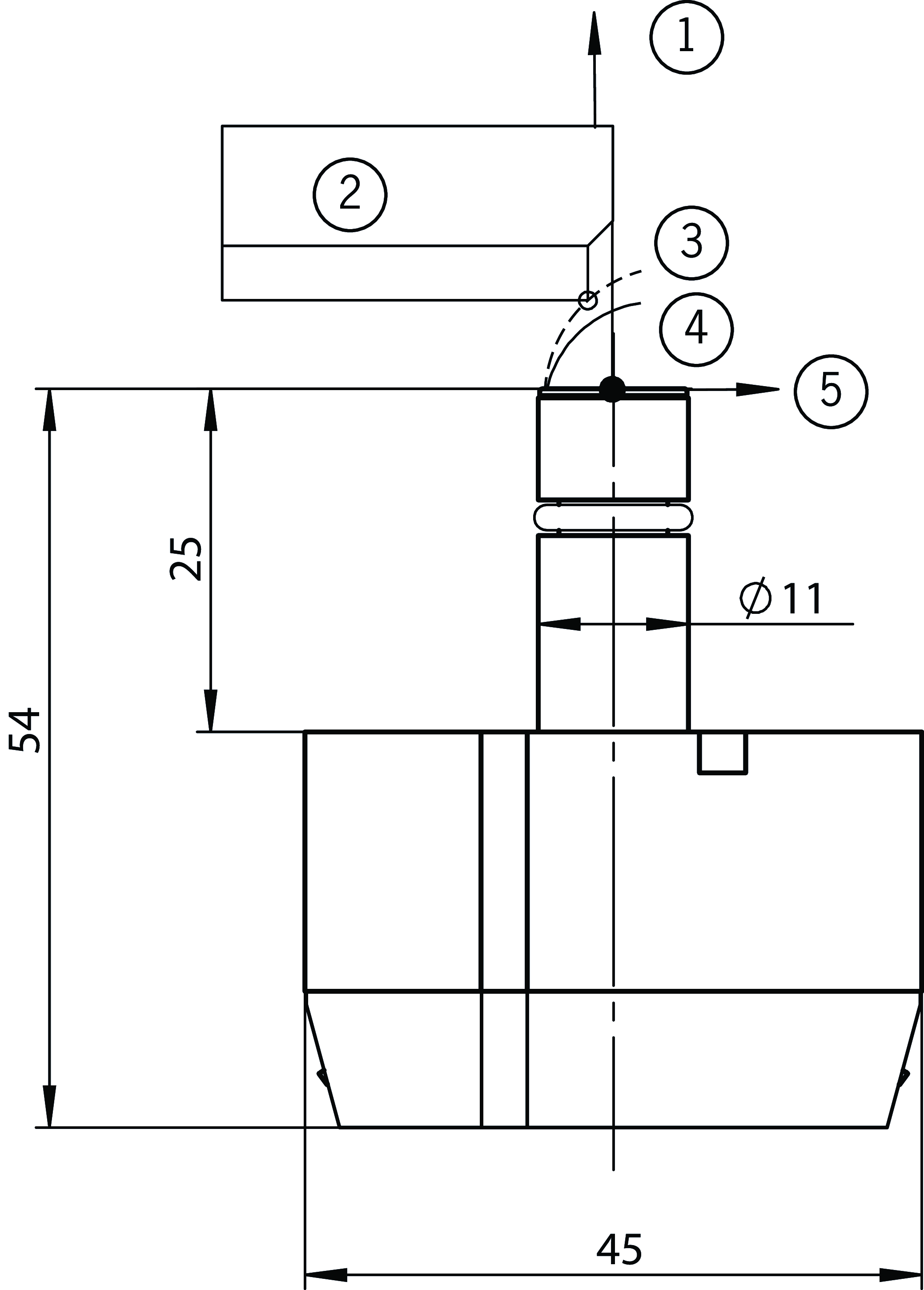
Desenhos dimensionais

| 1 | Atenção: Conector embutido não alinhado |
| 2 | Indicação LED amarela |
| 3 | Distância de comutação protegida |
| 4 | Atuador |
| 5 | Sem condutor de proteção |
| 6 | Carcaça sem condutor de proteção! Todas as conexões elétricas devem ser isoladas da rede, ou através de transformadores de segurança conforme EN IEC 61558-2-6 com limitação da tensão de saída em caso de falha, ou através de medidas de isolamento equivalentes. |
Desenhos dimensionais

| 1 | Distância de comutação s/mm |
| 2 | Excêntrico |
| 3 | a LIGA (s) |
| 4 | a DESLIGA (s) |
| 5 | Desvio lateral a/mm |
Exemplos de conexão

| 1 | UB |
| 2 | Tempo |
| 3 | UB (HIGH) |
| 4 | UB (LOW) |
| 5 | T (HIGH) |
| 6 | T (LOW) |
Exemplos de conexão

| 1 | Conector de encaixe embutido M12 |
| 2 | Ponte OV na chave |
Dados técnicos
Aprovações


Espaço de trabalho
| Intervalo de comutação nominal Sn | 5 mm |
| Distância de comutação segura Sa | 0 ... 4 mm (A medida aplica-se somente para o aço (ST37) ou para o excêntrico de comando da EUCHNER da série UX.. / GX..) |
| Offset central | |
| com s = 1 mm de distância de leitura | mLIGA= (-) 4,2 mm e mDESLIGA= (-) 4,0 (No caso de aproximação lateral) |
| com s = 3 mm de distância de leitura | mLIGA= (-) 2,5 mm e mDESLIGA= (-) 2,0 (No caso de aproximação lateral) |
| com s = 2 mm de distância de leitura | mLIGA= (-) 3,3 mm e mDESLIGA= (-) 3,0 (No caso de aproximação lateral) |
| com s = 4 mm de distância de leitura | mLIGA= (-) 0,5 mm e mDESLIGA= 0,0 (No caso de aproximação lateral) |
| histerese de comutação | 0.2 ... 1.0 mm |
| Precisão de repetição R | 5 % |
Elementos de operação e exibição
| Visor LED | |
| LED amarelo | Corrente direta de LED IFmáx. 2,5 mA |
Valores de conexão elétrica
| Tipo de saída | PNP |
| Corrente de operação nominal Ie | 250 mA |
| Tensão operacional | |
| CC | 20 ... 24 ... 33 V Fonte de alimentação com desconexão segura conforme EN 61558-2-6 ou pulsos do sensor UB(HIGH) |
| Corrente operacional | max. 5 mA Consumo de corrente sem carga |
| Requisitos de proteção CEM | EN 60947-5-2 |
| Categoria de uso | |
| DC-12 | 250mA, 33V (No caso de CC-13, a saída, no caso de cagas indutivas, deve ser protegida por um diodo de roda.) |
| Proteção contra curto-circuito e sobrecarga cíclica | sim |
| Nível LOW | |
| Com pulsos do sensor | 0 ... 5 V DC |
| Corrente residual Ir | max. 0.001 mA |
| Ripple | |
| De UBou UB(HIGH) | max. 10 % |
| Freqüência de comutação elétrica | max. 500 Hz |
| Classe de proteção | III |
| Queda de tensão Ud | |
| CC | max. 2.5 V |
| Ciclo de trabalho Ton | |
| T (HIGH) : T (LOW) com pulsos do sensor | 4 : 1 |
| Duração do pulso de teste | |
| T (LOW) com pulsos do sensor | 0.1 ... 20 ms |
| Proteção contra polaridade reversa | sim |
Valores mecânicos e ambiente
| Tipo de conexão | |
| Bornes de conexão no elemento de comutação | |
| 1 x Conector de encaixe M12 (5 pinos, conector de encaixe reto: Saída do cabo não ajustável.) | |
| Quantidade de contatos de abertura | 2 |
| Quantidade de elementos de comutação | 2 |
| Forma construtiva | fixa |
| Distância do iniciador | 12 mm |
| Temperatura de armazenamento | -25 ... 70 °C |
| Princípio de troca | Contato de abertura |
| Classe de proteção | IP67 (Somente em estado aparafusado com o conector correspondente pertinente) |
| Temperatura ambiente | -25 ... 70 °C |
| Material | |
| Superfície ativa | PBT |
| Caixa | Fundição de alumínio |
Diversos
| Número C | |
| C2432 | |
| Informações adicionais | Carcaça sem condutor de proteção! (Todas as conexões elétricas devem ser isoladas da rede, ou através de transformadores de segurança conforme EN IEC 61558-2-6 com limitação da tensão de saída em caso de falha, ou através de medidas de isolamento equivalentes.) |
Downloads
Pacote completo
Efetuar o download de todos os documentos importantes com um clique
Contém
- O manual de instruções e, eventualmente, o seu complemento ou as breves instruções
- Eventualmente as fichas técnicas como complemento do manual de instruções
- A declaração de conformidade
Efetuar o download do pacote completo (ZIP, 0,6 MB)
Documentos isolados
Declarações de conformidade
EU-Konformitätserklärung
Nº do doc.
Versão
Idioma
Tamanho
EU-Konformitätserklärung
Nº do doc.
EDC2077158
Versão
Idioma
Tamanho
0,1 MB
Outros documentos
Aprovações e certificados
CCC
Nº do doc.
Versão
Idioma
Tamanho
CCC
Nº do doc.
20001849
Versão
Idioma
Tamanho
0,0 MB
WEEE
Nº do doc.
Versão
Idioma
Tamanho
WEEE
Nº do doc.
ECO20001806
Versão
Idioma
Tamanho
0,1 MB
c UL us
Nº do doc.
Versão
Idioma
Tamanho
c UL us
Nº do doc.
Versão
Idioma
Tamanho
0,3 MB
Documentos de venda
Position Switches and Multiple Limit Switches
Nº do doc.
Versão
Idioma
Tamanho
Position Switches and Multiple Limit Switches
Nº do doc.
157836
Versão
01-03/18
Idioma
Tamanho
4,1 MB
Interrupteurs de position et boîtiers multipistes
Nº do doc.
157837
Versão
01-03/18
Idioma
Tamanho
4,1 MB
Positionsschalter und Reihengrenztaster
Nº do doc.
157835
Versão
01-03/18
Idioma
Tamanho
4,1 MB
Macros ePlan
EUC.123939
Nº do doc.
Versão
Idioma
Tamanho
EUC.123939
Nº do doc.
Versão
Idioma
Tamanho
0,2 MB
Dados de encomenda
| Nº de pedido | 123939 |
| Designação do artigo | SN02X12-732L-MC2432 |
| Peso bruto | 0,395kg |
| Global Trade Item Number (GTIN) | 4047048007321 |
| Número da tarifa alfandegária | 85365019000 |
| ECLASS | 27-27-06-02 Multi-position switch |

