HomeProdutosInterruptor de posição e chave de fim de curso múltiplaChaves de limite integradas de precisão EGT e EGMEGT1SEM4C2221
EGT1SEM4C2221 (Nº de pedido 102479)
Escolha o conteúdo
Chave de fim de curso embutida de precisão EGT1
- Membrana de Viton
- Para conector de encaixe com indicação luminosa
- Com elemento de comutação rápida
- Material do tucho de aço inoxidável
- Qualquer posição de instalação

Descrição
Elemento de comutação
Elemento de comutação de ação rápida, 1 conversor
As chaves de fim de curso embutidas não devem ser utilizadas como batente.



Desenhos dimensionais

| 1 | Posição final |
| 2 | Curso diferencial |
| 3 | Ponto de comutação |
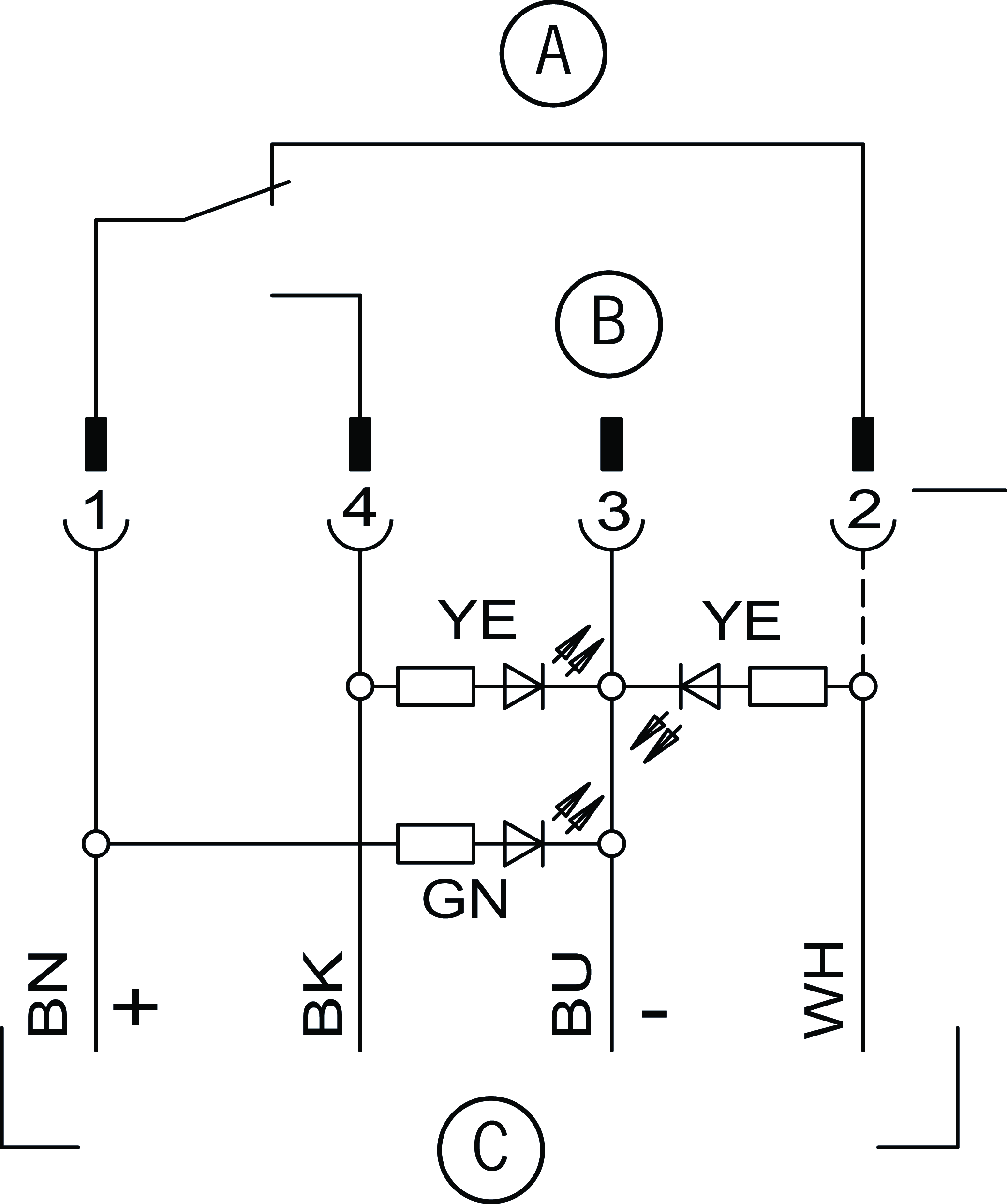
Exemplos de conexão

Exemplos de conexão

| A | Cabeamento para os conectores de encaixe com indicação luminosa |
| B | Na chave não atribuído! |
| C | Conector de encaixe angular com 2 LEDs |
Dados técnicos
Aprovações



Valores de conexão elétrica
| Hedging | max. 2 A gG |
| Tensão nominal de isolamento Ui | 50 V |
| Tensão nominal de impulso Uimp | 2.5 kV |
| Categoria de uso | |
| DC-13 | 0,6 A 24 V |
| AC-15 | 0,5 A 50 V |
| Tensão de comutação | |
| mín. | 12 V |
| Corrente de comutação | |
| min. a 24 V | 10 mA |
Valores mecânicos e ambiente
| Anfahrgeschwindigkeit | 0.01 ... 8 m/min |
| Tipo de conexão | Conector M12 (4 pinos) |
| Quantidade de contatos de abertura | 1 (Conversor) |
| Quantidade de contatos de trabalho | 1 (Conversor) |
| Forma construtiva | Rosca M14 x 1 |
| Elemento de acionamento | Tucho esférico (curto) |
| Força de acionamento | 20 N |
| Posição de montagem | qualquer |
| Temperatura de armazenamento | -25 ... 80 °C |
| Vida mecânica | 1 x 10⁶ |
| Princípio de troca | Elemento de comutação rápida |
| Classe de proteção | IP67 (Conector correspondente encaixado e aparafusado) |
| Temperatura ambiente | -5 ... 80 °C |
| Material | |
| Peça roscada | Latão, niquelado |
| Contato | Liga de prata banhada a ouro |
| Manga | Latão, niquelado |
| Precisão de repetição (absoluta) | ±0.01 mm (Com acionamento axial em estado recolhido após aprox. 2000 ciclos de comutação) |
Diversos
| Número C | |
| C2221 | Membrana de Viton, cabeamento especial para o conector angular com LEDs |
Acessórios
Material de conexão
Cabo de conexão com conector M12

035613
C-M12F04-04X034PU05,0-GA-035613
C-M12F04-04X034PU05,0-GA-035613
- Conector fêmea M12, 4 pinos
- Conector de encaixe reto
- Cabo PUR
- Isento de halogênio
- Comprimento do cabo 5 m
- Com extremidade aberta do cabo
- Fios individuais codificados por cor

035618
C-M12F04-04X034PU05,0-GA-035618
C-M12F04-04X034PU05,0-GA-035618
- Conector fêmea M12, 4 pinos
- Conector de encaixe angular
- Cabo PUR
- Isento de halogênio
- Comprimento do cabo 5 m
- Com extremidade aberta do cabo
- Fios individuais codificados por cor

041091
C-M12F04-04X034PU05,0-GA-041091
C-M12F04-04X034PU05,0-GA-041091
- Conector fêmea M12, 4 pinos
- Conector de encaixe angular
- Cabo PUR
- Isento de halogênio
- Comprimento do cabo 5 m
- Com extremidade aberta do cabo
- Fios individuais codificados por cor
Downloads
Pacote completo
Efetuar o download de todos os documentos importantes com um clique
Contém
- O manual de instruções e, eventualmente, o seu complemento ou as breves instruções
- Eventualmente as fichas técnicas como complemento do manual de instruções
- A declaração de conformidade
Efetuar o download do pacote completo (ZIP, 2,9 MB)
Documentos isolados
Declarações de conformidade
EU-Konformitätserklärung
Nº do doc.
Versão
Idioma
Tamanho
EU-Konformitätserklärung
Nº do doc.
EDC2539628
Versão
Idioma
Tamanho
0,2 MB
UKCA-Konformitätserklärung
Nº do doc.
Versão
Idioma
Tamanho
UKCA-Konformitätserklärung
Nº do doc.
EDC20001551
Versão
Idioma
Tamanho
0,1 MB
Instruções
Operating Instructions Precision Single Hole Fixing Limit Switches EGM/EGT with Snap-Action Switching Contacts
Nº do doc.
Versão
Idioma
Tamanho
Operating Instructions Precision Single Hole Fixing Limit Switches EGM/EGT with Snap-Action Switching Contacts
Nº do doc.
MAN20001598
Versão
08/25
Idioma
Tamanho
0,8 MB
Mode d’emploi Interrupteurs de position de précision EGM/EGT avec éléments de contact à action brusque
Nº do doc.
MAN20001598
Versão
08/25
Idioma
Tamanho
0,8 MB
Manual de instrucciones Final de carrera empotrado de precisión EGM/EGT con contactos de conmutación de acción rápida
Nº do doc.
MAN20001598
Versão
08/25
Idioma
Tamanho
0,8 MB
Betriebsanleitung Präzisions-Einbaugrenztaster EGM/EGT mit Sprungschaltgliedern
Nº do doc.
MAN20001598
Versão
08/25
Idioma
Tamanho
0,8 MB
Outros documentos
Aprovações e certificados
CCC
Nº do doc.
Versão
Idioma
Tamanho
CCC
Nº do doc.
20001849
Versão
Idioma
Tamanho
0,0 MB
DNV-GL
Nº do doc.
Versão
Idioma
Tamanho
DNV-GL
Nº do doc.
Versão
Idioma
Tamanho
0,2 MB
WEEE
Nº do doc.
Versão
Idioma
Tamanho
WEEE
Nº do doc.
ECO20001806
Versão
Idioma
Tamanho
0,1 MB
c UL us
Nº do doc.
Versão
Idioma
Tamanho
c UL us
Nº do doc.
Versão
Idioma
Tamanho
0,3 MB
Documentos de venda
Position Switches and Multiple Limit Switches
Nº do doc.
Versão
Idioma
Tamanho
Position Switches and Multiple Limit Switches
Nº do doc.
157836
Versão
01-03/18
Idioma
Tamanho
4,1 MB
Interrupteurs de position et boîtiers multipistes
Nº do doc.
157837
Versão
01-03/18
Idioma
Tamanho
4,1 MB
Positionsschalter und Reihengrenztaster
Nº do doc.
157835
Versão
01-03/18
Idioma
Tamanho
4,1 MB
Dados de encomenda
| Nº de pedido | 102479 |
| Designação do artigo | EGT1SEM4C2221 |
| Peso bruto | 0,063kg |
| Número da tarifa alfandegária | 85365019000 |
| ECLASS | 27-27-06-01 Position switch (Type 1) |
