HomeProdutosInterruptor de posição e chave de fim de curso múltiplaChaves de limite integradas de precisão EGT e EGMEGT12ASFM5C2083
EGT12ASFM5C2083 (Nº de pedido 095112)
Escolha o conteúdo
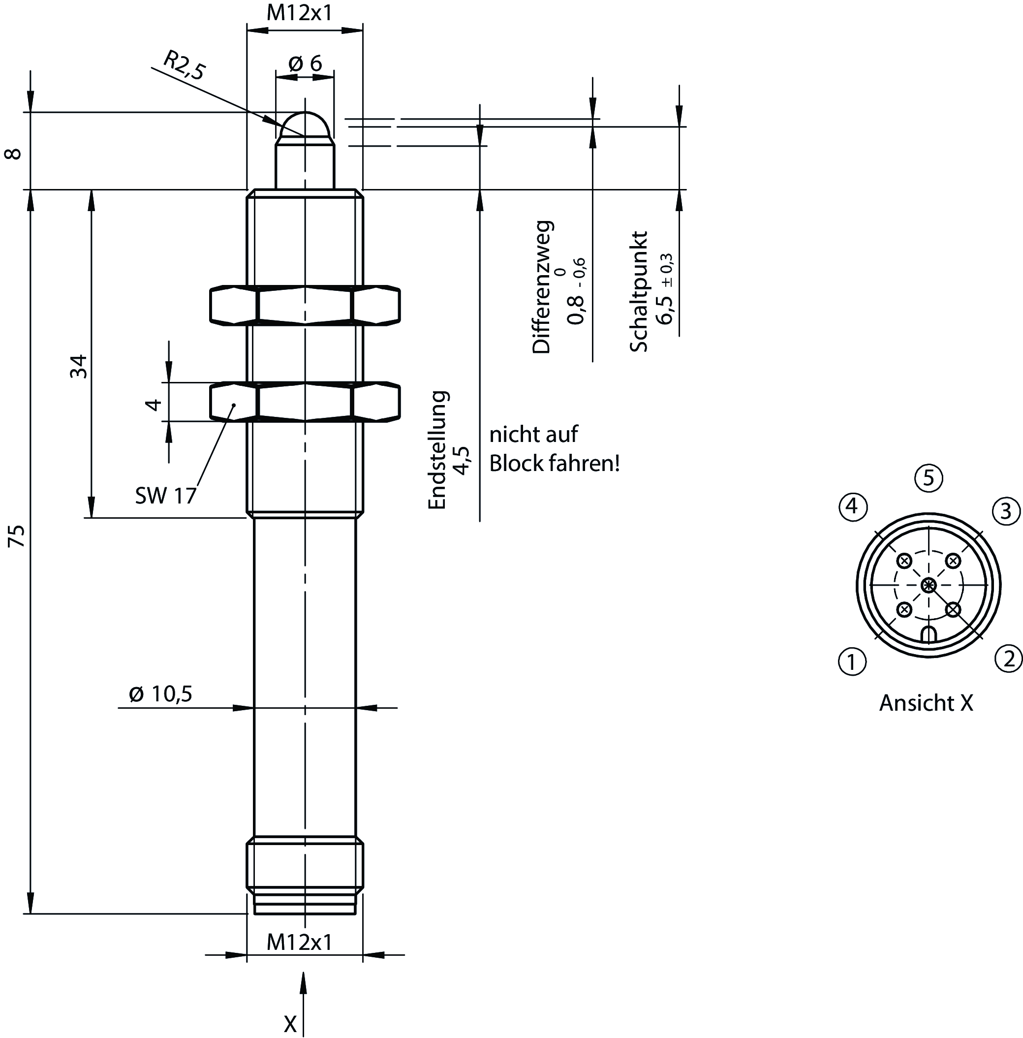
Chave de fim de curso embutida de precisão EGT12
- com contato Reed e diodo de proteção
- Material do tucho de aço inoxidável
- Qualquer posição de instalação

Descrição
Elemento de comutação
Contato Reed, 1 contato de trabalho
Nunca ligar as lâmpadas incandescentes. Nem mesmo para fins de teste. As chaves de fim de curso embutidas não devem ser utilizadas como batente.



Desenhos dimensionais

Exemplos de conexão

Exemplos de conexão

Dados técnicos
Aprovações



Valores de conexão elétrica
| Hedging | max. 0.4 A gG |
| Tensão nominal de isolamento Ui | 50 V |
| Categoria de uso | |
| DC-13 | 0,3 A 24 V |
| AC-12 | 0,3 A 30 V |
| Tensão de comutação | |
| mín. | 1 V |
| Corrente de comutação | |
| min. a 24 V | 1 mA |
Valores mecânicos e ambiente
| Anfahrgeschwindigkeit | 0.01 ... 8 m/min |
| Tipo de conexão | Conector (5 pinos) |
| Quantidade de contatos de trabalho | 1 |
| Forma construtiva | Rosca M12 x 1 |
| Elemento de acionamento | Atuador tipo cúpula (longo) |
| Força de acionamento | 16 N |
| Posição de montagem | qualquer |
| Temperatura de armazenamento | -25 ... 80 °C |
| Vida mecânica | 5 x 10⁶ |
| Princípio de troca | Contato Reed |
| Classe de proteção | IP67 (Conector correspondente encaixado e aparafusado) |
| Temperatura ambiente | -25 ... 80 °C |
| Material | |
| Manga | Latão, niquelado |
| Contato | Ródio |
| Peça roscada | Aço inoxidável |
| Precisão de repetição (absoluta) | ±0.01 mm (Com acionamento axial em estado recolhido após aprox. 2000 ciclos de comutação) |
Diversos
| Número C | |
| C2083 | Curso de comutação 8 mm |
Downloads
Pacote completo
Efetuar o download de todos os documentos importantes com um clique
Contém
- O manual de instruções e, eventualmente, o seu complemento ou as breves instruções
- Eventualmente as fichas técnicas como complemento do manual de instruções
- A declaração de conformidade
Efetuar o download do pacote completo (ZIP, 2,8 MB)
Documentos isolados
Declarações de conformidade
EU-Konformitätserklärung
Nº do doc.
Versão
Idioma
Tamanho
EU-Konformitätserklärung
Nº do doc.
EDC2539628
Versão
Idioma
Tamanho
0,2 MB
UKCA-Konformitätserklärung
Nº do doc.
Versão
Idioma
Tamanho
UKCA-Konformitätserklärung
Nº do doc.
EDC20001551
Versão
Idioma
Tamanho
0,1 MB
Instruções
Operating Instructions Precision Single Hole Fixing Limit Switches EGT with Reed Contacts
Nº do doc.
Versão
Idioma
Tamanho
Operating Instructions Precision Single Hole Fixing Limit Switches EGT with Reed Contacts
Nº do doc.
MAN20001597
Versão
08/25
Idioma
Tamanho
0,7 MB
Mode d’emploi Interrupteurs de position de précision EGT avec contacts Reed
Nº do doc.
MAN20001597
Versão
08/25
Idioma
Tamanho
0,7 MB
Manual de instrucciones Final de carrera empotrado de precisión EGT con contactos reed
Nº do doc.
MAN20001597
Versão
08/25
Idioma
Tamanho
0,7 MB
Betriebsanleitung Präzisions-Einbaugrenztaster EGT mit Reed-Kontakten
Nº do doc.
MAN20001597
Versão
08/25
Idioma
Tamanho
0,7 MB
Outros documentos
Aprovações e certificados
CCC
Nº do doc.
Versão
Idioma
Tamanho
CCC
Nº do doc.
20001849
Versão
Idioma
Tamanho
0,0 MB
DNV-GL
Nº do doc.
Versão
Idioma
Tamanho
DNV-GL
Nº do doc.
Versão
Idioma
Tamanho
0,2 MB
WEEE
Nº do doc.
Versão
Idioma
Tamanho
WEEE
Nº do doc.
ECO20001806
Versão
Idioma
Tamanho
0,1 MB
c UL us
Nº do doc.
Versão
Idioma
Tamanho
c UL us
Nº do doc.
Versão
Idioma
Tamanho
0,3 MB
Documentos de venda
Position Switches and Multiple Limit Switches
Nº do doc.
Versão
Idioma
Tamanho
Position Switches and Multiple Limit Switches
Nº do doc.
157836
Versão
01-03/18
Idioma
Tamanho
4,1 MB
Interrupteurs de position et boîtiers multipistes
Nº do doc.
157837
Versão
01-03/18
Idioma
Tamanho
4,1 MB
Positionsschalter und Reihengrenztaster
Nº do doc.
157835
Versão
01-03/18
Idioma
Tamanho
4,1 MB
CAD/eCAD
Dados de encomenda
| Nº de pedido | 095112 |
| Designação do artigo | EGT12ASFM5C2083 |
| Peso bruto | 0,057kg |
| Número da tarifa alfandegária | 85365019000 |
| ECLASS | 27-27-06-01 Position switch (Type 1) |



