HomeProdutosInterruptor de posição e chave de fim de curso múltiplaChaves de limite integradas de precisão EGT e EGMEGM12-1200C1791
EGM12-1200C1791 (Nº de pedido 075556)
Escolha o conteúdo
Chave de fim de curso embutida de precisão EGM12
- Com elemento de comutação rápida
- Material do tucho de aço inoxidável
- Qualquer posição de instalação

Descrição
Elemento de comutação
Elemento de comutação de ação rápida, 1 conversor
As chaves de fim de curso embutidas não devem ser utilizadas como batente.


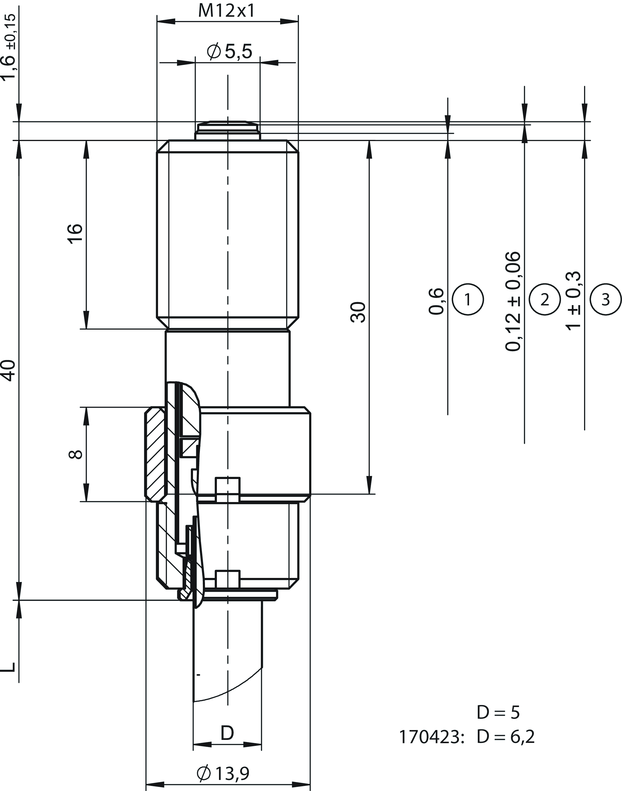
Desenhos dimensionais

| 1 | Posição final |
| 2 | Curso diferencial |
| 3 | Ponto de comutação |
Exemplos de conexão

Dados técnicos
Aprovações


Valores de conexão elétrica
| Hedging | max. 2 A gG |
| Seção transversal da conexão | 0.5 mm² |
| Tensão nominal de isolamento Ui | 250 V |
| Tensão nominal de impulso Uimp | 2.5 kV |
| Categoria de uso | |
| AC-15 | 0,5 A 230 V |
| DC-13 | 0,6 A 24 V |
| Tensão de comutação | |
| mín. | 12 V |
| Corrente de comutação | |
| min. a 24 V | 10 mA |
Valores mecânicos e ambiente
| Anfahrgeschwindigkeit | 0.01 ... 8 m/min |
| Tipo de conexão | Cabo PUR (Três fios) |
| Quantidade de contatos de abertura | 1 (Conversor) |
| Quantidade de contatos de trabalho | 1 (Conversor) |
| Forma construtiva | Rosca M12 x 1 |
| Elemento de acionamento | Tucho plano (curto) |
| Força de acionamento | 16 N |
| Posição de montagem | qualquer |
| Temperatura de armazenamento | -25 ... 80 °C |
| Comprimento do cabo | 1.2 m |
| Vida mecânica | 1 x 10⁶ |
| Princípio de troca | Elemento de comutação rápida |
| Classe de proteção | IP65 |
| Temperatura ambiente do condutor (estática) | -20 ... 80 °C |
| Material | |
| Contato | Liga de prata banhada a ouro |
| Caixa | Aço inoxidável |
| Precisão de repetição (absoluta) | ±0.01 mm (Com acionamento axial em estado recolhido após aprox. 2000 ciclos de comutação) |
Diversos
| Número C | |
| C1791 | Padrão |
Downloads
Pacote completo
Efetuar o download de todos os documentos importantes com um clique
Contém
- O manual de instruções e, eventualmente, o seu complemento ou as breves instruções
- Eventualmente as fichas técnicas como complemento do manual de instruções
- A declaração de conformidade
Efetuar o download do pacote completo (ZIP, 2,5 MB)
Documentos isolados
Declarações de conformidade
EU-Konformitätserklärung
Nº do doc.
Versão
Idioma
Tamanho
EU-Konformitätserklärung
Nº do doc.
EDC2539628
Versão
Idioma
Tamanho
0,2 MB
UKCA-Konformitätserklärung
Nº do doc.
Versão
Idioma
Tamanho
UKCA-Konformitätserklärung
Nº do doc.
EDC20001551
Versão
Idioma
Tamanho
0,1 MB
Instruções
Operating Instructions Precision Single Hole Fixing Limit Switches EGM/EGT with Snap-Action Switching Contacts
Nº do doc.
Versão
Idioma
Tamanho
Operating Instructions Precision Single Hole Fixing Limit Switches EGM/EGT with Snap-Action Switching Contacts
Nº do doc.
MAN20001598
Versão
08/25
Idioma
Tamanho
0,8 MB
Mode d’emploi Interrupteurs de position de précision EGM/EGT avec éléments de contact à action brusque
Nº do doc.
MAN20001598
Versão
08/25
Idioma
Tamanho
0,8 MB
Manual de instrucciones Final de carrera empotrado de precisión EGM/EGT con contactos de conmutación de acción rápida
Nº do doc.
MAN20001598
Versão
08/25
Idioma
Tamanho
0,8 MB
Betriebsanleitung Präzisions-Einbaugrenztaster EGM/EGT mit Sprungschaltgliedern
Nº do doc.
MAN20001598
Versão
08/25
Idioma
Tamanho
0,8 MB
Outros documentos
Aprovações e certificados
CCC
Nº do doc.
Versão
Idioma
Tamanho
CCC
Nº do doc.
20001753
Versão
Idioma
Tamanho
0,0 MB
WEEE
Nº do doc.
Versão
Idioma
Tamanho
WEEE
Nº do doc.
ECO20001806
Versão
Idioma
Tamanho
0,1 MB
c UL us
Nº do doc.
Versão
Idioma
Tamanho
c UL us
Nº do doc.
Versão
Idioma
Tamanho
0,3 MB
Documentos de venda
Position Switches and Multiple Limit Switches
Nº do doc.
Versão
Idioma
Tamanho
Position Switches and Multiple Limit Switches
Nº do doc.
157836
Versão
01-03/18
Idioma
Tamanho
4,1 MB
Interrupteurs de position et boîtiers multipistes
Nº do doc.
157837
Versão
01-03/18
Idioma
Tamanho
4,1 MB
Positionsschalter und Reihengrenztaster
Nº do doc.
157835
Versão
01-03/18
Idioma
Tamanho
4,1 MB
CAD/eCAD
Dados de encomenda
| Nº de pedido | 075556 |
| Designação do artigo | EGM12-1200C1791 |
| Peso bruto | 0,087kg |
| Número da tarifa alfandegária | 85365019000 |
| ECLASS | 27-27-06-01 Position switch (Type 1) |

