RGBF03D12-508LE060-M (Nº de pedido 085745)
Série RGBF... 12/16 mm mecânico
- Distância do tucho 12 mm
- Forma construtiva da carcaça na vertical conforme DIN 43697
- Grau de proteção IP67 conforme IEC 60529
- Indicação funcional de LED

Descrição
Elemento de comutação
ES 508 | Elemento de comutação lenta 1 N/F |
No caso de utilização dos elementos de comutação, até atingir o curso de abertura forçada, a distância dos excêntricos
deve ser respeitada. Os excêntricos devem ser montados com união positiva conforme EN ISO 14119, ou seja, rebitados, soldados ou protegidos de outro modo contra a soltura.
Indicação funcional de LED
A indicação funcional pode ser fornecida para a seguinte faixa de tensão (consultar os acessórios)
LE060 | 12 ... 60 V CA/CC |


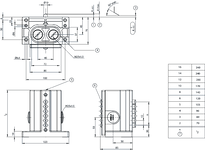
Desenhos dimensionais

| 1 | Ponto de comutação |
| 2 | Posição de repouso |
| 3 | Elemento de comutação de segurança ES 508 com separação forçada. Função de separação forçada depende do respeito desta dimensão. Os atuadores (excêntricos) devem ser ligados por união positiva com a máquina. A chave somente pode ser substituída pelo mesmo tipo. |
| 4 | Ranhura com anel de vedação |
| 5 | Etiqueta auto adesiva 041734 colada. |
| 6 | Indicação de LED |
| 7 | Quantidade de tuchos |
Exemplos de conexão

Dados técnicos
Aprovações


Valores de conexão elétrica
| Hedging | max. 10 A gG |
| Seção transversal da conexão | 0.34 ... 1.5 mm² |
| Módulo de indicação | |
| AC/DC | 12 ... 60 ... 60 V LED |
| Tensão nominal de isolamento Ui | 250 V |
| Tensão nominal de impulso Uimp | 4 kV |
| Categoria de uso | |
| AC-15 | 6 A 230 V |
| DC-13 | 6 A 24 V |
| Corrente de comutação | |
| No mín. a CC 24 V | min. 10 mA |
| Corrente nominal térmica Ith | 10 A |
Valores mecânicos e ambiente
| Anfahrgeschwindigkeit | 0.01 ... 40 m/min |
| Tipo de conexão | |
| 4 x | M25 x 1,5 |
| Quantidade de elementos de comutação | 3 |
| Quantidade de contatos de abertura forçada | 3 |
| Forma construtiva | Na vertical, conforme DIN 43697 |
| Elemento de acionamento | Tucho de teto |
| Força de acionamento | min. 15 N |
| Posição de montagem | qualquer |
| Temperatura de armazenamento | -25 ... 80 °C |
| Vida mecânica | 30 x 10⁶ |
| Princípio de troca | Elemento de comutação lenta |
| Classe de proteção | IP67 |
| Distância do tucho | 12 mm |
| Temperatura ambiente | -5 ... 80 °C |
| Material | |
| Caixa | Fundição de alumínio anodizado |
| Contato | Liga de prata, flash de ouro |
Valores característicos de acordo com EN ISO 13849-1 e EN IEC 62061
| B10D | 20 x 10⁶ |
Downloads
Pacote completo
Efetuar o download de todos os documentos importantes com um clique
Contém
- O manual de instruções e, eventualmente, o seu complemento ou as breves instruções
- Eventualmente as fichas técnicas como complemento do manual de instruções
- A declaração de conformidade
Documentos isolados
Mode d’emploi Boîtiers multipistes de précision RG, GS, GL 12/16 mm
Betriebsanleitung Präzisions-Reihengrenztaster RG, GS, GL 12/16 mm
Istruzioni di impiego Finecorsa multipli di precisione RG, GS, GL 12/16 mm
Outros documentos
CAD/eCAD
Dados de encomenda
| Nº de pedido | 085745 |
| Designação do artigo | RGBF03D12-508LE060-M |
| Peso bruto | 0,796kg |
| Número da tarifa alfandegária | 85365019000 |
| ECLASS | 27-27-06-02 Multi-position switch |


