HomeProdutosInterruptor de posição e chave de fim de curso múltiplaChave de fim de curso individual mecânica N01 e NB01 SN01NB01D588-M
NB01D588-M (Nº de pedido 088584)
Escolha o conteúdo
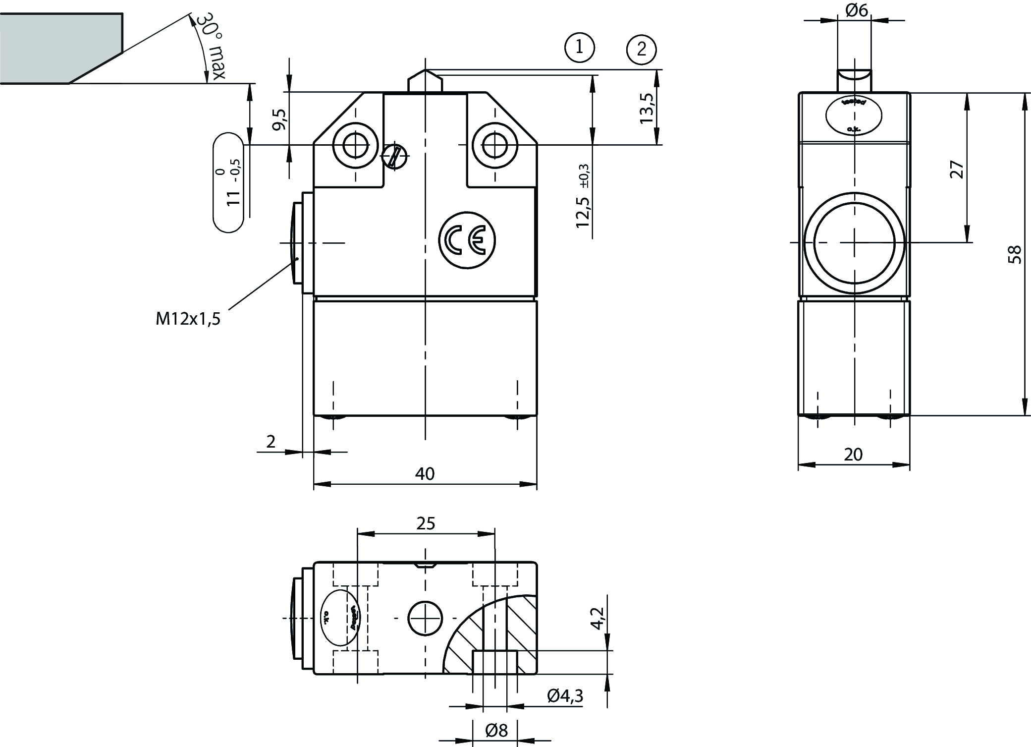
Chave de fim de curso simples NB01, tucho de teto, entrada de cabo M12 x 1,5
- Tucho de teto
- Entrada de cabos M12 x 1,5
- 1 contato normalmente fechado

Descrição
Elemento de comutação
588 | Elemento de comutação lenta 1 contato de abertura forçada |




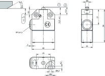
Desenhos dimensionais

| 1 | Ponto de comutação |
| 2 | Posição de repouso |
Exemplos de conexão

Diagramas de viagem por turnos

![]() | Contatos fechados |
![]() | Contatos abertos |
![]() | Contatos com abertura forçada |
Dados técnicos
Aprovações


Valores de conexão elétrica
| Hedging | max. 10 A gG |
| Seção transversal da conexão | max. 1.5 mm² (Terminal roscado) |
| Tensão nominal de isolamento Ui | 250 V |
| Tensão nominal de impulso Uimp | 2.5 kV |
| Categoria de uso | |
| AC-15 | 4 A 230 V |
| DC-13 | 3 A 24 V |
| Corrente de comutação | |
| No mín. a CC 5 V | 1 mA |
| Corrente nominal térmica Ith | 10 A |
Valores mecânicos e ambiente
| Anfahrgeschwindigkeit | 0.01 ... 20 m/min |
| Tipo de conexão | |
| 1 x | M12 x 1,5 |
| Quantidade de contatos de abertura forçada da posição da porta | 1 |
| Elemento de acionamento | Tucho de teto |
| Força de acionamento | 15 ... 20 N |
| Posição de montagem | qualquer |
| Temperatura de armazenamento | -25 ... 70 °C |
| Vida mecânica | 10 x 10⁶ |
| Princípio de troca | Elemento de comutação lenta |
| Classe de proteção | IP67 |
| Temperatura ambiente | -25 ... 70 °C |
| Material | |
| Caixa | Metal leve anodizado fundido |
| Contato | Liga de prata, flash de ouro |
Valores característicos de acordo com EN ISO 13849-1 e EN IEC 62061
| Monitorar a posição do dispositivo de proteção | |
| B10D | 20 x 10⁶ |
Diversos
| Recurso adicional | Com graxa para baixas temperaturas |
Downloads
Pacote completo
Efetuar o download de todos os documentos importantes com um clique
Contém
- O manual de instruções e, eventualmente, o seu complemento ou as breves instruções
- Eventualmente as fichas técnicas como complemento do manual de instruções
- A declaração de conformidade
Efetuar o download do pacote completo (ZIP, 2,5 MB)
Documentos isolados
Declarações de conformidade
EU-Konformitätserklärung
Nº do doc.
Versão
Idioma
Tamanho
EU-Konformitätserklärung
Nº do doc.
EDC2539628
Versão
Idioma
Tamanho
0,2 MB
UKCA-Konformitätserklärung
Nº do doc.
Versão
Idioma
Tamanho
UKCA-Konformitätserklärung
Nº do doc.
EDC20001551
Versão
Idioma
Tamanho
0,1 MB
Instruções
Operating Instructions Precision Single Limit Switch N01/NB01/SN01
Nº do doc.
Versão
Idioma
Tamanho
Operating Instructions Precision Single Limit Switch N01/NB01/SN01
Nº do doc.
2105376
Versão
05/25
Idioma
Tamanho
0,7 MB
Mode d’emploi Fins de course monopistes de précision N01/NB01/SN01
Nº do doc.
2105376
Versão
05/25
Idioma
Tamanho
0,7 MB
Manual de instrucciones Final de carrera unitario de precisión N01/NB01/SN01
Nº do doc.
2105376
Versão
05/25
Idioma
Tamanho
0,7 MB
Betriebsanleitung Präzisions-Einzelgrenztaster N01/NB01/SN01
Nº do doc.
2105376
Versão
05/25
Idioma
Tamanho
0,7 MB
Istruzioni di impiego Finecorsa di precisione singoli N01/NB01/SN01
Nº do doc.
2105376
Versão
05/25
Idioma
Tamanho
0,7 MB
Outros documentos
Aprovações e certificados
DNV-GL
Nº do doc.
Versão
Idioma
Tamanho
DNV-GL
Nº do doc.
Versão
Idioma
Tamanho
0,2 MB
WEEE
Nº do doc.
Versão
Idioma
Tamanho
WEEE
Nº do doc.
ECO20001806
Versão
Idioma
Tamanho
0,1 MB
c UL us
Nº do doc.
Versão
Idioma
Tamanho
c UL us
Nº do doc.
Versão
Idioma
Tamanho
0,3 MB
Documentos de venda
Position Switches and Multiple Limit Switches
Nº do doc.
Versão
Idioma
Tamanho
Position Switches and Multiple Limit Switches
Nº do doc.
157836
Versão
01-03/18
Idioma
Tamanho
4,1 MB
Interrupteurs de position et boîtiers multipistes
Nº do doc.
157837
Versão
01-03/18
Idioma
Tamanho
4,1 MB
Positionsschalter und Reihengrenztaster
Nº do doc.
157835
Versão
01-03/18
Idioma
Tamanho
4,1 MB
Safety Switches with Metal Housing
Nº do doc.
Versão
Idioma
Tamanho
Safety Switches with Metal Housing
Nº do doc.
100369
Versão
11-03/18
Idioma
Tamanho
7,8 MB
Interrupteurs de sécurité avec boîtier métallique
Nº do doc.
100676
Versão
11-03/18
Idioma
Tamanho
7,9 MB
Interruptores de seguridad con carcasa metálica
Nº do doc.
104856
Versão
11-03/18
Idioma
Tamanho
14,0 MB
Sicherheitsschalter mit Metallgehäuse
Nº do doc.
100319
Versão
11-03/18
Idioma
Tamanho
7,9 MB
金属壳体 的安全开关
Nº do doc.
102453
Versão
11-03/18
Idioma
Tamanho
8,2 MB
Bezpečnostní spínače s kovovým pouzdrem
Nº do doc.
121650
Versão
11-03/18
Idioma
Tamanho
7,8 MB
CAD/eCAD
Dados de encomenda
| Nº de pedido | 088584 |
| Designação do artigo | NB01D588-M |
| Peso bruto | 0,109kg |
| Número da tarifa alfandegária | 85365019000 |
| ECLASS | 27-27-06-01 Position switch (Type 1) |






