HomeProdutosInterruptor de posição e chave de fim de curso múltiplaChave de fim de curso individual mecânica N01 e NB01 SN01N01R593-M
N01R593-M (Nº de pedido 110853)
Escolha o conteúdo
Chave de fim de curso individual de precisão N01, tucho de rolos, para temperaturas até 140°C
- Para alta temperatura de até +140°C
- Material do tucho de aço inoxidável

Descrição


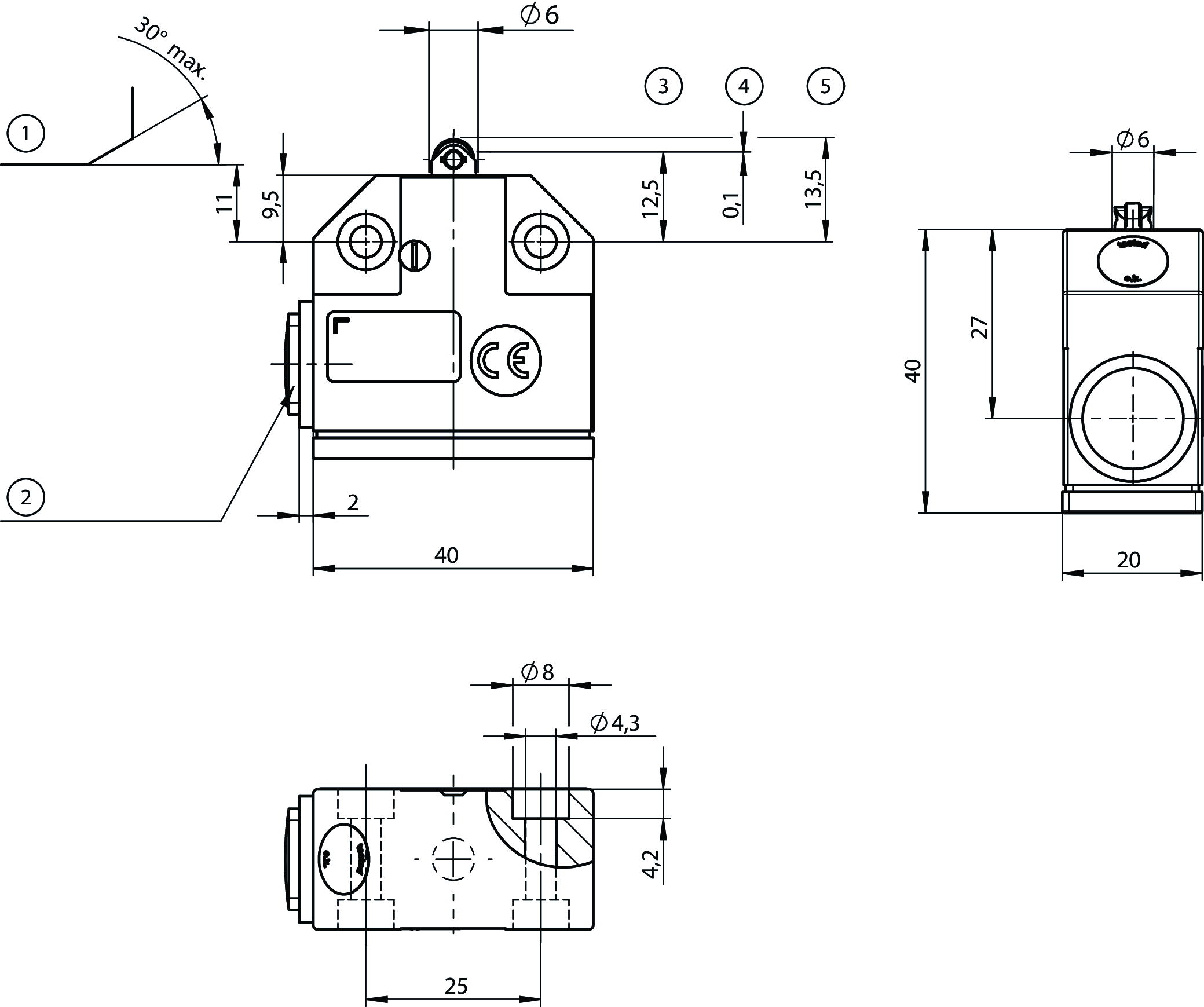
Desenhos dimensionais

| 1 | Excêntrico |
| 2 | Parafuso de fecho M12 x 1,5 |
| 3 | Ponto de comutação |
| 4 | Curso diferencial |
| 5 | Posição de repouso |
Exemplos de conexão

Dados técnicos
Aprovações

Valores de conexão elétrica
| Hedging | max. 3 A gG |
| Seção transversal da conexão | 0.14 ... 1 mm² (Conexão soldada) |
| Tensão nominal de isolamento Ui | 250 V |
| Tensão nominal de impulso Uimp | 2.5 kV |
| Categoria de uso | |
| DC-13 | 1 A 24 V |
| AC-15 | 3 A 230 V |
| Corrente de comutação | |
| No mín. a CC 24 V | 10 mA |
| Corrente nominal térmica Ith | 3 A |
Valores mecânicos e ambiente
| Anfahrgeschwindigkeit | 0.01 ... 50 m/min |
| Tipo de conexão | |
| 1 x | M12 x 1,5 |
| Quantidade de contatos de abertura da posição da porta | 1 Conversor |
| Quantidade de contatos de trabalho da posição da porta | 1 (Conversor) |
| Elemento de acionamento | |
| Mancal deslizante de metal | e de roldana (d Rolo = 5 mm) |
| Força de acionamento | 15 ... 20 N |
| Posição de montagem | qualquer |
| Temperatura de armazenamento | -25 ... 125 °C |
| Vida mecânica | 1 x 10⁶ (Testado a: 80°C: 1 x 10^6 125°C: 1 x 10^6 (lubrificação a cada 200.000 ciclos de comutação)) |
| Princípio de troca | Conversor com função de ação rápida |
| Classe de proteção | IP67 |
| Temperatura ambiente | -5 ... 125 °C |
| Material | |
| Contato | Liga de prata, flash de ouro |
| Caixa | Metal leve anodizado fundido |
Valores característicos de acordo com EN ISO 13849-1 e EN IEC 62061
| B10D | 20 x 10⁶ |
Diversos
| Recurso adicional | Temperatura ambiente Indicação do fabricante sobre o elemento de comutação: (Europa) máx. 140°C / UL máx. 130°C |
Downloads
Pacote completo
Efetuar o download de todos os documentos importantes com um clique
Contém
- O manual de instruções e, eventualmente, o seu complemento ou as breves instruções
- Eventualmente as fichas técnicas como complemento do manual de instruções
- A declaração de conformidade
Efetuar o download do pacote completo (ZIP, 2,6 MB)
Documentos isolados
Declarações de conformidade
EU-Konformitätserklärung
Nº do doc.
Versão
Idioma
Tamanho
EU-Konformitätserklärung
Nº do doc.
EDC2539628
Versão
Idioma
Tamanho
0,2 MB
UKCA-Konformitätserklärung
Nº do doc.
Versão
Idioma
Tamanho
UKCA-Konformitätserklärung
Nº do doc.
EDC20001551
Versão
Idioma
Tamanho
0,1 MB
Instruções
Operating Instructions Precision Single Limit Switch N01/NB01/SN01
Nº do doc.
Versão
Idioma
Tamanho
Operating Instructions Precision Single Limit Switch N01/NB01/SN01
Nº do doc.
2105376
Versão
05/25
Idioma
Tamanho
0,7 MB
Mode d’emploi Fins de course monopistes de précision N01/NB01/SN01
Nº do doc.
2105376
Versão
05/25
Idioma
Tamanho
0,7 MB
Manual de instrucciones Final de carrera unitario de precisión N01/NB01/SN01
Nº do doc.
2105376
Versão
05/25
Idioma
Tamanho
0,7 MB
Betriebsanleitung Präzisions-Einzelgrenztaster N01/NB01/SN01
Nº do doc.
2105376
Versão
05/25
Idioma
Tamanho
0,7 MB
Istruzioni di impiego Finecorsa di precisione singoli N01/NB01/SN01
Nº do doc.
2105376
Versão
05/25
Idioma
Tamanho
0,7 MB
Outros documentos
Aprovações e certificados
DNV-GL
Nº do doc.
Versão
Idioma
Tamanho
DNV-GL
Nº do doc.
Versão
Idioma
Tamanho
0,2 MB
WEEE
Nº do doc.
Versão
Idioma
Tamanho
WEEE
Nº do doc.
ECO20001806
Versão
Idioma
Tamanho
0,1 MB
Dados de encomenda
| Nº de pedido | 110853 |
| Designação do artigo | N01R593-M |
| Peso bruto | 0,089kg |
| Número da tarifa alfandegária | 85365019000 |
| ECLASS | 27-27-06-01 Position switch (Type 1) |
