HomeProdutosInterruptor de posição e chave de fim de curso múltiplaChave de fim de curso individual mecânica N01 e NB01 SN01N01K550SVM5-M
N01K550SVM5-M (Nº de pedido 088624)
Escolha o conteúdo
Chave de fim de curso individual de precisão N01, tucho esférico, conector de encaixe M12
- Material do tucho de aço inoxidável

Descrição



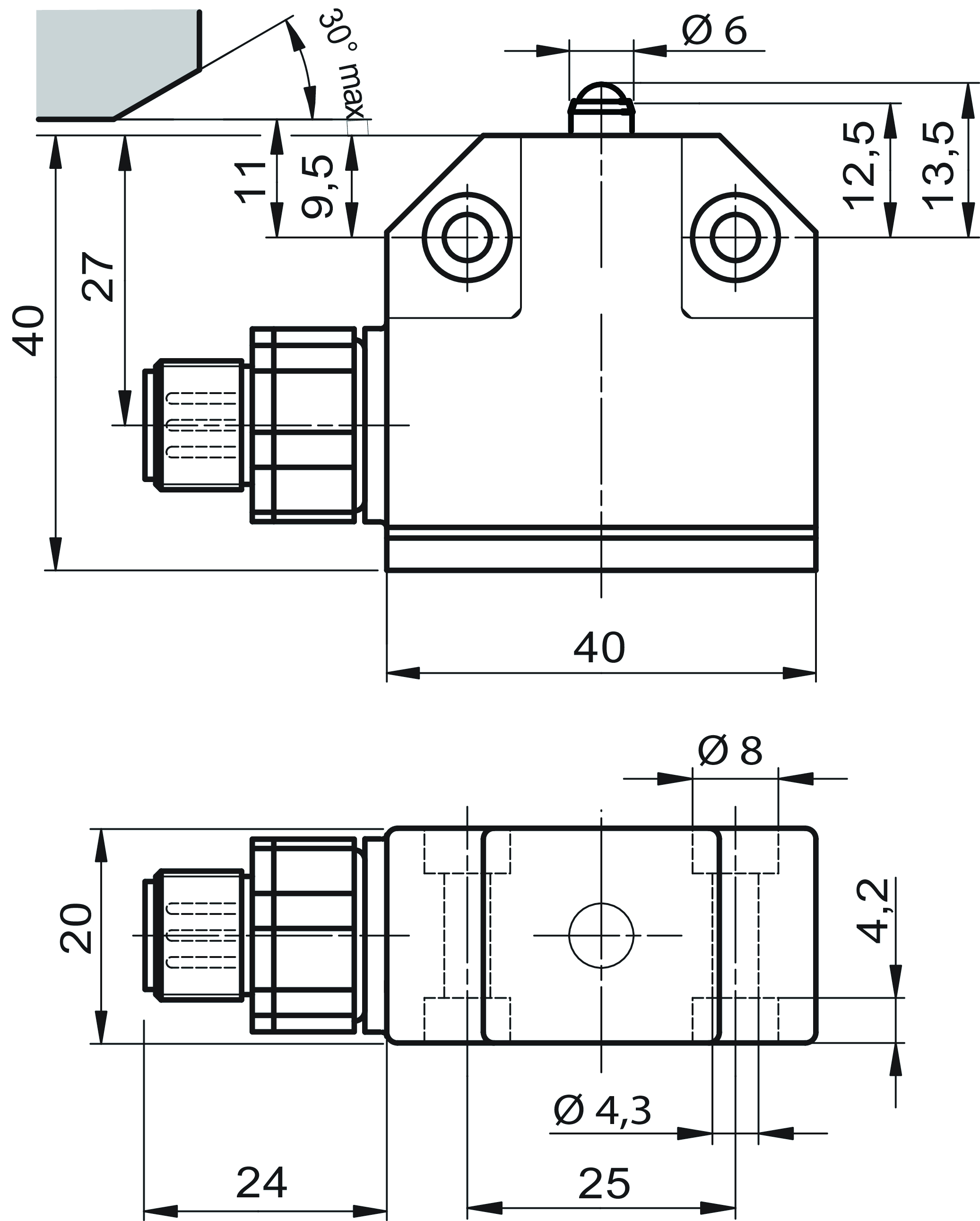
Desenhos dimensionais

Exemplos de conexão

Exemplos de conexão

Dados técnicos
Aprovações



Valores de conexão elétrica
| Hedging | max. 4 A gG |
| Tensão nominal de isolamento Ui | 50 V |
| Tensão nominal de impulso Uimp | 1.5 kV |
| Categoria de uso | |
| DC-13 | 2 A 24 V |
| AC-15 | 2 A 30 V |
| Corrente de comutação | |
| No mín. a CC 24 V | 10 mA |
| Corrente nominal térmica Ith | 4 A |
Valores mecânicos e ambiente
| Anfahrgeschwindigkeit | 0.01 ... 8 m/min |
| Tipo de conexão | |
| 1 x | Conetor de encaixe M12, ajustável (5 pinos) |
| Quantidade de contatos de abertura da posição da porta | 1 Conversor |
| Quantidade de contatos de trabalho da posição da porta | 1 (Conversor) |
| Elemento de acionamento | |
| Esfera de aço D esfera = 4 mm | Tucho esférico |
| Força de acionamento | 15 ... 20 N |
| Posição de montagem | qualquer |
| Temperatura de armazenamento | -25 ... 80 °C |
| Vida mecânica | 10 x 10⁶ |
| Princípio de troca | Conversor com função de ação rápida |
| Classe de proteção | IP64 |
| Temperatura ambiente | -5 ... 80 °C |
| Material | |
| Contato | Liga de prata, flash de ouro |
| Caixa | Metal leve anodizado fundido |
Downloads
Pacote completo
Efetuar o download de todos os documentos importantes com um clique
Contém
- O manual de instruções e, eventualmente, o seu complemento ou as breves instruções
- Eventualmente as fichas técnicas como complemento do manual de instruções
- A declaração de conformidade
Efetuar o download do pacote completo (ZIP, 2,4 MB)
Documentos isolados
Declarações de conformidade
EU-Konformitätserklärung
Nº do doc.
Versão
Idioma
Tamanho
EU-Konformitätserklärung
Nº do doc.
EDC2539628
Versão
Idioma
Tamanho
0,2 MB
UKCA-Konformitätserklärung
Nº do doc.
Versão
Idioma
Tamanho
UKCA-Konformitätserklärung
Nº do doc.
EDC20001551
Versão
Idioma
Tamanho
0,1 MB
Instruções
Operating Instructions Precision Single Limit Switch N01/NB01/SN01
Nº do doc.
Versão
Idioma
Tamanho
Operating Instructions Precision Single Limit Switch N01/NB01/SN01
Nº do doc.
2105376
Versão
05/25
Idioma
Tamanho
0,7 MB
Mode d’emploi Fins de course monopistes de précision N01/NB01/SN01
Nº do doc.
2105376
Versão
05/25
Idioma
Tamanho
0,7 MB
Manual de instrucciones Final de carrera unitario de precisión N01/NB01/SN01
Nº do doc.
2105376
Versão
05/25
Idioma
Tamanho
0,7 MB
Betriebsanleitung Präzisions-Einzelgrenztaster N01/NB01/SN01
Nº do doc.
2105376
Versão
05/25
Idioma
Tamanho
0,7 MB
Istruzioni di impiego Finecorsa di precisione singoli N01/NB01/SN01
Nº do doc.
2105376
Versão
05/25
Idioma
Tamanho
0,7 MB
Outros documentos
Aprovações e certificados
CCC
Nº do doc.
Versão
Idioma
Tamanho
CCC
Nº do doc.
20001849
Versão
Idioma
Tamanho
0,0 MB
DNV-GL
Nº do doc.
Versão
Idioma
Tamanho
DNV-GL
Nº do doc.
Versão
Idioma
Tamanho
0,2 MB
WEEE
Nº do doc.
Versão
Idioma
Tamanho
WEEE
Nº do doc.
ECO20001806
Versão
Idioma
Tamanho
0,1 MB
c UL us
Nº do doc.
Versão
Idioma
Tamanho
c UL us
Nº do doc.
Versão
Idioma
Tamanho
0,3 MB
Documentos de venda
Position Switches and Multiple Limit Switches
Nº do doc.
Versão
Idioma
Tamanho
Position Switches and Multiple Limit Switches
Nº do doc.
157836
Versão
01-03/18
Idioma
Tamanho
4,1 MB
Interrupteurs de position et boîtiers multipistes
Nº do doc.
157837
Versão
01-03/18
Idioma
Tamanho
4,1 MB
Positionsschalter und Reihengrenztaster
Nº do doc.
157835
Versão
01-03/18
Idioma
Tamanho
4,1 MB
Macros ePlan
EUC.088624
Nº do doc.
Versão
Idioma
Tamanho
EUC.088624
Nº do doc.
Versão
Idioma
Tamanho
0,3 MB
CAD/eCAD
Dados de encomenda
| Nº de pedido | 088624 |
| Designação do artigo | N01K550SVM5-M |
| Peso bruto | 0,123kg |
| Global Trade Item Number (GTIN) | 4047048006584 |
| Número da tarifa alfandegária | 85365019000 |
| ECLASS | 27-27-06-01 Position switch (Type 1) |



