ZSM2300-169355 (Nº de pedido 169355)
Escolha o conteúdo
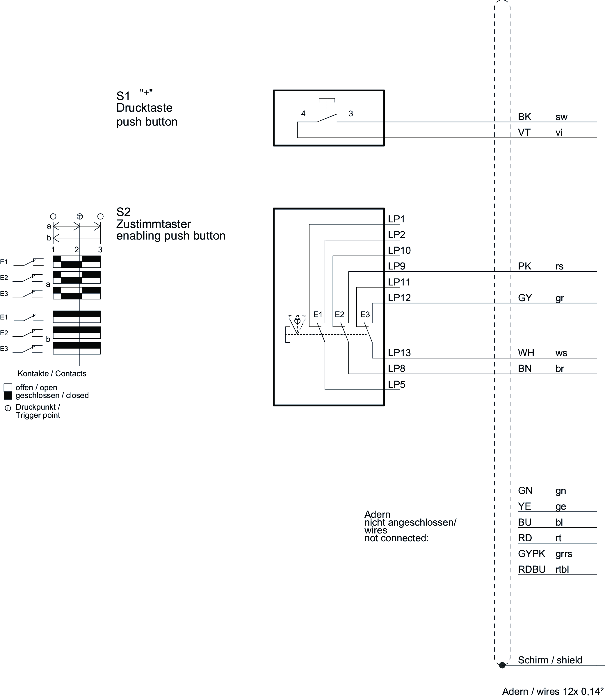
ZSM, botão de pressão
- Função de 3 estágios
- Chave de pressão
- Cabo de conexão em espiral, 9,8 m

Descrição
Função de 3 estágios
Função enable somente no segundo estágio (posição central, ponto de pressão) ativo. Ao soltar ou pressionar (função pânico) a tecla até o fundo, o enable é revogado (dependendo do cabeamento, consultar a sequência de funcionamento).
Chave de pressão
Com as teclas podem ser executadas funções suplementares diretamente na chave enable.
Cabo
Os cabos de conexão de alta qualidade podem ser adquiridos na versão em espiral.




Desenhos dimensionais

Exemplos de conexão

Exemplos de conexão

Exemplos de conexão

Dados técnicos
Aprovações


Elementos de operação e exibição
| Posição | Cor | Extras | Plaqueta de inserção | Elemento de comutação | Placa de inserção | Versão | Quantidade | Designação 1 | LED |
|---|---|---|---|---|---|---|---|---|---|
| Tecla de pressão + | 1 |
Valores de conexão elétrica
| Hedging | max. 2 A gG |
| Cabo de conexão observação (interno) | 12 x 0,14 mm² (blindado) |
| Corrente de curto-circuito nominal condicional | 100 A |
| Tensão nominal de isolamento Ui | 50 V |
| Tensão nominal de impulso Uimp | 0.5 kV |
| Categoria de uso | |
| DC-13 | 30 V 0,1A (Na chave enable, cuidado: as saídas devem ser protegidas com um diodo de roda livre no caso de cargas indutivas) |
| DC-13 | 24 V 0,3A (Para os elementos de comando suplementares) |
| Comportamento de comutação | Chave enable de 3 estágios |
| Grau de contaminação (externo, conforme EN 60947-1) | 3 |
Valores mecânicos e ambiente
| Tipo de conexão | Extremidade livre do cabo com terminais elétricos |
| Quantidade de comutadores | 3 (Interligação conforme o diagrama de blocos) |
| Temperatura de armazenamento | -25 ... 70 °C |
| Comprimento do cabo | |
| Em espiral | 9.8 m |
| Vida mecânica | 1 x 10⁶ |
| Princípio de troca | Chave de ação rápida |
| Classe de proteção | IP54 |
| Temperatura ambiente | -5 ... 60 °C |
| Material | PA, CR, TPE (Braço PAK) |
Valores característicos de acordo com EN ISO 13849-1 e EN IEC 62061
| B10D | Duração de uso | |
|---|---|---|
| Chave enable | 0.1x106 | 20 y |
Diversos
| Normas cumpridas | 60947-5-8 |
Acessórios
Downloads
Pacote completo
Efetuar o download de todos os documentos importantes com um clique
Contém
- O manual de instruções e, eventualmente, o seu complemento ou as breves instruções
- Eventualmente as fichas técnicas como complemento do manual de instruções
- A declaração de conformidade
Efetuar o download do pacote completo (ZIP, 1,7 MB)
Documentos isolados
Declarações de conformidade
EU-Konformitätserklärung
Nº do doc.
Versão
Idioma
Tamanho
EU-Konformitätserklärung
Nº do doc.
EDC2109392
Versão
Idioma
Tamanho
0,2 MB
UKCA-Konformitätserklärung
Nº do doc.
Versão
Idioma
Tamanho
UKCA-Konformitätserklärung
Nº do doc.
EDC20001579
Versão
Idioma
Tamanho
0,1 MB
Folhas de dados
Ficha de dados
Nº do doc.
Versão
Idioma
Tamanho
Ficha de dados
Data sheet
Fiche technique
Ficha de datos
Datenblatt
数据表
データ シート
데이터 시트
Datový list
Data sheet
Fiche technique
Ficha de datos
Datenblatt
数据表
データ シート
데이터 시트
Datový list
Nº do doc.
2153655
Versão
01
Idioma
Tamanho
0,1 MB
Ficha de dados
Data sheet
Fiche technique
Ficha de datos
Datenblatt
数据表
データ シート
데이터 시트
Datový list
Data sheet
Fiche technique
Ficha de datos
Datenblatt
数据表
データ シート
데이터 시트
Datový list
Nº do doc.
2153656
Versão
01
Idioma
Tamanho
0,0 MB
Instruções
Manual de instruções Chaves enable ZSM
Nº do doc.
Versão
Idioma
Tamanho
Manual de instruções Chaves enable ZSM
Nº do doc.
2098540
Versão
08-03/26
Idioma
Tamanho
0,5 MB
Operating Instructions Enabling Switch ZSM
Nº do doc.
2098540
Versão
08-03/26
Idioma
Tamanho
0,5 MB
Mode d’emploi Commande d’assentiment ZSM
Nº do doc.
2098540
Versão
08-03/26
Idioma
Tamanho
0,5 MB
Manual de instrucciones Pulsador de validación ZSM
Nº do doc.
2098540
Versão
08-03/26
Idioma
Tamanho
0,5 MB
Betriebsanleitung Zustimmtaster ZSM
Nº do doc.
2098540
Versão
08-03/26
Idioma
Tamanho
0,5 MB
Istruzioni di impiego Pulsanti di consenso ZSM
Nº do doc.
2098540
Versão
08-03/26
Idioma
Tamanho
0,5 MB
Outros documentos
Aprovações e certificados
DGUV
Nº do doc.
Versão
Idioma
Tamanho
DGUV
Nº do doc.
Versão
Idioma
Tamanho
3,2 MB
WEEE
Nº do doc.
Versão
Idioma
Tamanho
WEEE
Nº do doc.
ECO20001806
Versão
Idioma
Tamanho
0,1 MB
c UL us
Nº do doc.
Versão
Idioma
Tamanho
c UL us
Nº do doc.
Versão
Idioma
Tamanho
0,2 MB
Dados de encomenda
| Nº de pedido | 169355 |
| Designação do artigo | ZSM2300-169355 |
| Peso bruto | 1,39kg |
| Número da tarifa alfandegária | 85365019000 |
| ECLASS | 27-37-12-38 Agreement switch |


