HomeProdutosChave de segurança codificada por solenóideCabeças de leitura CMS com contatos ReedCMS-R-CXC-SC
CMS-R-CXC-SC (Nº de pedido 103967)
Escolha o conteúdo
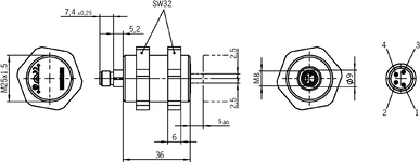
Cabeças de leitura CMS na forma construtiva C - Com contatos de abertura/trabalho, M8
- Em combinação com os dispositivos de avaliação CMS-E-BR/CMS-E-ER/CMS-E-FR
- Versão cilíndrica M25
- Conetor M8

Descrição
Diagramas de resposta na forma construtiva C
CMS-R-CXC
- Distância típica de ligação
- Distância típica de desligamento


Desenhos dimensionais

Exemplos de conexão

Dados técnicos
Aprovações


Espaço de trabalho
| Distância segura de desligamento sar | 14 mm (O intervalo de desligamento seguro s_ar corresponde ao intervalo de reset.) |
| Distância de comutação segura sao | |
| Com desvio do centro m=0 | min. 6 mm (Indicação de valor somente, se não houver nenhum material ferromagnético nas proximidades da cabeça de leitura e do atuador.) |
| Precisão de repetição R | 10 % |
Valores de conexão elétrica
| Tensão nominal de isolamento Ui | 26.4 V |
| Tensão nominal de impulso Uimp | 1.5 kV |
| Tensão de comutação | 24 V |
| Tensão de comutação conforme UL | |
| Conforme UL Classe 2 | max. 24 V AC/DC |
| Corrente de comutação | 8 ... 500 mA |
| Comportamento de comutação | anti-valente |
Valores mecânicos e ambiente
| Tipo de conexão | Conector de encaixe M8 com 4 pinos |
| Quantidade de contatos de abertura | 1 Contato de abertura |
| Quantidade de contatos de trabalho | 1 Contatos de trabalho |
| Torque de aperto | 0.4 ... 0.5 Nm |
| Forma construtiva | C |
| Posição de montagem | qualquer |
| Temperatura de armazenamento | -25 ... 70 °C |
| Vida mecânica | 100 x 10⁶ |
| Resistência ao choque e a oscilação | de acordo com EN IEC 60947-5-3 |
| Classe de proteção | IP67 |
| Temperatura ambiente | -20 ... 60 °C |
| Material | |
| Caixa | PPS reforçado com fibra de vidro |
| Modo de atuação | magnético, contato Reed |
Diversos
| Normas cumpridas | EN ISO 13849-1:2015; EN 50178:1997; EN 60204-1:2006/A1:2009; EN ISO 14119:2013; EN 61000-6-2:2005; EN 61000-6-3:2007/A1:2011; EN 60947-5-3:2013 |
Acessórios
Downloads
Pacote completo
Efetuar o download de todos os documentos importantes com um clique
Contém
- O manual de instruções e, eventualmente, o seu complemento ou as breves instruções
- Eventualmente as fichas técnicas como complemento do manual de instruções
- A declaração de conformidade
Efetuar o download do pacote completo (ZIP, 1,5 MB)
Documentos isolados
Declarações de conformidade
EU-Konformitätserklärung
Nº do doc.
Versão
Idioma
Tamanho
EU-Konformitätserklärung
Nº do doc.
EDC2112987
Versão
Idioma
Tamanho
0,2 MB
UKCA-Konformitätserklärung
Nº do doc.
Versão
Idioma
Tamanho
UKCA-Konformitätserklärung
Nº do doc.
EDC20001569
Versão
Idioma
Tamanho
0,1 MB
Instruções
Operating Instructions Read Heads/Actuators for Evaluation Units CMS
Nº do doc.
Versão
Idioma
Tamanho
Operating Instructions Read Heads/Actuators for Evaluation Units CMS
Nº do doc.
2102384
Versão
11/25
Idioma
Tamanho
0,8 MB
Mode d’emploi Têtes de lecture / actionneurs pour analyseurs CMS
Nº do doc.
2102384
Versão
11/25
Idioma
Tamanho
0,9 MB
Manual de instrucciones Cabezas de lectura/actuadores para unidades de evaluación CMS
Nº do doc.
2102384
Versão
11/25
Idioma
Tamanho
0,8 MB
Betriebsanleitung Leseköpfe/Betätiger für Auswertegeräte CMS
Nº do doc.
2102384
Versão
11/25
Idioma
Tamanho
0,9 MB
Outros documentos
Aprovações e certificados
TUEV Süd München Z10 Zertifikat
Nº do doc.
Versão
Idioma
Tamanho
TUEV Süd München Z10 Zertifikat
Nº do doc.
Versão
Idioma
Tamanho
0,5 MB
WEEE
Nº do doc.
Versão
Idioma
Tamanho
WEEE
Nº do doc.
ECO20001806
Versão
Idioma
Tamanho
0,1 MB
c UL us
Nº do doc.
Versão
Idioma
Tamanho
c UL us
Nº do doc.
Versão
Idioma
Tamanho
1,0 MB
Documentos de venda
Interrupteurs de sécurité à codage magnétique CMS
Nº do doc.
Versão
Idioma
Tamanho
Interrupteurs de sécurité à codage magnétique CMS
Nº do doc.
090606
Versão
10-11/20
Idioma
Tamanho
5,8 MB
Dados de encomenda
| Nº de pedido | 103967 |
| Designação do artigo | CMS-R-CXC-SC |
| Peso bruto | 0,05kg |
| Número da tarifa alfandegária | 85389099990 |
| ECLASS | 27-27-24-02 Safety-related magnetic proximity switch |

